【导读】变频器怎么接线?变频器主电路和控制电路接线流程是怎样的?接下来本文将为大家一一介绍。
一、变频器主电路的接线流程
1、当我们拿到变频器,挤压变频器两侧凹槽,打开上盖,取下挡线板,变频器的R, S, T端子接电源线,U, V, W端子接电机线,地线符号处接地线。
2、我们将电源线的黄、绿、红按照顺序接到R, S, T端子处。

R, S, T端子接电源线
3、将电机线按照黄、绿、红按照顺序接到U, V, W端子处。

U, V, W端子接电机线
4、接线完成后,要注意检查电源线、电机线是否接错,端子压接是带牢靠,电源线、电机线有无老化、破损、漏接的情况,接线 完成后,安装变频器挡线板,安装变频器上盖,打开电源开关给变频器供电,变频器显示50HZ,变频器可以正常操作了。
二、变频器控制电路的接线流程
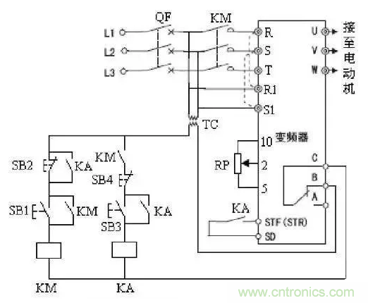
1、如图所示,R是刹车电阻,R、S、T 分别是电源进线的输入端子,变频器输出端子U、V、W是用来接到电动机上的。

典型的变频器接线图
2、S1是正转端子,S2是反转端子,S3是异常、停止端子,S5、S6、S7分别是多段速端子,R1A、R1B、R1C分别是故障???、常闭与公共点,R2A与R2C是频率检出端子。
3、找到变频器的控制端子,在外面加装2个中间继电器,分别是KA1与KA2,接线方法如下图所示,KA1工作时,变频器正转,KA2工作时,变频器反转,SB是复位按钮,当有异常报警时,变频器会停机,此时按下RST,可以消除报警,然后再重新启动变频器。

正反转的接线方法
4、如果有电位器,接线方法如下图所示,电位器的输出分别接到变频器的10、2、3个端子中,这个是输出接模拟量输入,当调节电位器的旋钮时,变频器的频率会相应的跟着变化。

电位器的接线方法
变频调速器怎么接线?变频调速器主电路和控制电路接线方法
一、主电路的接线
1、电源应接到变频调速器输入端R、S、T接线端子上,一定不能接到变频调速器输出端(U、V、W)上,否则将损坏变频调速器。接线后,零碎线头必须清除干净,零碎线头可能造成异常,失灵和故障,必须始终保持变频调速器清洁。在控制台上打孔时,要注意不要使碎片粉末等进入变频调速器中。
2、在端子+,PR间,不要连接除建议的制动电阻器选件以外的东西,或绝对不要短路。
3、电磁波干扰,变频调速器输入/输出(主回路)包含有谐波成分,可能干扰变频调速器附近的通讯设备。因此,安装选件无线电噪音滤波器FR-BIF或FRBSF01或FR-BLF线路噪音滤波器,使干扰降到最小。

4、长距离布线时,由于受到布线的寄生电容充电电流的影响,会使快速响应电流限制功能降低,接于二次侧的仪器误动作而产生故障。因此,最大布线长度要小于规定值。不得已布线长度超过时,要把Pr.156设为1。
5、在变频调速器输出侧不要安装电力电容器,浪涌抑制器和无线电噪音滤波器。否则将导致变频调速器故障或电容和浪涌抑制器的损坏。
6、为使电压降在2%以内,应使用适当型号的导线接线。变频调速器和电动机间的接线距离较长时,特别是低频率输出情况下,会由于主电路电缆的电压下降而导致电机的转矩下降。
7、运行后,改变接线的操作,必须在电源切断10min以上,用万用表检查电压后进行。断电后一段时间内,电容上仍然有危险的高压电。
二、控制电路的接线
变频调速器的控制电路大体可分为模拟和数字两种。

1、控制电路端子的接线应使用屏蔽线或双绞线,而且必须与主回路,强电回路(含200V继电器程序回路)分开布线。
2、由于控制电路的频率输入信号是微小电流,所以在接点输入的场合,为了防止接触不良,微小信号接点应使用两个并联的节点或使用双生接点。
3、控制回路的接线一般选用0.3~0.75平方米的电缆。
三、地线的接线
1、由于在变频调速器内有漏电流,为了防止触电,变频调速器和电机必须接地。
2、变频调速器接地用专用接地端子。接地线的连接,要使用镀锡处理的压接端子。拧紧螺丝时,注意不要将螺丝扣弄坏。
3、镀锡中不含铅。
4、接地电缆尽量用粗的线径,必须等于或大于规定标准,接地点尽量靠近变频调速器,接地线越短越好。

变频调速器接线注意事项:
1、变频调速器本身有较强的电磁干扰,会干扰一些设备的工作,因此我们可以在变频调速器的输出电缆上加上电缆套。
2、变频调速器或控制柜内的控制线距离动力电缆至少100mm等等。
3、在购买变频调速器的时候都会有变频调速器说明书。如果没有的话,您可以上您所购买的品牌的网站上去下载。变频调速器说明书上面的内容相当详细,包括产品介绍、工作原理、安装调试等等。
以上是基本的接线方法介绍,希望对广大的电气朋友,在变频器的日常使用与维护时有帮助。




