【导读】作为一个电子人,我们经常需要和不同的电路接触,但有一些经典电路图是值得我们永远记住的。
bootstrap
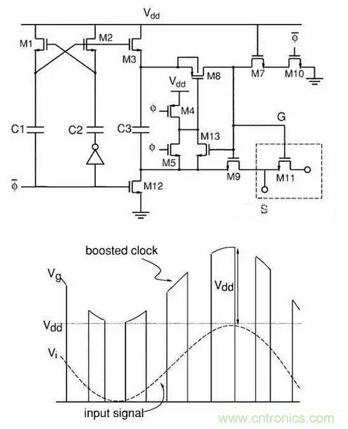
电路用在各种ADC之前的Sample电路,可以让ADC实现rail to rail的input,sample电路的工作电压超过Vdd,极大的减少了了setting time,而且几乎没有reliability的问题。电路里没有任何一个器件是可以被减少或者改变位置的。此电路直接使得ADC的发展往前跃进了一大步,现在已经几乎成为除ΔΣ之外各种ADC的标配,成为历史上最经典的模拟电路之一。当然,电路原理一眼看去也不是很好理解。
工作波形看着都让人舒服:

一个神奇的电流源
输入‘任意’电流。(引号的意思是,合理大小的任意电流值), 输出都大约会是2*ln8*Vt/R。

SAR-ADC
工作原理如下:
每个时钟沿,比较器对电容上的电压和地作比较, 由此结果来决定下一个电容是否接入电路。
实质上就是用二分法来逼近个未知电压。
结构

电容端电压变化

高级版

switch cap 的CMFB
仅仅4个电容加6个开关就实现了CMFB,非常简洁,且几乎不会影响OPAM本身像output swing,gain之类的spec,非常高效。

Data Weighted Averaging
基本思想是快速遍历DAC中的每一个电流元从而减少电流元mismatch对ADC信噪比的影响,仅仅通过几个简单的数电??榫褪迪侄缘缌髟猰ismatch的first order noise shaping,非常巧妙。

万能的H桥电路
驱动电机正反转,妥妥的好用而且实惠,买一块驱动芯片的钱够自己搭十个桥了。而且用市场上最常见的三极管就能搞定,功率稍大的,换成MOS管就行了。




