【导读】继电器接触器控制系统经过长期的使用,已有一套能完成系统要求的控制功能并经过验证的控制电路图,而PLC控制的梯形图和继电器接触器控制电路图很相似,因此可以直接将经过验证的继电器接触器控制电路图转换成梯形图。
一、继电器控制电路与PLC梯形图详解
1、点动电路
功能介绍:点则动,松则不动,即按下按钮开,松开按钮停

2、带停止的自动保持电路
(1)、功能介绍
为保持电路状态的一种基本形式,主要用于保持外部信号状态

(2)、工作原理
开机 = 按下??磁? → 继电器线圈J0得电 → J0??鞔サ惚蘸?→ 电机得电开机、同时J0??ㄖサ阕运?→ 电机继续运行,如图2-8。
?;?= 按下常闭按钮1 → 继电器线圈J0失电、同时J0辅助触点断开→ 电机失电?;缤?-7。
(3)、电路应用
下面我们对继电器线圈未通电和通电前后进行比较:

二、继电器控制电路转换为PLC梯形图法
继电器接触器控制系统经过长期的使用,已有一套能完成系统要求的控制功能并经过验证的控制电路图,而PLC控制的梯形图和继电器接触器控制电路图很相似,因此可以直接将经过验证的继电器接触器控制电路图转换成梯形图。主要步骤如下:
1、熟悉现有的继电器控制线路。
2、对照PLC的I/O端子接线图,将继电器电路图上的被控器件(如接触器线圈、指示灯、电磁阀等)换成接线图上对应的输出点的编号,将电路图上的输入装置(如传感器、按钮开关、行程开关等)触点都换成对应的输入点的编号。
3、将继电器电路图中的中间继电器、定时器,用PLC的辅助继电器、定时器来代替。
4、画出全部梯形图,并予以简化和修改。
这种方法对简单的控制系统是可行的,比较方便,但较复杂的控制电路,就不适用了。
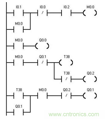
【例1】1-为电动机Y/△减压起动控制主电路和电气控制的原理图。
1、工作原理如下:按下启动按钮SB2,KM1、KM3、KT通电并自保,电动机接成Y型起动,2s后,KT动作,使KM3断电,KM2通电吸合,电动机接成△型运行。按下停止按扭SB1,电动机停止运行。

1- 电动机Y/△减压起动控制主电路和电气控制的原理图
2、I/O分配
输入 输出
停止按钮SB1:I0.0 KM1:Q0.0 KM2: Q0.1
起动按钮SB2:I0.1 KM3:Q0.2
过载?;R: I0.2
3、梯形图程序
转换后的梯形图程序如图2所示。按照梯形图语言中的语法规定简化和修改梯形图。为了简化电路,当多个线圈都受某一串并联电路控制时,可在梯形图中设置该电路控制的存储器的位,如M0.0。简化后的程序如图3-所示。

2- 例1梯形图程序

3-例1简化后的梯形图程序





