【导读】相对于三极管而言,MOS管开关速度快,导通电压低,电压驱动简单,所以越来越受工程师的喜欢。但如果设计不当,哪怕是小功率MOS管,也会导致芯片烧坏,原本想着更简单的,最后变得更加复杂。作者这几年来一直做高频电源设计,也涉及嵌入式开发,对大小功率MOS管,都有一定的理解,所以把心中理解的经验总结一番,形成理论模型。
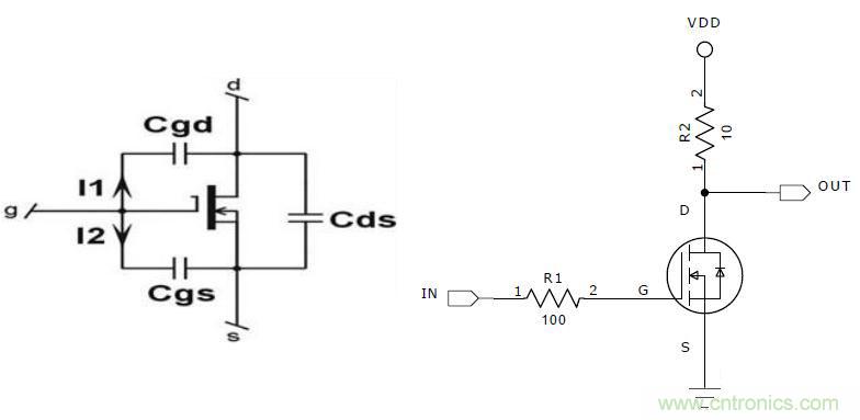
MOS管等效电路及应用电路如下图所示:

把MOS管的微观模型叠加起来,就如下图所示:

我们知道,MOS管的输入与输出是相位相反,恰好180度,也就是等效于一个反相器,也可以理解为一个反相工作的运放,如下图:

有了以上模型,就好办了,尤其从运放这张图中,可以一眼看出,这就是一个反相积分电路,当输入电阻较大时,开关速度比较缓慢,Cgd这颗积分电容影响不明显,但是当开关速度比较高,而且VDD供电电压表高,比如310V下,通过Cgd的电流比较大,强的积分很容易引起振荡,这个振荡叫米勒振荡。所以Cgd也叫米勒电容,而在MOS管开关导通或者关断的那段时间,也就是积分那段时间,叫米勒平台,如下图圆圈中的那部分为米勒平台,右边的是振荡严重的米勒振荡:

因为MOS管的反馈引入了电容,当这个电容足够大,并且前段信号变化快,后端供电电压高,三者结合起来,就会引起积分过充振荡,这个等价于温控的PID中的I模型,要想解决解决这个米勒振荡,在频率和电压不变的情况下,一般可以提高MOS管的驱动电阻,减缓开关的边沿速度,其次比较有效的方式是增加Cgs电容。在条件允许的情况下,可以在Cds之间并上低内阻抗冲击的小电容,或者用RC电路来做吸收电路。
下图给出常用的三颗大功率MOS管的电容值:LCR电桥直接测量,具体型号就不提了。

从图上可以看出,Inifineon6代MOS管和APT7代MOS管性能远远不如碳化硅性能,它的各个指标都很小,当米勒振荡通过其他手段无法降低时,可以考虑更换更小的米勒电容MOS管,尤其需要重视Cgd要尽可能的小于Cgs。




