【导读】如果将如何设计防止毛刺发生的时钟切换电路及危害告诉大家,大家知道后直接用这个电路就好了,但是如果你忘记了或者没见过这个电路是不是就无从下手了!所谓知其然也要知其所以然,只有知道了防毛刺的时钟切换电路设计思路才能够融会贯通!
这里从一个角度,通过电路设计技巧来阐述防毛刺时钟切换电路的设计思路。希望看过之后,不用参考文章就能够自己设计出这个电路。
对于一个时钟切换电路,输入两个异步时钟clk0、clk1,以及一个选择信号sel。
(1) 假设不考虑glitch,直接使用Mux就可以完成切频。电路如下:

由于clk0/clk1/sel之间是异步关系,时钟切换会发生在任意时刻,有一定的概率会发生glitch. glitch的危害文章里已经详述,这里不再重复。
(2) 由于sel和clk0和clk1都是不同步的,我们可以从sel同步的方向入手,假如sel需要和clk0和clk1进行同步,那么sel必须分成两路,一个和clk0同步,一个和clk1同步,同步之后的sel讯号再和clk0/clk1 gating起来,就可以让问题简单化。为了将sel分成两路,并且clk0/clk1需要分别gating, 那么可以将mux逻辑用and/or设计出来,如下:

当然此Mux电路还可以用两个or加上一个and来实现,都可以。 注意G0和G1两点就是分别对clk0和clk1进行gating. 将来会在G0/G1点插入同步DFF.
(3) 将上面电路拆开成两部分,一部分电路通过sel产生sel+和sel-两路,另一部分电路是gating mux电路, 如下:
对于一个时钟切换电路,输入两个异步时钟clk0、clk1,以及一个选择信号sel。
(1) 假设不考虑glitch,直接使用Mux就可以完成切频。电路如下:

只需要将sel-接上G0, sel+接上G1就是一个mux电路。将电路分开,是为了后续技巧性的功能替换。
(4) 将part0电路换成同样功能的带反馈的组合电路(为何要这样做,属于电路设计直觉和技巧)。最常见带反馈的电路是RS触发器,因此可以将part0换成如下电路。

(5) 将part0_a或者part0_b替换part0电路,功能不变。如下:

不过,此时插入同步DFF的地方就多了一个选择, 如果直接在G0, G1插入同步DFF, clk0和clk1的gating时间先后顺序不确定,还是有可能发生毛刺。而在s0和s1处插入同步DFF, 正好利用反馈,让时钟切换按照安全的顺序进行:
(1) 先gating住之前选择的时钟
(2) 然后再放开将要选择的时钟
在(1)和(2)之间, 输出时钟一直都是无效状态(对于2and + 1or的mux来说,无效状态就是0)
[page]
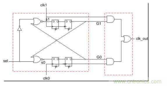
(6) 按照上面的分析,得到电路如下:

注意几点:
(1) 对s0插入的DFF需要用clk0作为时钟, 对于s1插入的DFF需要用clk1作为时钟。
(1) 对s0插入的DFF需要用clk0作为时钟, 对于s1插入的DFF需要用clk1作为时钟。
(2) 后一级的DFF必须使用clock下降沿,因为是用AND门进行gating(如果用上升沿,则更容易出现毛刺)。如果换成2个OR+1个AND的MUX, 则必须用上升沿。
(3) 必须插入两级DFF防止metal stable, 前一级可以用上升沿,也可以用下降沿,用上升沿是为了节省时间。
(4) 所有的DFF 复位值都是0,即让clk_out处于无效状态。
(5) 必须满足先gating后放开的顺序,如果不满足,可以在G0/G1处各插入一个反相器。(用part0_b搭配part1的时候需要插入反相器,如下图)

(6)搭配不同的part0电路和part1电路,经过稍许修改,都可以完成防毛刺切频电路的设计。




