【导读】双16位,1.6 GSPS D / A转换器支持高数据速率和复杂的调制方案需要在通信,测试和仪器仪表,国防和航空航天系统。
ADI公司,公司是一家领先的高性能信号处理技术,介绍了AD9142双通道,16位,1.6 GSPS e/ A转换器,它支持高数据速率和复杂的调制方案需要在通信,测试和仪器仪表,国防和航空航天系统。

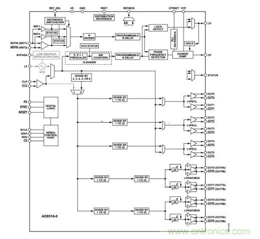
图1:1.6 GSPS D / A转换器的运用
可编程插值率,高采样率,以及精细NCO调制能力相结合,使系统设计人员能够灵活选择D / A转换器的输出频率时。在满足4到6载波GSM传输技术规格和其它通信标准,这是特别有用的。工作的片上PLL(锁相环),一个D / A转换器的输出频率为200 MHz,AD9142提供了一个79 dB的邻道泄漏比(ACLR)为6载波GSM应用。
AD9142包括集成的内插滤波器,可选内插因子为2,4,8。双D / A转换器的数据接口支持字和字节的负载,使客户减少输入引脚上的数据传输速率较低,节省电路板空间,功耗和成本。AD9142是在节省空间的72引脚LFCSP(引脚架构芯片级封装)。
互补的的ADI元件包括ADL537x系列和ADRF670x的系列正交调制器,和AD9516 14输出时钟发生器IC。



