- TVS器件的特性及主要参数
- 选用TVS的注意事项TVS在电路设计中的典型应用
- TVS在电路设计中的典型应用
瞬态电压抑制器是一种二极管形式的高效能?;て骷?,具有极快的响应时间和相当高的浪涌吸收能力。当TVS的两端受到反向瞬态过压脉冲时,能以极高的速度把两端间的高阻抗变为低阻抗,以吸收瞬间大电流,并将电压箝制在预定数值,从而有效?;さ缏分械脑骷馐芩鸹?。本文讲述了TVS器件的主要特性参数和选用注意事项,同时给出了TVS在电路设计中的应用方法。
1 TVS器件的特性及主要参数
1.1 TVS的器件特性
在规定的反向应用条件下,TVS对受?;さ南呗烦矢咦杩棺刺?。当瞬间电压超过其击穿电压时,TVS就会提供一个低阻抗的路径,并通过大电流方式使流向被?;ぴ骷乃布涞缌鞣至鞯絋VS二极管,同时将受?;ぴ骷蕉说牡缪瓜拗圃赥VS的箝制电压。当过压条件消失后,TVS又恢复到高阻抗状态。与陶瓷电容相比,TVS可以承受15 kV的电压,但陶瓷电容对高压的承受能力比较弱。5 kV的冲击就会造成约10%陶瓷电容失效,而到10 kV时,其损坏率将高达到60%。
1.2 TVS器件的主要参数
(1)最小击穿电压VBR
当TVS流过规定的电流时,TVS两端的电压称为最小击穿电压,在此区域,TVS呈低阻抗的通路。在25℃时,低于这个电压,TVS是不会发生雪崩击穿的。
(2)额定反向关断电压VWM
VWM是TVS在正常状态时可承受的电压,此电压应大于或等于被保护电路的正常工作电压。但它又需要尽量与被保护电路的正常工作电压接近,这样才不会在TVS工作以前使整个电路面对过压威胁。按TVS的VBR与标准值的离散度,可把VBR分为5%和10%两种,对于5%的VBR来说,VWM=0.85VBR腿;而对于10%的VBR来说,VWM=0.81VBR。
(3)最大峰值脉冲电流IPP
IPP是TVS在反向状态工作时,在规定的脉冲条件下,器件允许通过的最大脉冲峰值电流。
(4)箝位电压Vc
当脉冲峰值电流Ipp流过TVS时,其两端出现的最大电压值称为箝位电压Vc。Vc和Ipp反映了TVS的浪涌抑制能力。通常把Vc与VBR之比称为箝位因子(系数),其值一般在1.2~1.4之间。实际使用时,应使Vc不大于被?;さ缏返淖畲笤市戆踩缪?,否则被?;て骷媪俦凰鸹档目赡?。
(5)最大峰值脉冲功耗PM
PM通常是最大峰值脉冲电流Ipp与箝位电压Vc的乘积,也就是最大峰值脉冲功耗。它是TVS能承受的最大峰值脉冲功耗值。在给定的最大钳位电压下,功耗PM越大,其浪涌电流的承受能力越大。另外,峰值脉冲功耗还与脉冲波形、脉冲持续时间和环境温度有关。而且,TVS所能承受的瞬态脉冲是不可重复施加的。
(6)电容量C
TVS的电容是由其硅片的截面积和偏置电压来决定的,它是在1 MHz特定频率下测得的。C的大小与TVS的电流承受能力成正比,C太大,将使信号衰减。因此,电容C是数据接口电路选用TVS的重要参数。
(7)漏电流IR
IR是最大反向工作电压施加到TVS上时,TVS管的漏电流。当TVS用于高阻抗电路时,这个漏电流IR一个重要参数。
2 选用TVS的注意事项
在选用TVS时,根据电路的具体情况,一般应考虑以下几个主要因素:
首先,由于双向TVS可以在正反两个方向吸收瞬时大脉冲功率,并把电压箝制到预定水平。因此,若电路有可能承受来自两个方向的浪涌电压冲击时,应当选用双向TVS。双向TVS一般适用于交流电路,单向TVS一般用于直流电路。另外,箝位电压Vc不大于被保护电路的最大允许安全电压。
其次,就是最大峰值脉冲功耗PM必须大于电路中出现的最大瞬态浪涌功率。但是,在实际应用过程中,浪涌有可能重复地出现,在这种情况下,即使单个的脉冲能量比TVS器件可承受的脉冲能量要小得多,但是,如果重复施加,这些单个的脉冲能量积累起来,也可能在某些情况下超过TVS器件所能承受的脉冲能量。因此,在电路设计时,必须在这点上认真考虑并选用合适的TVS器件,以使其在规定的间隔时间内,重复施加脉冲能量的累积不至于超过TVS器件的脉冲能量额定值。
[page]
第三,在实际应用过程中,对最大反向工作电压必须有正确的选取,一般原则是以交流电压的1.4倍来选取TVS管的最大反向工作电压。直流电压则按1.1~1.2倍来选取TVS管的最高反向工作电压。
3 TVS在电路设计中的典型应用
在实际的应用电路中,处理瞬时脉冲对器件损害的最好办法,就是将瞬时电流从敏感器件引开。为达到这一目的,将TVS在线路板上与被保护线路并联。这样,当瞬时电压超过电路正常工作电压后,TNS将发生雪崩击穿,从而提供给瞬时电流一个超低阻抗的通路,其结果是瞬时电流通过TVS被引开,从而避开被保护器件,并且在电压恢复正常值之前使被?;せ芈芬恢北3纸刂沟缪埂T诖酥?,当瞬时脉冲结束以后,TVS二极管再自动恢复至高阻状态,整个回路进入正常电压状态。以下是TVS在电路应用中的几个典型实例。
3.1 TVS在交流电路中的应用
图1所示是一个双向TVS在交流电路中的应用电路。应用TVS可以有效地抑制电网带来的过载脉冲,从而起到?;ふ髑偶案涸刂兴性骷淖饔?。图1中的TVS箝位电压应不大于电路的最大允许电压。

图1 TVS用于交流电路
3.2 用TVS?;ぶ绷魑妊沟缭?/strong>
图2是一个直流稳压电源,在其稳压输出端加上TVS,可以?;な褂酶玫缭吹囊瞧魃璞?,同时还可以吸收电路中晶体管的集电极到发射极间的峰值电压,从而?;ぞ骞?。建议在每个稳压源的输出端增加一个TVS管,这样可以大幅度地提高整机的可靠性。

图2 TVS?;ぶ绷魑妊沟缭词道?/p>
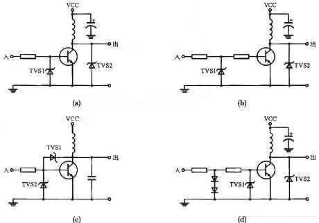
3.3 用TVS?;ぞ骞艿缏?/strong>
各种瞬变电压能使晶体管的EB结或CE结击穿而损坏,特别是晶体管集电极有感性(线圈、变压器、电动机)负载时,通?;岵哐狗吹缡疲蚨赡苁咕骞芩鸹?。在实际应用中,建议采用TVS作为保护器件。图3所示为TVS?;ぞ骞艿乃闹值缏肥道?。
3.4 集成电路的保护
由于现代IC的集成度越来越高,而其耐压则越来越低,因而很容易受到瞬变电压的冲击而损坏,故须采取?;ご胧MǔT贑MOS电路的输入端及输出端都有?;ね?,为了可靠起见,在各整机对外接口处也增加了各种保护网络。图4给出了用TVS对TTL及CMOS器件进行?;さ挠泄氐缏反胧?。

图3 基于TVS的晶体管?;さ缏?/p>
[page]
3.5 用TVS保护集成运放
集成运放对外界电应力非常敏感。因此,在使用运放的过程中,如果因操作失误或采取了不正常的工作条件,往往会出现过大的电压或电流,特别是浪涌和静电脉冲,从而很容易使运放受损或失效。图5所示是用TVS在运放差模输入端防止过压损伤的保护电路。

图4 TVS?;ぜ稍朔攀道?/p>
4 结束语
本文主要讲述了TVS器件的特性和主要参数,以及选用器件时的注意事项,同时给出了器件在电路设计中的典型应用电路,以便加深电路设计人员对TVS的认识,为设计出高可靠性的应用电路提供基础。虽然目前的TVS在国内的应用正处于推广阶段,但我们有理由相信,随着越来越多的设计者对TVS的认识不断加深以及TVS所表现出来的优异性能,TVS器件最终将获得极为广泛的应用。




