- 静电放电保护方案概览
- 抑制器技术比较
- 应用及终端产品
- 间隙技术(空气间隙)
高清电视及显示器的发展加速提高了信号传输速率,除此之外,USB 2.0以及USB 3.0等高速串行协议的应用也使信号速率在不断提高。随着信号速率的提高,以前传统的ESD?;ぜ际跻严缘霉?,多层压敏电阻、硅二极管的高电容、漏电流以及钳位电压已经不能提供准确可靠的?;?,以保证高速信号不发生明显的信号降级。
通过采用间隙技术(gap technology),特别是采用空气作为间隙,已经在低电容抑制器、更低漏电流、更低钳位电压等方面实现了可观的性能提升。总之,在重复多次或持续的 ESD事件后,聚合物间隙抑制器会降级,而空气间隙器件仍将保持非常低的电容、漏电流和触发电压,即使在1s事件间隔内经过1000次ESD事件,也能保持良好的性能。
静电放电保护方案概览
对于数据速率在350Mb/s或低于350Mb/s的应用,瞬态抑制二极管和多层压敏电阻是提供?;さ募醚≡?。这些应用包括标清LCD显示器、TFT显示器,以及大多数的计算机周边接口及连接。这些信号天生就允许高的插入损耗、高钳位电压和触发电压。鉴于电源引脚上并没有任何信号,因此,高速抑制相应并不是必需的。瞬态抑制二极管和多层压敏电阻也可以有效地?;は馯SB 2.0以及其他更高速率的接口电源引脚。但是,对于像DVI、HDMI、USB 3.0以及最新的IEEE 1394 A和B标准下的数据通信线路,实现最小信号失真的高速抑制响应对于系统性能和电路?;?/a>是至关重要的。这些应用包括数字视频设备、MP3播放器、手机、 PDA、网络交换器、有线和卫星电视机顶盒、打印机、扫描仪、复印机以及笔记本电脑和上网本等计算机设备。

图1 不同数据速率对应的静电放电抑制技术
表 1给出了在静电放电抑制器件中常用的几种核心技术的优点和缺点对比。聚合物静电放电抑制器件在各种技术中可提供最低的漏电流,可承受非常高的静电放电电压脉冲,但在多次静电放电事件后器件会开始降级。除此之外,该类器件相对高的触发电压和钳位电压(比空气间隙放电产品高出50~100倍)则意味着更多的静电放电脉冲能量可以通过被?;さ牡缏?。
表1 几种不同抑制器技术比较


多年以来,在多种电器设备中广泛应用多层压敏电阻来提供有效的静电放电抑制。多层压敏电阻相对较低的击穿电压和触发电压以及能经受多次脉冲的能力是相当令人满意的??墒?,多层压敏电阻具有较高的漏电流和电容,并且降低电容带来的有害影响导致其无法胜任高速数据的应用。[page]
基于硅的瞬态电压抑制器件工作在标准P/N结的击穿状态,相比基于聚合物-间隙(polymer- gapbased)的器件可提供相对低的触发电压和钳位电压。该类器件的泄漏电流比空气间隙器件(air-gap device)的高10~20倍,其相对较高的固有电容导致高信号失真和插入损耗?;诳掌湎兜钠骷谝陨咸致酃乃屑际踔锌商峁┳畹偷牡缛莺颓坏缪梗涔ぷ髟诹礁龅缂涞亩栊云寤鞔┳刺?。基于空气间隙的器件可以防止高达15kV的脉冲,它们在经历1000次脉冲冲击后性能特点也相当稳定(如图2 所示)?;诳掌湎兜钠骷孤┑缌髀愿哂诨诰酆衔?间隙的器件,但是其电容和插入损耗与聚合物器件相当或者稍好一些,并且其钳位电压和触发电压要低得多。

图2 基于空气-间隙的器件在经历1000次脉冲冲击后性能特点也相当稳定
应用及终端产品
许多高速数据应用和终端产品采用混合式保护方式,在数据和时钟线上采用基于间隙的器件,在电源连接部分采用多层压敏电阻或基于硅的瞬态电压抑制二极管。例如,USB接口的D+和D–线要求高速保护,这可以采用分立的芯片利用附加的多层压敏电阻或瞬态电压抑制器件用于VDD电源?;ぁC、笔记本电脑、上网本等产品中常常需要多个USB接口连接。
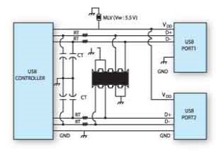
对于这些设备,两个分离的端口的数据线对(data line pairs)可以采用在USB控制器和端口之间的一个单芯片阵列来实现?;すδ埽ㄈ缤?所示)。理想情况下,静电放电抑制器件应该尽可能地在物理上靠近 USB端口,以保证提供合适的电路?;?。

图3 两个分离的端口的数据线对可以采用在USB控制器和端口之间的一个单芯片阵列来实现?;すδ?/div>
现在,在高清电视和显示器中,HDMI连接已经非常普遍。这些连接器共拥有19个引脚,包括:3个数据通道对(data channel pairs)(每个带一个地)、一个TMDS对(加上地)、DDC数据、时钟、CE远程线,所有这些都需要高速?;?。通过将2个数据通道对采用一个阵列,另一个数据通道对与TMDS时钟对采用一个阵列,则只需要两个静电放电抑制阵列,即可对8个高速连接提供有效的?;ぃO碌?个(DDC数据、时钟、CE 远程线)可以采用分立的静电放电抑制芯片来实现?;すδ堋?br />
数码相机、手机、PDA中常用的小型存储卡的?;は喽岳此稻捅冉霞虻チ?,唯一不同的一点要求是器件的尺寸要小,像0402尺寸的器件就可以很好地满足要求。
虽然0201尺寸的器件还不能确定什么时候会面市,但可以预见将来会出现0201尺寸的器件。对这些SIM卡,常用分立的高速抑制芯片来?;/O、时钟、复位引脚,而VCC电源引脚则采用多层压敏电阻或瞬态抑制器件来实现?;すδ堋?br />
由USB、HDMI、DVI以及其他的高速接口带来的更快的数据通信速率,使得过去传统的ESD解决方案不再有效。多层压敏电阻和基于硅的瞬态电压抑制器件具有太高的电容,导致无法保证高速数据通信时的不失真和插入损耗。新型的基于间隙的器件将有效电容大大降低,达到 0.05pF或者更低。此外,基于间隙的器件可提供非常低的漏电流和极高的稳定性,甚至可以经受上千次的ESD事件。近期的技术突破使得比聚合物器件具有更低电容和更低触发电压,以及钳位电压的基于空气间隙的ESD抑制器件成为现实。低触发电压和低钳位电压意味着可实现更精确的保护,以及更少的来自ESD 的能量到达敏感器件,以得到更长久的可靠性。




