- 电信设备电源热插拔和上电顺序控制
- 限制输入电流小于预设值,避免瞬态大电流冲击
- 瞬态电流则始终被控制在门限值以内
对于正在运行的电信设备或数据通信设备,在做电路板维护和升级、需要更换电路板时,都不能将整个系统断电,以保证通信或系统工作的连续性。这样就要求在背板带电的情况下进行电路板插拔,也就是热插拔,相应地带来了一些新的问题和设计要求。在电路板插入带电背板时,电路板电源输入滤波电容处于低阻状态。从背板流向电路板的瞬态冲击电流可能烧坏插座或板上器件,也可能瞬时拉低背板电源电压,引起系统掉电复位。因此需要特别设计热插拔控制电路以解决这些问题。

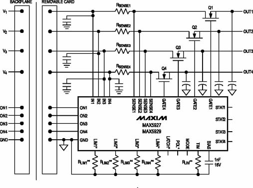
Maxim公司推出了一系列电源热插拔控制器,适应于各种背板电源的要求。MAX5927/5929是针对低压电源系统的+1V到13.2V的四通道热插拔控制器。在电路板热插拔时,MAX5927/5929控制输出电压缓慢升高,同时限制输入电流小于预设值,避免瞬态大电流冲击,保证了系统的安全性和稳定性。图1是典型应用电路图,图2是热插拔时的启动电压、电流波形??梢钥闯?,MOSFET的栅极电压受MAX5927/5929的控制,按照固定斜率上升,逐渐打开MOSFET,输出到电路板的电压也基本同步地按斜率上升,瞬态电流则始终被控制在门限值以内,避免了大的冲击电流的出现。启动时间和电流限值都可以简单地通过一个外部电阻来设定,为设计工程师提供了极大的灵活性。

正常启动之后,MAX5927/929对系统和电路板电源继续提供故障?;すδ堋Mü捎盟俾?双电平比较器,既可以在发生短路或严重过流故障时及时关断MOSFET,提供?;すδ埽挚梢员苊舛栽肷透涸厮蔡浠奈蠖?。
在低电压、多电源系统中,一般会有上电顺序的要求,MAX5927/5929提供三种工作模式,包括电压跟随模式、顺序上电模式和独立模式,来满足设计者的需要。在符合启动条件,无系统/电路板故障情况下,电压跟随模式保证所有四路通道在热插拔时,同时上电,如果有任何故障发生,不论是哪一个通道,所有通道同时断电。图3是电压跟随模式的时序图,可以看到所有四路电压同步跟随上升。

顺序上电模式则根据设计者的要求,顺序打开/关闭每一个通道。如果出现故障情况,则所有通道会被同时关闭,图4是顺序上电模式时序图。

在独立控制模式下,所有通道完全独立控制。当某一通道出现故障时,只有这一路电源才会进入?;ぷ刺?。





