- 串联锂电池?;は低掣攀?/strong>
- 各保护功能的实现方法
- 过放电?;?/strong>
- 过电流、短路?;?/strong>
- 过充电?;?/strong>
- 充电温度保护
1系统概述
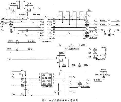
该保护系统采用精工电子三/四节串联锂离子可充电电池专用充、放电?;CS-8254构建一级保护。S-8254系列内置高精度电压检测电路和延迟电路,针对各节电池进行高精度电压检测,实现单节过充电?;ず偷ソ诠诺绫;?,并具备三段过电流检测功能,通过外接电容可设置过充电检测延迟时间、过放电检测延迟时间和过电流检测延迟时间1(过电流检测延迟时间2和过电流检测延迟时间3在芯片内部被固定)。该系统采用精工电子S-8244系列内置高精度电压检测电路和延迟电路的锂离子可充电电池二级?;ぷㄓ肐C实现电池的单节二级充电?;?,其保护延迟时间可通过外接电容的容值来设置。
图1为四节电池串联使用时的?;は低吃硗?。
[page]S-8254通过SEL端子可以实现电池三节串联用或四节串联用的切换;S-8244则通过电阻R22短路第四节电池电压检测端子VCC3和VSS即可用作三节电池串联使用时的二级?;?。
2各?;すδ艿氖迪?/strong>
S-8254系列充、放电?;さ缪购凸缌骷觳獾缪挂?0mV为进阶单位,S-8244系列过充电检测电压以5mV为进阶单位,系统根据不同场合的使用需求,可以选择相应适合的型号。现以图1?;は低澄?,采用S-8254AAVFT和S-8244AAPFN作为?;C,具体说明各?;すδ艿氖迪止獭?br />
2.1过放电?;?/strong>
通常状态下,S-8254放电控制用端子DOP为VSS(电池4的负电压)电位,放电MOS管QDISl,QDIS2处于导通状态,系统可正常进行放电工作。当检测到某节电池电压低于2.7V(VDLn),且这种状态保持在TDL(TDL时间由过放电检测延迟端子CDT外接电容CS决定)以上时,DOP端子的电压变为VDD(电池1的正电压)电位,放电MOS管关闭,停止放电,这种状态称为过放电状态。进入过放电状态后,VMP端子电压经电阻R3由负载下拉至VDD/2以下,S-8254转为休眠状态;断开负载后,VMP端子电压经电阻R9、充电MOS管QCHRl和QCHR2由VDD上拉至VDD/2以上且低于VDD,S-8254退出休眠状态。当所有电池电压都在3.0V(VDUn)以上时,过放电状态被解除,系统恢复正常放电工作。
2.2过电流、短路?;?/strong>
该系统采用2个并联的20mΩ功率电阻RS1,RS2用于过电流检测。当放电电流大于20A时,过电流1,2检测端子VINI和VSS之间的电压差大于过电流检测电位1VI0V1(O.2V),且这种状态保持在TIOVl(TIOVl时间由过电流1检测延迟端子CDT外接电容C3决定)以上时,DOP端子的电压变为VDD电位,放电MOS管关闭,停止放电,进入过电流1?;ぷ刺?。在过电流状态下,VMP端子电压经电阻R3由负载下拉至VSS;断开负载后,VMP端子电压经IC内部RVMD电阻被上拉至过电流检测电位3VIOV3(电池1的正电压VC1~1.2V)以上,过电流状态解除,系统恢复正常放
电。当放电电流大于50A时,VINI和VSS之间的电压差大于过电流检测电位2VIOV2(0.5V),且这种状态保持在TIOV2(1ms)以上时,进入过电流2?;ぷ刺?。当负载出现短路时,过电流3检测端子VMP的电压被瞬间拉至VIOV3以下(检测延迟时间TI0V3为300μs),系统进入短路?;?过电流3?;?状态。
2.3过充电?;?/strong>
为了确保电池的安全性,该系统对于过充电状态采取了两级?;ご胧J紫?,当检测到某节电池电压高于4.05V(VCU2n),且这种状态保持在TCU2(TCU2时间由S-8244过充电检测延迟端子ICT外接电容C16决定)以上时,S-8244充电控制用端子CO输出动态“H”,二级充电MOS管QCHR2关闭,停止充电,这种状态称为过充电状态;进入过充电状态后,当所有电池电压都在3.80V(VCL2n)以下时,过充电状态解除。若因某种原因导致S-8244?;な?,则S-8254过充电?;ど?,当检测到某节电池电压高于4.25V(VCUln),且这种状态保持在TCUl(TCUl时间由S-8254过充电检测延迟端子CCT外接电容C2决定)以上时,S-8254充电控制用端子COP变为高阻抗,一级充电MOS管QCHRl的G极被外接电阻R2拉高,QCHRl关闭,进入过充电状态;当所有电池电压都在4.15V(VCLln)以下时,过充电状态解除。
2.4充电温度保护
为了确保充电时的安全性和延长电池的使用寿命,电池的充电温度应控制在O~45℃之间为宜。该系统采用一个负温度系数的NTC温度传感器RES和一个2路比较器LM393来实现充电温度?;ぃ湓硗既缤?所示:当充电温度位于O~45℃之间时,LM393的两路比较器输出均为高阻态,PNP型三极管Q1关断,对充电电路不产生影响;随着温度的升高,RES阻值逐渐变小,当温度大于45℃时,LM393下面一路比较器反转,输出低电平,通过二极管D6将Q1的B极拉低,Q1导通,充电MOS管QCHRl的G极C_QCHR被强制拉高,QCHRl关闭,停止充电;同样,随着温度的降低,RES阻值逐渐变大,当温度小于O℃时,LM393上面一路比较器输出低电平,通过二极管D5将Q1导通,从而关闭QCHRl,停止充电。[page]

2.5其他保护功能
该系统通过一些简单有效的电路设计,巧妙地实现了所需的某些?;すδ?。
2.5.1放电温度保护
为了确保电池的使用安全性,需对电池的放电温度进行限制。该系统在放电MOS管QDISl,QDIS2的G极C_QDIS和VDD之间连接了一个常开型可恢复温度保险丝F1。通常状态下F1保持开路。不影响正常放电;当电池温度高于75℃时,F1闭合,C_QDIS与VDD导通.放电MOS管关闭,停止放电,从而实现放电温度保护功能。
2.5.2充电防反接?;?/strong>
若误将充电器的正、负极反接入系统中,则会由充电器和电池共同形成一个大电流回路,导致元器件损坏,甚至带来更大的安全危害。该系统在充电回路中串接进一个防反接二极管D1,这样即使充电器反接,因此时CHRl的电位将高于CHR+,由于二极管D1的存在,系统将构不成回路,从而对其起到了?;ぷ饔?。
2.5.3充电时禁止放电
系统在连接充电器进行充电的过程中若允许其进行放电工作,可能会带来不必要的安全隐患,因此该系统在充电器的正极输入端CHR+和C_QDIS之间接入了一个二极管D4。在未连接充电器时,CHR+悬空,对放电工作不产生影响;当连接充电器进行充电时,C_QDIS通过D4被CHR+强制拉高,QDISl,QDIS2关闭,禁止放电。
锂离子可充电电池以其特有的性能优势已经在多个领域中得到了普遍应用,可以预计其必将成为21世纪的主要动力电源之一。随着锂离子可充电电池工业的发展,保护系统作为其不可分割的一部分必将起到越来越重要的作用。


