- 外加电流阴极?;は低臣蚪?/strong>
- 半桥电压型PWM控制方案保护的选择
- ?;た刂频缏返纳杓?/strong>
当前,城市燃气、输油、输水、电力电缆、通讯光纤等埋地管线越来越密集复杂,管道防腐层由于埋地时间长而出现老化、脱落,造成管道腐蚀、穿孔,引发泄漏,爆炸等,从而造成不可估计的损失。
传统的管道防腐方法是在管道上涂上油漆或缠绕复合材料作为防腐绝缘层,采用这种方式防腐的管道因防腐层容易脱落和易受腐蚀,故其使用寿命短,施工繁琐,防腐效果差。现代的管道防腐一般采用电化学原理,实行阴极?;さ姆椒?,向被?;そ鹗艄艿劳ㄈ牒鲜实闹绷鞯?,使其对于阳极接地装置变成一个大阴极,对保护管道形成?;さ缥?,从而使腐蚀降低到最低限度,进而延长管道的使用寿命。
随着微电子技术、计算机技术和信息技术的不断发展,以及系统可靠性和容错技术的提高,开发研制具有安全性好、可靠性高、不间断供电、少维护甚至免维护、智能化、适于远程集中控制的新一代埋地管线防腐电源,就显得非常必要,而且迫在眉睫!这也是本文研究的关键所在。
外加电流阴极?;は低?/strong>
从阴极保护原理中得知,由外部直流电源向被?;さ慕鹗艄怪锸┘右跫缌?,可使其发生阴极极化,达到降低甚至完全抑制金属腐蚀的目的。由此决定了外加电流阴极?;は低车?个组成部分:直流电源,辅助阳极和被?;さ囊跫?。如图1为埋地管线外加电流阴极保护系统。

半桥电压型PWM控制方案的选择
1PWM开关变换技术简介
随着功率开关器件的全控化,电力电子技术已经进入了逆变时代。电力开关变换技术始终是电力电子技术的重要组成部分,也一直是人们的重点研究方向,目前比较有代表性的电力开关变换技术有脉冲宽度调制(PWM)、脉冲频率调制(PFM)和混合调制方式(PWM和PFM的混合)。

PWM是脉冲宽度调制(PulseWidthModulation)的简称,这种方式采用恒定开关频率(即恒定开关周期),用改变导通脉冲宽度,即通过改变Ton或Toff来改变导通比。PWM控制方式以其电路简单、控制方便从而在DC/DC和DC/AC电路中获得了极为广泛的应用。脉宽调制型控制电路的基本结构如图2所示。[page]
2电力开关变换器拓扑电路分析
PWM型电力开关变换器通常分为两类,一类是基本的DC—DC变换器,即通常所说的无变压器式时间比例控制(TRC)变换器;另一类是由变压器和开关组成的直流变换器,它是在各种基本的DC—DC变换器中嵌入变压器以实现不同的功能要求。
按照变换功能可将DC—DC变换器分为两种,一种是电压-电压变换器,即这种变换器输入是一个电压源,输出也是一个电压源。属于这种类型的有Buck变换器、Boost变换器和Buck-Boost变换器;一种是电流-电流变换器,即这种变换器输入是一个电流源,输出也是一个电流源。属于这种类型的有Cuk变换器、带有输入滤波器的Buck变换器和带有输出滤波器的Boost变换器。
3半桥型功率变换器的工作原理

本文选用半桥电路的拓扑结构形式,采用电压型反馈控制模式。 半桥电路的原理图如图3。
主电路设计
1输入级的结构设计

在开关整流模块中,输入级的结构如图4所示。从图中可知,此部分主要由熔断器、浪涌电压抑制电路、自动空气开关、合闸控制电路、抗EMI电路等组成。
2主开关器件的选择
目前,在逆变电路中被广泛应用的电力电子开关器件主要有SCR,TRIS,GTO,GTR,VMOSFET和IGBT。由于他们的电流容量和开关速度各不相同,所以他们在逆变电路中其中的应用范围也不相同。在设计中,电源输出功率为500W,逆变频率为100KHz,根据以上原则,主开关器件选用VMOSFET,VMOSFET型号选择为IRFP450。
3驱动电路的选择
在大功率场合,VMOSFET的驱动电路不论是分立器件还是集成电路,主要采用光电耦合或变压器耦合方式。而光电耦合型驱动电路存在抗干扰能力差,信号传输频率低等缺点(一般不超过20KHz);当本电路中开关频率为100kHz,采用变压器耦合驱动具有经济实用的优点。
本设计中,选用变压器驱动方式,变压器选用的是EI-28铁氧体磁芯(宽28mm×高20.5mm×厚11.0mm)。由于SG3525A的供电电压15V,驱动变压器的副边绕阻需要稍许降压,并且在栅极与源极之间并联箝位稳压二极管,以防范栅极浪涌电压损坏IRFP450功率开关管,如图5所示。

图5 半桥变换器驱动电路
[page]
控制电路设计
1电压模式的PWM控制器SG3525A简介
本设计中的脉宽调制器是按反馈电压调节脉宽的。在脉宽比较器的输入端直接用流过输出电感线圈电压的信号与误差放大器输出信号进行比较,从而调节占空比使输出的电压跟随误差电压变化而变化??刂破鱏G1525/7A是目前比较理想的新型的控制器,其中3字头编号(如3525/7)为民用品,是美国硅通公司率先制造出来的。我国相应的型号为CW1525A和CW1327。SG3525A是标准的16脚DIP封装芯片。
2SG3525A控制电路
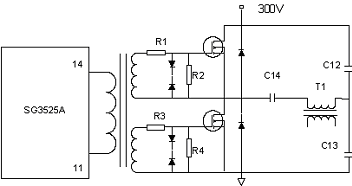
SG3525A的接法见图6。

监控系统设计
1监控系统的硬件设计
监控系统的硬件结构框图如图7所示:

图7硬件结构框图
监控系统选用SCB-31-5计算机板和通用键盘显示板。
SCB-31-5的资源有8031、74LS373、2764、6264、ADC0809、DAC0832各一片,时钟为6MHz;通用键盘显示采用8279(通用键盘/显示接口芯片)。8279能与8031的数据总线直接连接,不占用CPU时间,能自动完成扫描显示。
2监控系统软件设计
本监控系统的任务主要是完成如下功能:
(1)实现防腐电源输出电压给定信号的设置;
(2)显示采样电压;
(3)显示采样电流;
(4)显示当前功率值。
本设计根据阴极保护工艺的要求,研究了高频开关电源的基本原理,并结合计算机控制技术,设计出一种新型的防腐电源系统以代替老式的相控电源系统。该设计简单、可靠,且成本低,可广泛用于埋地管线防腐工程。




