【导读】在数据中心、无线基站、医疗设备等高端电子系统中,电源的安全性、高效性与智能性已成为核心需求。数据中心需要高功率密度的电源支持多服务器运行,同时要防止恶意篡改保障系统稳定;医疗设备需要精确的电压输出与低噪声,确保诊断或治疗的准确性。德州仪器(TI)推出的TPS546D24S同步降压转换器,作为SWIFT?系列PMBus?产品线的进阶产品,以高安全设计、宽压高流性能与智能数字接口,成为应对这些需求的理想解决方案。它不仅继承了前作TPS546D24A的高效特性,更在安全性与灵活性上实现了突破,为高端电源系统提供了更可靠的选择。
一、高安全设计:从硬件到协议的全方位防护
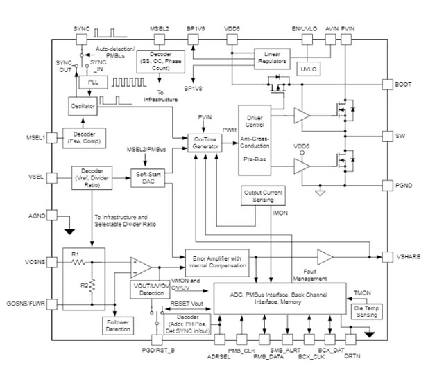
在数字化时代,电源系统的安全已不再局限于硬件的过压过流保护,更需要抵御来自协议层的恶意攻击。TPS546D24S的安全设计贯穿硬件电路与通信协议,形成了一套全方位的防护体系。
从硬件安全来看,TPS546D24S集成了扩展写?;すδ?/span>,通过硬件引脚与内部逻辑的结合,防止未经授权的PMBus命令修改关键配置(如输出电压、电流限制)。这种设计对于数据中心尤为重要——如果电源系统的PMBus配置被恶意篡改,可能导致服务器过压损坏或?;?,给企业带来巨大损失。而扩展写?;すδ苣苡行ё瓒险庵址缦?,确保配置的完整性。
从协议安全来看,TPS546D24S支持制造商特定的PMBus命令,这些命令仅能由TI授权的工具或系统调用,避免了通用PMBus命令的滥用。例如,修改非易失性存储器(NVM)中的配置数据,必须使用制造商特定命令,防止恶意用户通过通用命令篡改电源参数。此外,TPS546D24S还具备故障记录与报警功能,当检测到过压、过流或过热时,会立即触发报警,并将故障信息存储在NVM中,便于工程师后续分析,提升系统的可维护性。
这些安全特性的组合,使TPS546D24S成为高安全电源系统的核心元件,尤其适合数据中心、金融机构等对安全要求极高的场景。
二、电气性能:宽压高流的高效功率输出
作为同步降压转换器,TPS546D24S的电气性能直接决定了其适用范围与效率。它的宽输入电压范围(PVIN:2.95V-16V,AVIN:2.95V-18V)与高输出电流能力(单芯片40A,多相堆叠可达160A),使其能适应从便携式设备到大型数据中心的多种电源需求。
宽输入电压的优势在于兼容性。例如,数据中心的电源系统通常采用24V直流电源,但部分边缘计算设备可能使用12V电源,TPS546D24S的16V输入上限能轻松适应这些场景,无需额外的电压转换电路。而高输出电流则支持多相堆叠,通过将多个TPS546D24S并联,可实现160A的输出电流,满足数据中心服务器的高功率需求(如高端服务器的CPU电源需要100A以上的电流)。
此外,TPS546D24S内置的4.5mΩ/0.9mΩ MOSFET,大幅降低了开关损耗与导通损耗。例如,在40A输出时,MOSFET的导通损耗仅为I2R=402×0.0045=7.2W,远低于传统转换器的10W以上,提升了电源效率(可达95%以上)。平均电流模式控制则确保了系统的稳定性——无论是负载突变(如服务器突然启动)还是输入电压波动,平均电流模式都能快速调整占空比,保持输出电压稳定,避免电压过冲或跌落对敏感元件(如CPU、内存)造成损坏。
这些电气特性的组合,使TPS546D24S成为高效电源系统的首选,尤其适合需要高功率、高稳定性的场景。
三、数字接口:PMBus带来的灵活与智能
TPS546D24S的PMBus接口是其区别于传统模拟转换器的核心优势,它将电源的配置、监控与故障处理提升到了数字智能的层面。
PMBus的配置灵活性体现在可定制化参数上。工程师可以通过PMBus命令调整输出电压(如从1.8V调整到2.5V)、设置电流限制(如将40A限制到30A)、配置故障响应方式(如过压时关闭输出或报警)。这种灵活性使TPS546D24S能适应不同负载的需求——例如,医疗设备中的MRI机器需要1.2V的精确电压,而数据中心的服务器可能需要1.8V的电压,通过PMBus即可轻松切换。
实时监控功能是PMBus的另一大优势。通过PMBus,工程师可以实时查看输出电压、输出电流、内部裸片温度等关键参数,甚至可以监控MOSFET的结温(通过内置的温度传感器)。这种实时监控能帮助工程师提前预警故障——例如,当裸片温度超过85℃时,系统可以自动降低输出电流,避免过热损坏;当输出电流超过限制时,系统可以触发报警,提醒工程师检查负载。
此外,PMBus支持自适应电压调节(AVS) 与裕量调节。AVS功能可以根据负载的需求动态调整输出电压——例如,当服务器处于轻负载时,降低输出电压(如从1.8V降到1.5V),减少能耗;当处于重负载时,升高输出电压,确保性能。裕量调节则可以在生产过程中调整输出电压的误差(如将输出电压的误差从±1%缩小到±0.5%),提高电源的精度,适合医疗设备等对电压精度要求极高的场景。
PMBus的这些功能,使TPS546D24S成为智能电源系统的核心,尤其适合需要灵活配置、实时监控的场景。
四、应用场景:从数据中心到医疗的精准适配
TPS546D24S的高安全、高功率、智能特性,使其能适应多种高端场景,其中最典型的是数据中心与医疗设备。
在数据中心中,TPS546D24S的多相堆叠能力与高输出电流能支持服务器的高功率需求(如高端服务器的CPU电源需要100A以上的电流)。同时,其安全特性(如扩展写?;ぁ⒅圃焐烫囟睿┠芊乐苟褚獯鄹?,保障数据中心的稳定运行。此外,PMBus的AVS功能可以动态调整输出电压,减少服务器的能耗——据TI测试,使用AVS功能后,服务器的能耗可降低5%-10%,对于拥有数千台服务器的数据中心来说,这意味着每年节省数百万的电费。
在医疗设备中,TPS546D24S的精确电压调节(全温度范围内误差<1%)与低噪声(输出纹波<50mV)能满足医疗设备的需求。例如,MRI机器需要1.2V的精确电压来驱动梯度线圈,TPS546D24S的高精度输出电压能确保梯度线圈的稳定运行,提高图像质量;输液泵需要低噪声的电源来驱动电机,TPS546D24S的低纹波输出能避免电机振动,确保输液速度的稳定。
此外,TPS546D24S的封装兼容性(与TPS546D24A直接兼容)使其能轻松替换旧款产品,减少设计成本。例如,数据中心的电源系统如果使用了TPS546D24A,只需将其替换为TPS546D24S,即可获得更安全、更智能的特性,无需修改PCB布局。
结语:高安全数字电源的进阶之选
TPS546D24S同步降压转换器作为德州仪器SWIFT?系列的进阶产品,以高安全设计、宽压高流性能、智能PMBus接口,成为高端电源系统的理想选择。它不仅解决了传统电源系统的安全隐患(如恶意篡改、故障无法预警),更通过数字智能提升了电源的灵活性与效率(如AVS功能、实时监控)。
从数据中心到医疗设备,TPS546D24S的精准适配性使其能满足不同场景的需求——无论是数据中心的高功率需求,还是医疗设备的高精度需求,它都能提供可靠的解决方案。对于工程师来说,选择TPS546D24S,不仅是选择了一款高效的同步降压转换器,更是选择了一套高安全、智能的电源系统解决方案。
推荐阅读:
千伏级绝缘破局者:TDK InsuGate B78541A25重构功率??榘踩呓?/a>
革新三电平架构!瑞萨RAA489300系列突破USB-C电源密度极限
革新HDMI传输瓶颈:Diodes混合式ReDriver破解高速信号衰减难题
毫米空间的微米革命:多维AMR4020VD如何破解精密运动控制的安装困局
Bourns PEC0x系列破壁:4mm全球最小编码器登陆TWS耳机,50万次寿命重塑人机交互




