【导读】随着智能汽车、物联网和移动设备的快速发展,MIPI总线技术已经成为现代电子系统中不可或缺的一部分。MIPI(Mobile Industry Processor Interface)协会自2003年成立以来,一直致力于开发移动及相关产品的接口标准。如今,MIPI标准不仅在智能手机中广泛应用,还在汽车、物联网等领域发挥着重要作用。本文将介绍MIPI总线的核心技术、应用场景以及测试解决方案。
随着智能汽车、物联网和移动设备的快速发展,MIPI总线技术已经成为现代电子系统中不可或缺的一部分。MIPI(Mobile Industry Processor Interface)协会自2003年成立以来,一直致力于开发移动及相关产品的接口标准。如今,MIPI标准不仅在智能手机中广泛应用,还在汽车、物联网等领域发挥着重要作用。本文将介绍MIPI总线的核心技术、应用场景以及测试解决方案。

图1. MIPI标准族在汽车中的应用
MIPI总线在汽车领域的应用场景
在汽车领域,MIPI标准的应用范围不断扩大,涵盖了摄像头、音视频传输、无线互联、车载网络、存储和传感器等多个场景。随着自动驾驶和智能座舱技术的发展,MIPI标准的重要性愈发凸显。例如,MIPI的C-PHY、D-PHY和M-PHY等物理层标准,为高级辅助驾驶系统(ADAS)和智能座舱中的高清视频传输提供了技术支持。

图2. MIPI多个物理层规范信号特征一览
MIPI D-PHY:灵活的物理层标准
MIPI D-PHY是一种可扩展的物理层标准,广泛应用于相机和显示器接口。它支持差分(高速)和单端(低功耗)模式,能够在传输大量数据或节省电力之间灵活切换。D-PHY接口支持单工或双工配置,并可根据需要配置多个数据通道。

图3. MIPI D-PHY信号示意图
D-PHY信号包括高速模式(HS mode)和低功耗模式(LP mode)。在高速模式下,数据信号通过差分传输,信号摆幅约为200mV,支持高达4.5Gbps的数据速率。而在低功耗模式下,信号切换为单端模式,信号摆幅为1.2V,最大速率为10Mbps。
MIPI协会为D-PHY制定了一致性测试规范(CTS),以确保不同设备之间的互操作性。测试内容包括数据通道和时钟通道的信令测试、时序要求以及HS和LP模式之间的切换测试。
MIPI C-PHY:高带宽的三相符号编码
C-PHY是MIPI联盟推出的另一种物理层标准,采用三相符号编码,通过三条信号线实现更高的信道容量。与D-PHY的差分信号不同,C-PHY的每个符号可以传输约2.28比特的数据,显著提高了带宽利用率。

图4. MIPI C-PHY高速信号实例
C-PHY的数据通道由A、B、C三根线组成,每个符号通过三线编码实现更高的数据传输效率。C-PHY同样支持HS和LP模式,并具备与D-PHY类似的模式切换特性。
C-PHY的一致性测试标准(CTS)也已更新至2.1版本。测试内容涵盖发射机的电气特性、时序要求以及数据传输的完整性。

图5. MIPI C-PHY 端到端数据传输过程
针对MIPI D-PHY多条差分总线的测试,需要利用三根或四根探头完成对数据和时钟信号的探测,如果时钟是连续时钟,至少需要三根探头完成探测,如果时钟是Normal非连续时钟,需要四根探头完成测试;然后利用 D-PHY Tx物理层一致性测试软件完成全自动化测试。
大多数情况采用左下图的连接方式。待测物是一个完整的系统,里面包含D-PHY的Controller和Device,探头在不破坏系统工作状态的情况下,连接待测物并测量信号质量;如果被测的芯片,可能采用右下图的连接方式,芯片通过评估板来测量信号质量,只有一个D-PHY controller 芯片和一些外围电路,通过评估板上的SMA接头将信号引出。需要在评估板外接一块终端板(Termination Board)来提供D-PHY的动态端接,探头连接在端接板上的测试点进行信号观测。

图6. MIPI D-PHY信号连接方式选择

图7. D-PHY和C-PHY测试配置
MIPI M-PHY:面向高性能存储的接口
随着自动驾驶和智能座舱对数据存储需求的增加,MIPI M-PHY作为一种高性能存储接口,逐渐成为车载存储的首选标准。M-PHY支持多种工作模式和速率,适用于通用闪存存储(UFS)等应用。
M-PHY定义了LANE作为单向传输通道,支持差分信号传输。它采用NRZ和PWM两种信令模式,并支持多种速率的GEAR模式。M-PHY还具备灵活的省电模式和突发数据传输特性。
泰克公司提供的M-PHY测试解决方案能够满足最新的CTS标准要求,支持多种信号类型和速率的测试。其自动化测试软件和硬件设备能够有效降低测试难度,提高测试效率。

图8. MIPI M-PHY在车载存储上的应用
下图给出了M-PHY架构的示意图。

图9. M-PHY架构的示意图
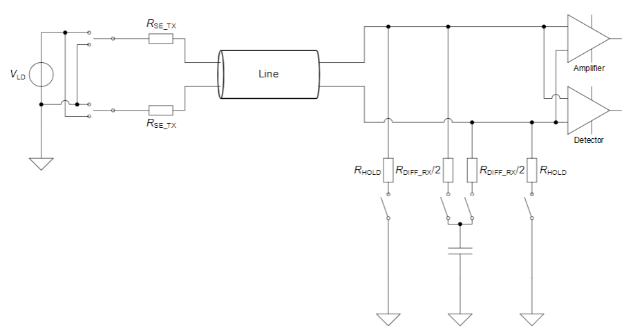
如上所述,在LINE上传输的是差分信令信号,其差分的正向或者负向电平标记为DIF-P或者DIF-N;但在差分线上也存在有M-RX保持的差分零电压状态,记为DIF-Z;而LINE上的电压处于浮动状态或没有模组驱动时记为DIF-Q。在进行数据传输时,只有DIF-P以及DIF-N的状态,DIF-Z只在上电以及省电状态下存在。

图10. M-PHY端接示意图
如上图所示,M-TX发射机通过RSE-TX进行端接驱动,但在SLEEP以及STALL状态下也存在更高阻抗RSE-PO-TX。作为接收机则不需要一直保持端接,但在HS-MODE高速状态下必须端接,这点也类似与D-PHY及C-PHY,具备可切换的端接形式。如果M-RX进行了阻抗端接那么DIF-P状态可以标记为DIF-PRT,否则就是DIF-PNT,对于DIF-N状态也是如此进行标记。
M-PHY除了进行差分的信令传输以外,它的信令模式也包含了NRZ以及脉宽调制PWM两种模式。对于PWM调制模式,其特性就是自带时钟属性,因为每一个传输的符号中都包含了信号的跳变,也就是每个符号中都包含了DIF-P以及DIF-N的状态。如下图所示:

图11. M-PHY PWM信令模式示意
对于M-PHY来说,与D-PHY以及C-PHY类似,以突发进行数据传输,包含了HS-MODE高速模式以及LS-MODE低速模式。而取决于LS-MODE采用什么样的信令格式,M-PHY的模组又分为TYPE-I及TYPE-II模式,两种模式互斥:
TYPE-I, LS-MODE采用PWM信令模式,需要共享的参考时钟;
TYPE-II,LS-MODE采用NRZ信令模式,记为“SYS”模式,需要共享的参考时钟。
M-PHY中的每个模组支持的多种以GEAR命名的速率,考虑到EMI的问题,每个GEAR包含了两个速率;GEAR的速率会相对与上一个GEAR翻倍,并向下兼容所有GEAR的速率。完全的工作模式和选项如下图所示:

图12. M-PHY MODULE功能选项列表
M-PHY信号由于存在Type-I以及Type-II两种LS-MODE,所以在状态机上有一定区别,但是在传输上都包含两种模式:HS-MODE以及LS-MODE;其中包含了数据传输的BURST状态以及不同模式的省电状态。在HS-MODE中的省电状态为STALL状态,而在LS-MODE中为SLEEP状态。因此每个模式总结起来包含如下所列的状态:
HS-MODE: STALL, HS-BURST
LS-MODE (Type-I MODULE): SLEEP, PWM-BURST
LS-MODE(Type-II MODULE): SLEEP,SYS-BURST
简要的来说,M-PHY的状态机如下图中的Type II M-TX的示例,实际上对于M-PHY的每个状态机都包含了5个不同的省电(SAVE)状态,如图中蓝色状态所示;同时状态机中也包含LINE-REST状态来进行特殊的状态打断;而在HS-MODE以及LS-MODE也如上所示,有自身的省电状态以及数据突发传输状态。

图13. M-PHY状态机示例-Type-II M-TX
泰克自动化测试软件通过简单快捷的五步操作完成对软件的设置,同时还提供了很大的灵活度方便不同的客户需求,比如快捷的测量项目和测试速率选择、自定义的信道甚至均衡滤波器的引入、各个测试项的测试设置、自定义眼图模版导入等等,使得客户在不同的应用场景以及产品研发的不同阶段可以进行不同程度的测试和调试。

图14. 灵活的M-PHY测试软件
同时整个测试方案还支持单端、差分等不同测试连接、并可采用泰克的Trimode三模探头P76xx或者P77xx系列进行灵活的连接:

图15. M-PHY Tx灵活的连接方式部分示例
除了一致性软件以外,泰克的M-PHY解决方案还包含了功能强大的调试工具SDLA软件以及抖动与眼图分析软件DPOJET,使得客户可以在调试的时候直接采用自动化测试软件背后的这些工具进行更为灵活的均衡、信道模拟、眼图和抖动分析与推算:

图16. 灵活的抖动眼图及链路模拟工具包
MIPI A-PHY:面向长距离传输的SerDes标准
MIPI A-PHY是一种针对汽车应用的长距离串行器-解串器(SerDes)物理层接口,能够实现长达15米的高速数据传输。A-PHY支持多种数据速率,并具备高性能、低功耗和高可靠性的特点。
A-PHY关键技术优势
长距离传输:支持长达15米的连接。
高性能:支持高达16Gbps的数据速率。
功能安全:满足汽车功能安全标准(ASIL)。
高抗干扰能力:具备优异的电磁兼容性。
A-PHY可直接有效地承载MIPI CSI-2和DSI-2协议,短期内,可通过桥接芯片实现A-PHY,D-PHY/C-PHY的共存组网,以降低生态系统的复杂性和成本,如下图:

图17. A-PHY可直接有效地承载MIPI CSI-2和DSI-2协议
未来,摄像机,SoC和显示器等终端可本地支持集成的A-PHY并消除桥接芯片,如下图,摄像头像素流通过A-PHY利用CSI-2直接传输到ECU。ECU对叠加图形进行图像信号处理,并将视频流发送到一个或多个显示器。这时可以使用MIPI DSI-2或VESA DP/eDP通过A-PHY传输数据:

图18. 摄像头像素流通过A-PHY利用CSI-2直接传输到ECU
A-PHY的出现是由于当前汽车应用的DPHY/CPHY不能解决应用中的一些问题。而且APHY的定义也是非常清楚,先替代桥接芯片,然后去掉桥接芯片。除汽车用途外,该规范还将非常适合物联网和工业等应用。
泰克公司的MIPI测试解决方案
泰克公司作为全球领先的测试测量设备供应商,提供了一系列针对MIPI总线的测试解决方案。其产品包括高性能示波器、自动化测试软件和探头,能够满足从研发到生产的全场景测试需求。
泰克MIPI测试解决方案特点
自动化测试软件:支持多种MIPI标准,简化测试流程。
高性能示波器:提供高带宽和高精度测量。
灵活的探头选择:适用于多种信号类型和测试环境。
例如,对于M-PHY的整体测试方案,由泰克MSO/DPO70000 DX/SX示波器、探头以及整个测试套件构成,大致的测试方案构成如下所示:

图19. 泰克M-PHY40/50自动化测试方案大致构成
总的来说,泰克的M-PHY自动化测试方案覆盖了最新的M-PHY50测试标准,解决工程师灵活的测试需求,让工程师在进行M-PHY测试过程中降低学习、使用成本,并具备优异的调试能力,使得产品在最短的时间内得到完善的设计、测试和投放。
泰克公司为A-PHY提供全面的测试解决方案,涵盖发射机和接收机测试。其测试软件支持多种速率和信令模式,能够满足不同应用场景的需求。

图20. A-PHY测试解决方案
结语
MIPI总线技术在智能汽车、物联网和移动设备中的应用不断拓展。随着技术的不断演进,MIPI标准将继续为高性能、低功耗的数据传输提供支持。泰克公司凭借其先进的测试解决方案,为工程师提供了强大的工具,助力MIPI技术的开发和应用。
免责声明:本文为转载文章,转载此文目的在于传递更多信息,版权归原作者所有。本文所用视频、图片、文字如涉及作品版权问题,请联系小编进行处理。
推荐阅读:
低成本变频技术赋能洗碗机 BLDC电机能效提升30%的解决方案
破局者登场!中国芯企"逆向突围"造90%性能怪兽,ARM断供反成催化剂?





