【导读】低压差(LDO)稳压器在智能手机、可穿戴设备和其他便携式小型设备等现代电子产品中发挥着至关重要的作用。由于其效率和可靠性,它们在系统级芯片(SoC)架构中的集成变得越来越普遍。然而,片上LDO选项和特性种类繁多,使得选择过程变得十分复杂。
低压差(LDO)稳压器在智能手机、可穿戴设备和其他便携式小型设备等现代电子产品中发挥着至关重要的作用。由于其效率和可靠性,它们在系统级芯片(SoC)架构中的集成变得越来越普遍。然而,片上LDO选项和特性种类繁多,使得选择过程变得十分复杂。
在选择LDO之前,明确定义IC设计的具体要求非常重要。需要考虑电压调节需求、电源效率、噪声敏感度和物理约束等因素。要为您的应用选择合适的LDO,您必须首先明确具体要求并确定关键标准。
来源:Agile Analog
要确定最佳LDO,就必须了解现有的各种类型及其独特特性。
LDO的类型
可编程LDO
这些LDO允许通过外部电阻或通过控制输入以数字方式设置输出电压。通常见于具有多种电源模式的应用中,在活动模式下需要一个电压,在睡眠模式下需要另一个电压。
固定输出LDO
这些LDO提供由制造商预先确定的固定输出电压。使用简单,通常用于始终需要特定电压的应用中。
超低压差LDO
LDO的设计压差小于200mV。非常适合需要通过最小化输入和输出之间的电压损失来实现高效率的应用,通常用于为需要由DC-DC驱动的大电流的应用提供额外的电源抑制。
低噪声LDO
这些LDO提供稳定的输出,且电气噪声极小。常用于敏感的模拟电路、RF电路和其他噪声敏感型应用。
高PSRR LDO
具有高电源抑制比(PSRR)的LDO旨在抑制输入电源的变化和噪声。通常见于输入电源质量不可靠且驱动电路敏感的应用中,例如音频和通信系统。
无电容LDO
大多数LDO都需要片外输出电容器才能有效运行。无需片外输出电容器即可提供所需性能的LDO称为无电容LDO。无电容LDO非常适合对空间要求严格的应用,例如智能手机和可穿戴设备。
外部偏置LDO
这些LDO需要在输出端(有时在输入端)使用外部电容器来确保稳定性。适用于高输出电流应用,或需要精确性能调整的应用,例如敏感模拟电路、RF应用和高性能数字系统。
大电流LDO
与标准LDO相比,它们可以提供更高的输出电流。通常用于需要大量电流的应用,例如为微处理器或其他高功率组件提供数字电源。
低静态电流LDO
LDO旨在在无负载时消耗极低的静态电流。最适合电池供电设备中的常开域,在这些设备中,电源效率和电池寿命至关重要。
关键性能指标
选择LDO时,需要考虑一些基本因素,以确保所选的LDO满足您的应用的特定要求。
漏失电压
这是LDO正常调节所需的输入和输出电压之间的最小差值。尽管LDO设计为在低压差下工作,但输入和输出电压之间仍然需要最小差值。较低的压差有利于提高效率,并且对于低输入电压应用至关重要,但通常会导致噪声和PSR受损。
静态电流
这是LDO未提供负载电流时消耗的电流。低静态电流对于电池供电应用至关重要,可最大程度延长电池寿命。高静态电流会降低整体效率和电池寿命。
负载调节
这衡量了LDO在负载电流变化时保持恒定输出电压的能力。LDO必须保持稳定的输出电压,而不管负载电流如何变化。高瞬态负载会导致输出电压变化,这可能会对敏感电子元件造成损害。
线路调节
这是为了在输入电压发生变化的情况下保持恒定的输出电压。这些变化会影响输出电压。虽然LDO通常提供良好的线路调节,但输入电压的大幅波动可能会带来挑战。
因此,牢记这些关键事项非常重要。
输出电压精度
检查容差和参考电压精度,确保LDO能够高精度地提供所需的输出电压。LDO的效率与输出电压与输入电压之比直接相关,这会导致功率损耗和发热。
最大输入电压
确保LDO的最大输入电压额定值高于其在应用中遇到的最高电压。
输出电流能力
确认连续和峰值电流额定值,以保证LDO能够提供应用所需的最大电流。
输出噪声和PSRR
检查输出噪声和PSRR。低噪声LDO对于敏感的模拟电路至关重要,而低输出噪声需要精心设计和选择元件。高PSRR是抑制电源噪声所必需的。较差的PSRR会导致输入噪声传递到输出,从而影响供电电路的性能。
温度性能
评估LDO的热性能和热阻,使其能够有效散热。LDO必须在很宽的温度范围内可靠运行,因为在极端温度下性能可能会下降,从而影响压差、PSRR和稳定性等参数。
LDO的进步
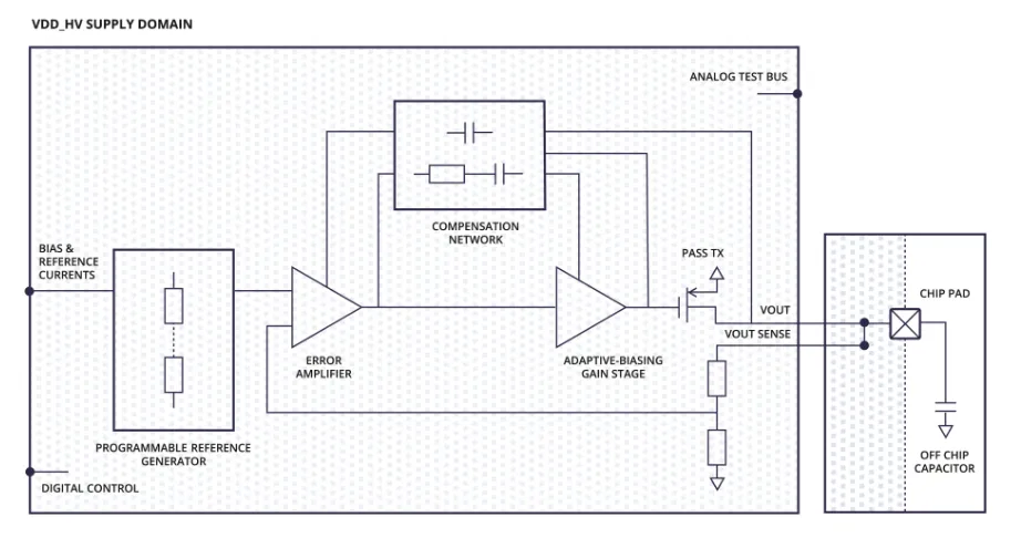
LDO是核心IP模块中必不可少的一部分,但选择正确的LDO解决方案却并非易事。传统LDO市场多年来一直处于碎片化状态,无法找到简单的LDO解决方案。LDO要求众多,而且经常相互冲突,因此没有适合所有应用的解决方案。芯片设计人员不得不做出妥协,选择相对最好的方案并使用变通方法。
幸运的是,随着LDO的最新进展,现在有了另一种方法。Agile Analog等IP供应商提供全系列可定制且与工艺无关的LDO,因此不再需要妥协或变通。LDO的这些进步非常重要,有助于让芯片设计人员的工作更加轻松。
(作者:Chris,来源:EDN电子技术设计)
(原文刊登于EDN姊妹网站Planet Analog,参考链接:Key considerations and challenges when choosing LDOs,由Ricardo Xie编译。)
免责声明:本文为转载文章,转载此文目的在于传递更多信息,版权归原作者所有。本文所用视频、图片、文字如涉及作品版权问题,请联系小编进行处理。
推荐阅读:
授权代理商贸泽电子供应Toshiba多样化电子元器件和半导体产品
科技的洪荒之力:可穿戴设备中的MEMS传感器 助运动员争金夺银






