【导读】在65W~150W 输出功率范围应用下,CrM PFC + QR Flyback 拓朴是非常普遍被选用的架构,在小型化集成线路趋势下,QR combo 控制芯片应运而生。 另外对于消费型电子产品,不仅能效需要符合法规的要求,其待机损耗也是相当重要的评判指标。
在65W~150W 输出功率范围应用下,CrM PFC + QR Flyback 拓朴是非常普遍被选用的架构,在小型化集成线路趋势下,QR combo 控制芯片应运而生。 另外对于消费型电子产品,不仅能效需要符合法规的要求,其待机损耗也是相当重要的评判指标。 SO20封装不仅整合了PFC 与 QR 控制器的功能,也整合了高压启动与X2 cap 放电机制, 当然IC也必须考量到绝缘空脚距离以致于有些脚位的功能是复合性的,就像HV/X2, BO/X2, PCS/PZCD... 在这之中尤其是以小信号检测PCS/PZCD比较敏感,避免用户在应注意而未注意情况下进行不恰当的PCB布局设计,产生异常动作?;ごシ⒌南窒?,以下就为大家介绍NCP1937相关的应用经验与注意事项。
NCP1937集成了功率因数修正 (PFC) 和准谐振(QR)反激式控制器,旨在用于电源适配器并实现高能效、紧凑型开关电源,例如: PD快充、工业通信电源、电动工具快充等方案。 这是一款采用混合数字内核架构的AC-DC器件,能够提供更高能效、增强灵活性及简化系统设计应用。 该 PFC 级以最大频率箝位在临界导通模式 (CrM) 下运行时表现出接近1的功率因子。 该电路结合了构建一个坚固紧凑的 PFC 级所需的所有必要功能,同时最大限度地减少外部器件的数量。 准谐振电流模式反激级具有专有的谷值锁定电路,确保稳定的谷值开关。 该系统工作到第四个谷值并切换到一个频率折返模式,最小频率箝位超出第4阶谷以消除可听噪声。 跳周期模式操作允许在轻负载条件下具有出色的效率,同时待机功耗非常低。
电流路径和接地点对噪声的影响
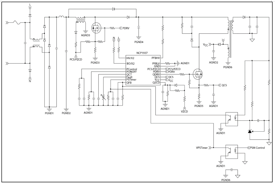
在任何电源转换器中,PCB 布局和布线需要考虑尽量减少噪声的产生和确保稳定运转。 作为组合IC,NCP1937控制两个可变开关频率转换器而且彼此独立运行。 事实上,PFC 部分栅极驱动器和 QR 部分栅极驱动器可以在任意点开启和关闭。 因此有必要特别关注当前的电流路径和接地点,以避免噪声在两个转换器之间的相互作用。 在为NCP1937布置PCB之前,建议区别并注释各种接地点(如图1所示)。 下面的表 1说明了不同电流路径的接地点,并表示为 PGNDx。 同时,为了区别模拟或信号接地点,将其表示为 AGNDx。 星形接地在业界众所周知,是很好的实践布局方式。 图2是NCP1937的应用线路在初级侧星形接地配置的范例。
以下是针对初级侧电流路径的PCB布局以及接地点的说明:
一)分别提供单独的路径给PFC和反激式转换器的开关电流。 从图1可知,PGND3 到PGND4 的电流路径(PFC电流路径)和 PGND4 到 PGND5 的电流路径(反激式转换器电流路径)是完全隔开,有各自的电流回路。 这将避免开关电流和栅极来自两个转换器的驱动电流重叠。
二)PGND6 和 PGND4 之间的路径可以改善的浪涌(surge)的耐受度。 建议使用单独的走线以及足够的线宽,将PGND6接回PGND4。
三)建议PGND4 和PGND5 之间的接线尽可能越短越好。
四)PGND4 将是整个模拟信号地的星形连接中心点。 连接PGND4 和 AGND 1 之间应尽可能短且尽可能宽。
五)PGND1、PGND2、PGND3 之间可以是连续路径,即不需要隔离这些路径。
针对初级侧模拟信号的PCB布局以及接地点的说明:
一)AGND1 是 模拟信号接地端的星形中心点。 AGND2和AGND3应在该点相交。
二)AGND3 來自 PFC 扼流圈辅助绕组,应单独连接至AGND1。
三)AGND2 应单独连接至AGND1。
图1:NCP1937的应用电路以及各种接地点的区别
表1:说明图1中的各个接地点
图2:NCP1937使用星形接地范例
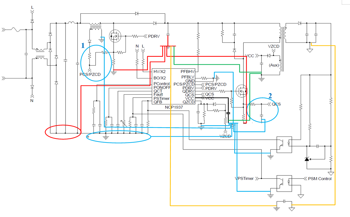
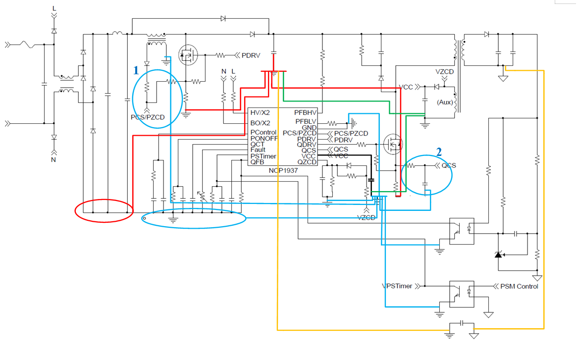
用例:90W电源适配器应用电路的PCB布局
图3为安森美(onsemi) 90W 电源适配器的展示板。 接下来透过应用线路(图4)来进一步说明实践的PCB布局方式。
一)摆放NCP1937時, IC 可靠近 PFC 电流感测电阻。
二)PFC 电流感测电阻尽可能靠近Bulk cap 的接地端。
三)建议PCS/PZCD和QCS loop 可优先布线,路径尽可能愈短愈好。 任何高频驱动信号及高dv/dt信号, 禁止穿越或靠近PCS/PZCD和 QCS信号回传路径
四)PFC 功率电流必须单独回到Bulk cap GND. (红色power grounding)
五)Flyback 功率电流必须单独回到 Bulk cap GND,不可以经过PFC 功率电流路径才回到Bulk cap GND
六)PFC 扼流圈辅助绕组的接地端, 必须直接连接到VCC SMT 电容的接地端
七)VCC SMT 电容以及PCS/PZCD 滤波电容 必须靠近IC 的GND
八)所有小信号grounding 必须都先连接到VCC SMT 电容。也就是VCC SMT 电容的接地端会呈现星形分散連接到所有的小信号grounding (蓝色grounding )
九)QR Aux winding GND 必须先连接到VCC的 电解电容,再从电解电容分成两路各连接到VCC SMT 电容GND 及Bulk cap GND (绿色接地)
十)PCS/PZCD 的RC滤波必须靠近IC pin 脚(蓝圈1)
十一)QCS 的RC滤波必须靠近IC pin 脚(蓝圈2)
十二)QZCD high low line 补偿电阻靠近IC pin 脚
十三)HV/X2 and HV/BO pin 可以预留落地高压滤波电容 (~ 470pF)
十四)一、二次侧的Y cap 应单独回路连接到Bulk cap GND 及 output cap GND。不可先汇入power loop 或是小信号grounding loop
图3:安森美90W 电源适配器的展示板
图4:应用线路以及接地的布局方式
通过PCB布局优化ESD,避免误触发?;せ?/p>
另一方面为了通过ESD测试,会透过PCB布局的方式优化ESD能量的路径,避免误触发IC的保护机制。 图5是优化前的接地方式,ESD能量会通过Y cap 到一次侧会经过独立Trace 回到Bulk cap GND,但是另一个路径则会经过变压器绕组耦合到一次侧时,AUX 绕组grounding 若先连接到Current Senes 的power Trace 时,就会在CS 信号受到ESD injection 能量产生distortion造成误触发OCP保护机制。 然而ESD 表现较好的布局,如图6,可以看到不仅Y cap 到一次侧会经过独立Trace 回到Bulk cap GND,而另一个路径则会经过变压器绕组耦合到一次侧时,AUX 绕组grounding 则会先连接到Bulk cap GND,不会让CS 信号受到ESD injection 能量产生distortion而造成误触发OCP?;せ?。
简言之,针对Combo IC控制器来操作两个电源转换器,PCB布局是电源转换器可发挥高效能以及稳定操作的关键因素。 遵循上述的接地建议,将有效减少一个转换器的噪声耦合其他转换器的敏感控制讯号。
图5:优化前,辅助电源绕组的GND连接到PFC电流感测电阻的负端
图6:优化后,辅助电源绕组的GND连接到PFC bulk电容的负端
免责声明:本文为转载文章,转载此文目的在于传递更多信息,版权归原作者所有。本文所用视频、图片、文字如涉及作品版权问题,请联系小编进行处理。
推荐阅读:











