【导读】在我们深入讨论主题之前,我们将简要回顾VNA的动态范围如何影响其准确测量滤波器响应的能力。然后,我们将检查干扰信号可能导致的不准确性。一旦我们掌握了背景信息,我们将准备讨论可以帮助我们避免由于动态范围不足而导致的测量误差的技术。
本文解释了如何估计矢量网络分析仪(VNA)对给定测量所需的动态范围,然后讨论了将动态范围提高到所需水平的四种技术。
正如我们在前一篇文章中所了解到的,矢量网络分析仪(VNA)的动态范围在测量例如高选择性滤波器的频率响应时起着关键作用。在本文中,我们将了解如何估计测量所需的VNA动态范围。我们还将讨论四种提高VNA动态范围的方法,即:
信号平均。
调整中频(IF)带宽。
分段扫描。
使用可重新配置的测试端口。
在我们深入讨论主题之前,我们将简要回顾VNA的动态范围如何影响其准确测量滤波器响应的能力。然后,我们将检查干扰信号可能导致的不准确性。一旦我们掌握了背景信息,我们将准备讨论可以帮助我们避免由于动态范围不足而导致的测量误差的技术。
滤波器响应测量中的动态范围
系统的动态范围定义为系统可以测量的最高和最低振幅信号之间的差异,如图1所示。
图1。动态范围演示。图片由Steve Arar提供
图2展示了为什么在测量具有大阻带抑制的滤波器时,VNA的动态范围是一个关键因素。
在具有不同动态范围的两个VNA上测量的带通滤波器的频谱。
图2:使用具有较差动态范围(左)和良好动态范围(右)的VNA测量的带通滤波器的频率响应。图片由安捷伦科技提供
在图2的左侧部分,灵敏度约为–60 dB的VNA用于测量具有90 dB阻带抑制的滤波器。较差的动态范围导致VNA主要测量其自身的噪声本底,而不是滤波器的阻带行为。在图的右半部分,使用灵敏度为–100 dBm的VNA测量相同的滤波器。增加的动态范围提供了滤波器响应的更精确的测量。
既然我们已经回顾了动态范围的重要性,让我们探讨一下干扰信号对我们测量的影响。
干扰信号与测量误差
假设我们打算测量单音输入,但在我们测量的频谱中会出现不希望的信号分量。出于讨论的目的,我们将假设两个信号处于相同的频率:
所需信号的振幅为1。
不期望的信号具有x的幅度,其中x远小于1。
总的测量振幅(Vm)可以写成这两个分量的总和:
公式1
在上述方程中,包括项ejθ以说明两个信号之间的任意相位差(θ)。整个信号是1和x的矢量求和;测量值取决于两个信号之间的相位差。图3可以帮助我们直观地看到随着θ的变化,不需要的分量如何影响我们的测量。
期望信号和不期望信号的矢量表示。
图3。期望信号和不期望信号的矢量表示。图片由Steve Arar提供
根据θ,测量值的幅度可以在1–x和1+x之间的任何位置。Vm与所需幅度(单位)的比率是幅度测量误差。因此,以分贝表示,幅度误差可以从20log(1–x)到20log(1+x)。这两个误差极限(正幅度和负幅度)与相位误差一起绘制在图4中。
测量误差是干扰信号振幅和相位的函数。
图4。测量误差是干扰信号振幅和相位的函数。图片(修改)由安捷伦科技提供
例如,假设不期望信号的幅度为x=0.1,这对应于比期望信号低20dB的干扰信号幅度。误差将在-0.92 dB和0.83 dB之间。我们也可以使用上面的误差图作为图形工具来估计误差,从而得出类似的值。
如图3所示,不希望的信号也会影响Vm的相位角。由此产生的相位误差的最大值为φmax=arcsin(x)。当x比所需信号低20dB时,我们的φmax=5.74度,这与图4中提供的相位误差曲线一致。
估计所需动态范围:方法和示例
现在的问题出现了:对于给定的测量误差,VNA应该提供多大的动态范围?这个问题的确切答案需要复杂的分析。然而,我们可以通过假设VNA的噪声基底与干扰我们测量的不期望信号具有相同的振幅来获得所需动态范围的粗略估计。
为了理解这种技术,让我们使用图4中的错误图来完成一个示例。这个例子,连同上一节中的数学内容,也可以在名为“安捷伦网络分析器基础知识”的安捷伦技术文档中找到。
假设我们想要测量具有80dB阻带抑制的滤波器的频率响应。我们需要什么VNA动态范围才能将测量响应的幅度误差保持在0.1dB以下?假设仅存在单个干扰信号。
我们可以在图4中看到,不超过0.1 dB的幅度误差对应于比所需信号幅度低约39 dB的干扰信号幅度。因此,为了在测量滤波器的阻带时达到所需的精度水平,VNA的本底噪声应比滤波器的阻频带响应低39dB。我们还知道滤波器的阻带衰减比其通带衰减多80dB。因此,VNA应当提供大约80+39=119dB的动态范围。
一些现代VNA提供150 dB的动态范围,但我们仍然可以认为119 dB的动态幅度相对较高。这些水平的动态范围可以通过应用信号平均技术和/或调整VNA的中频(IF)带宽来实现,正如我们将在文章的后续部分中讨论的那样。
然而,在我们继续之前,如果我们将幅度误差保持在0.1 dB以下,相位误差会是什么?如果我们回头看图4,我们可以看到小于0.1 dB的幅度误差对应于不超过0.65度的相位测量误差。
信号平均值
通常,为了减少噪声对测量的影响,我们可以多次重复测量并对测量值取平均值。由于噪声样本不相关,信号平均可以抑制噪声项,而不会影响电路的实际确定性输出。
如果我们重复测量M次,信号平均值将使原始噪声方差降低M倍?;痪浠八担看纹骄捣?,信噪比(SNR)就会提高3dB。
信号平均是一种强大的技术,用于降低VNA的本底噪声并提高其动态范围,这就是为什么大多数VNA都具有平均功能。然而,因为它需要重复测量,所以取平均值会导致总体测量时间增加。
例如,让我们考虑当我们将给定VNA IF带宽的平均值从10增加到100时会发生什么。由于平均数增加了10倍,我们知道噪声方差(或噪声平均功率)减少了10倍。就分贝而言,SNR提高了10log(10)=10 dB?;痪浠八?,本底噪声降低了10 dB。然而,由于测量次数的增加,扫描时间增加了十倍。
调整中频带宽
VNA允许我们调整接收机中频部分的数字滤波器的带宽。通过使这些滤波器变窄,我们可以去除更大一部分的噪声,从而提高滤波器的动态范围。然而,与平均技术一样,这种改进是以增加测量时间为代价实现的。
VNA通过在指定频率范围内的特定数量的频率点上进行测量来表征DUT的响应。每个点的测量时间取决于IF滤波器的稳定时间。Copper Mountain Technologies为IF滤波器的沉降时间提供了以下等式:
公式2
中频滤波器设置时间
中频带宽以赫兹为单位;中频带宽系数因VNA模型而异。图5显示了中频带宽如何影响SC5090 VNA的动态范围和中频滤波器设置时间。与铜山科技公司的许多其他VNA一样,该VNA的IF带宽系数为1.18。
示例VNA的动态范围和滤波器稳定时间与IF带宽的关系。
图5。例如VNA的动态范围和稳定时间与IF带宽的关系。图片由铜山科技提供
由于较窄的IF滤波器需要更多的时间来稳定,测量时间与用户可选择的IF带宽成反比。例如,方程2预测,如果我们将IF带宽从1Hz增加到1MHz,则IF滤波器的建立时间将减少106倍。这与图5中提供的数据一致,图5显示沉降时间从1.18秒下降到1.18μs。
因为进入系统的噪声功率与系统带宽成比例,所以将IF滤波器带宽从1Hz增加到1MHz也会使噪声功率增加106倍。以分贝为单位,这对应于10log(106)=60 dB的本底噪声增加。我们可以在图5中看到,带宽的增加导致VNA的动态范围减少了60 dB(从150 dB到90 dB)。
与信号平均相比,IF带宽减少方法可以为给定的动态范围改进提供稍快的测量时间。如果测量速度是应用程序中的一个关键因素,您可以参考Keysight应用程序说明“了解和改进网络分析仪动态范围”以了解更多详细信息。如果没有,两种方法都应该同样有效。
区段扫描
我们还可以通过使用分段扫描来改善动态范围,而不是线性扫频。这包括将测量的频率跨度分解为两个或多个段。每个段都可以有自己的测量参数(频点数量、中频带宽、功率电平等),使我们能够优化每个段的速度和动态范围。
分段扫描方法在表征高选择性滤波器时非常有用。我们可以在滤波器的通带中使用宽的IF带宽,在通带中噪声可能不太受关注,同时在滤波器的阻带中也使用低IF带宽,这可能会受到噪声的高度影响。
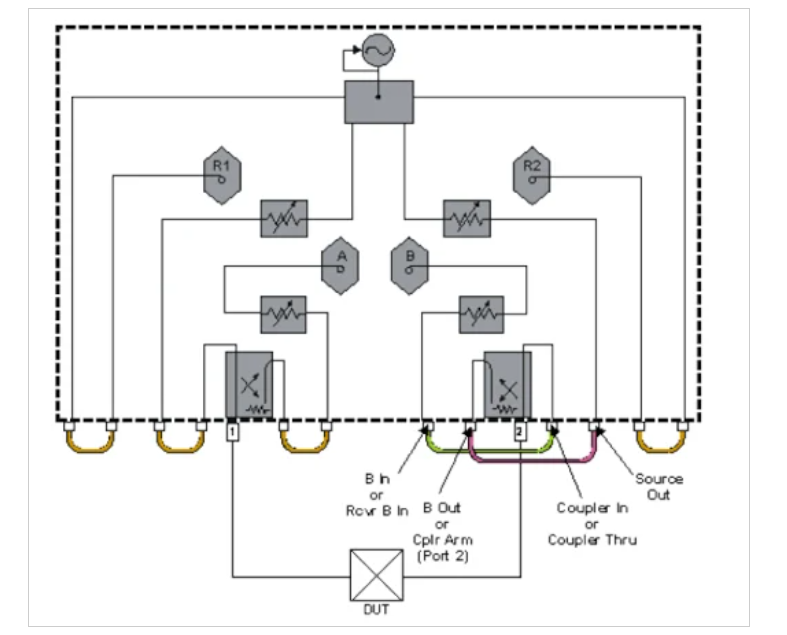
可重新配置的测试端口
一些VNA允许用户通过重新配置测试端口来实现极高的动态范围。在这些模型中,VNA内定向耦合器的端口被路由到前面板,以便用户可以修改信号到达测量接收器的路径。图6显示了可用于增加动态范围的测试端口配置。
VNA测试端口的配置模型。
图6。VNA测试端口的配置模型。图像由Keysight提供
在上图中:
R1和R2是参考接收器。
A和B是测量接收器。
左侧测试端口连接到DUT的输入端口。此测试端口具有标准连接。然而,另一个测试端口被配置为绕过定向耦合器。
DUT的输出通过耦合器的主线连接到测量接收器路径。因此,从主线到耦合端口的耦合器损耗不再像在标准连接中那样位于测量路径中。消除此损耗项可提高分析仪的有效灵敏度,通常提高14 dB或更高。
通过上述配置,耦合器不再是信号路径的一部分。因此,VNA不能用于进行反向测量。此外,请注意,必须监控进入接收器的电源,以防止压缩。然后,我们可以根据需要使用分段扫描方法来调整功率水平。例如,在测量滤波器时,我们可以使用阻带中较高的功率电平和通带中较低的功率电平进行分段扫描+阻带中的10 dBm和通带中的-6 dBm是典型的选择。
总结
在本文中,我们了解了一种简单的方法来估计VNA进行给定测量所需的动态范围,以及几种改进动态范围的方法。早期,我们还探讨了干扰信号对测量精度的影响。当我们在未来的文章中讨论如何校准VNA以降低测量不确定性时,我们将回到这一点。
免责声明:本文为转载文章,转载此文目的在于传递更多信息,版权归原作者所有。本文所用视频、图片、文字如涉及作品版权问题,请联系小编进行处理。
推荐阅读:
STM32开发者社区:从这里开启你的STM32之旅!小白和PRO都友好





