【导读】三相逆变器的定义是将直流电能转换为交流电能的转换器,其基本原理就是SPWM,硬件架构为四个功率??樽槌傻ハ唷⑷嗲攀降缏?,桥式输出至负载间串接低通滤波元件,控制回路具有两个信号产生源,一个是固定幅值的三角波(调制波)发生器,一个为正弦波发生器,利用三角波对正弦波进行调制,就会得到占空比按照正弦规律变化的方波脉冲列,调制比不同,一个正弦周期脉冲列数等于调制波频率除以基博频率)。再用方波脉冲列去控制上述桥式电路,在输出上就得到了符合要求的正弦电压电流了。
一、前言
三相逆变是指转换出的交流电压为三相,即AC380V,三相电是由三个频率相同、振幅相等、相位依次互差120度的交流电势组成。
三相逆变器的定义是将直流电能转换为交流电能的转换器,其基本原理就是SPWM,硬件架构为四个功率模块组成单相、三相桥式电路,桥式输出至负载间串接低通滤波元件,控制回路具有两个信号产生源,一个是固定幅值的三角波(调制波)发生器,一个为正弦波发生器,利用三角波对正弦波进行调制,就会得到占空比按照正弦规律变化的方波脉冲列,调制比不同,一个正弦周期脉冲列数等于调制波频率除以基博频率)。再用方波脉冲列去控制上述桥式电路,在输出上就得到了符合要求的正弦电压电流了。
二、产品应用及工作原理
三相逆变器是电力用大功率逆变电源,主要用于军队、通信、工厂和企业不间断电源系统。
三相逆变器的工作原理是:它包括三个单相逆变开关,每个开关都可以连接到负载端。对于基本控制系统,三个开关的损伤可以同步,以便单个开关在基本O/P波形的每60度处工作,从而创建包括六步线到线O/P波形。
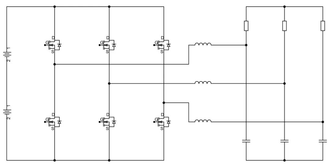
三、典型应用拓扑图
如上图所示:其主要作用是将直流输入变为三相交流输出,一个基本的三相逆变器包括3个单相逆变器开关,其中每个开关都可以连接到3个负载端子之一。
四、应用线路及选型
碳化硅(SiC)技术比传统的硅(Si)、绝缘栅双极晶体管(IGBT)等技术具有更多的优势,进而可实现更高的功率密度、可靠性和效率。
三相逆变器使用SiC解决方案,逆变电路的拓扑结构得到简化并提高了功率密度。
三相逆变器推荐使用瑞森半导体SiC-MOS系列,选型如下:
免责声明:本文为转载文章,转载此文目的在于传递更多信息,版权归原作者所有。本文所用视频、图片、文字如涉及作品版权问题,请联系小编进行处理。
推荐阅读:
克萨重磅发布高性能超轻薄、带有四个分布式CAN模块的紧凑型嵌入式通讯卡
学子专区—ADALM2000实验:集成驻极体麦克风的音频放大器




