【导读】本应用笔记介绍了带有嵌入式 A/D 转换器的 CDBCAPTURE 系统的使用。本文将介绍 CDBCAPTURE 系统并提供一些示例。
本应用笔记介绍了带有嵌入式 A/D 转换器的 CDBCAPTURE 系统的使用。本文将介绍 CDBCAPTURE 系统并提供一些示例。
CDBCAPTURE 系统可用于从嵌入式模数转换器 (ADC) 收集数据。因此,可以测量、分析和量化模拟前端的系统性能。通过分析测量的性能,可以识别、隔离噪声源并采取纠正措施。这里使用 CDBCAPTURE 作为工程工具,减少系统测试和集成期间的开发时间。另一个应用程序可以在生产中使用 CDBCAPTURE 来测试成品并验证系统性能。
CDB捕获
CAPTURE 接口板是一种开发工具,可将 Crystal Semiconductor ADC 连接到 PC 兼容计算机。来自 ADC 的数字数据被收集在高速数字 FIFO 中,然后通过串行 COM 端口传输到 PC。随附评估软件可分析数据并演示 ADC 的性能。整个系统由CAPTURE接口板、串行电缆、RS232电缆和软件组成。
带有嵌入式 ADC 的 CDBCAPTURE
CDBCAPTURE 电路板设计用于直接与大多数 Crystal Semiconductor ADC 评估板连接。这允许一种快速、简单的方法来量化和验证 ADC 的性能。然而,通常需要测量实际系统中 ADC 的性能或测量整体系统性能。为了从嵌入式 ADC 收集数据,需要设计特殊的串行电缆。该电缆包含评估板上存在的数字接口电路。该电缆连接到 ADC 上的相应信号。
为了从嵌入式 ADC 收集数据,需要将评估板上的数字接口电路集成到经过修改的串行电缆上。图 1 是说明该过程的框图。在图 1 的顶部,评估板 CDBXXXX 包含数字接口电路,该电路将来自 ADC 的信号转换为名为 FRAME、SCLK 和 SDATA 的三个标准串行信号。这些信号的时序和格式因设备类型而异。

CDBCAPTURE接口
在嵌入式 ADC 应用中,ADC 和 CDBCPATURE 电路卡之间的数字接口电路应在连接到串行电缆的小卡上实现,如图 1 底部所示。需要识别适当的数字输入信号。然后实施一种将这些信号从嵌入式系统连接到电缆的方法。连接方案因每个应用而异,并且易于实施。
评估板数据表中提供了数字接口电路原理图。在原理图上找到包含信号的串行接口连接器:+5 V、GND、FRAME、SCLK 和 SDATA。从该连接器返回 ADC,确定创建串行信号所需的电路。该电路在单独的电路板上实现,连接到带有用于其 CDBCAPTURE 接口的 IDC 插座的 10 导体带状电缆。ADC接口可以是任何易于实现的连接器方案??赡艿奶娲桨赴ㄗ贰⒉馐约?、圆形连接器或“D”型连接器。
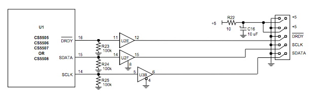
CS5508 示例
以下示例使用 CS5508 来说明设计修改后的串行电缆的过程。通过检查 CDB5508 评估板的原理图,可以识别数字接口电路。CDB5505/6/7/8 数据表的图 1 提供了 CDB5508 评估板的原理图。数字接口部分如下图2所示。如果 CS 始终处于活动状态,则不需要电阻器 R23、R24 和 R25。另外,使用 CAPTURE 板时,U3B 始终处于活动状态,因此可以将其更改为通用缓冲区,例如 U2。
使用带有嵌入式 ADC_2.png 的 CDBCAPTURE 系统

图 3 显示了源自图 2 的修改后电缆的原理图。DRDY、SCLK 和 SDATA 信号经过缓冲,为 CAPTURE 板创建串行电缆信号。5 伏电源从嵌入式系统获得,并经过 R1 和 C1 滤波,然后提供给 CAPTURE 板。C2 是 U1 的旁路电容器。

数字接口的改进串行电缆实现
CDBCAPTURE 系统旨在轻松连接到大多数 Crystal Semiconductor ADC 评估板。评估板上包含数字电路以实现标准串行数据总线。CAPTURE 板可通过软件重新配置,以适应不同的 ADC 和未来产品。CDBCAPTURE 系统可以轻松地将数字数据传输到 PC 进行分析。
很多时候,当 ADC 在完整的采集系统内运行时,需要从 ADC 收集数据。在这种情况下,CAPTURE 板的数字接口电路是在系统外部经过修改的电缆上实现的。电气系统必须提供适当的互连方案,使用连接器或夹住的测试点。
修改后的串行电缆允许用户在 ADC 嵌入电气系统时测量其性能??梢圆饬亢土炕?ADC 以及系统性能。此信息用于隔离问题并调查某些子系统如何相互交互。
免责声明:本文为转载文章,转载此文目的在于传递更多信息,版权归原作者所有。本文所用视频、图片、文字如涉及作品版权问题,请联系小编进行处理。
推荐阅读:



