【导读】由于这些干扰源的幅度可能比目标信号高得多,并且与信号频率范围重叠,因此信号链设计应考虑到这一点。交流和直流耦合解决方案是两种需要考虑的性能权衡方法,可能取决于设计要求和应用用例。例如,连续监测系统(如身体佩戴贴片)的功率要求可能与使用腕戴设备进行的抽查测量完全不同。
由于这些干扰源的幅度可能比目标信号高得多,并且与信号频率范围重叠,因此信号链设计应考虑到这一点。交流和直流耦合解决方案是两种需要考虑的性能权衡方法,可能取决于设计要求和应用用例。例如,连续监测系统(如身体佩戴贴片)的功率要求可能与使用腕戴设备进行的抽查测量完全不同。
澄清一下,当我们在本系列中提到交流或直流耦合信号链时:
交流耦合: 高通滤波器/传递函数位于ADC采样之前的信号链中的某个位置。
直流耦合: 在ADC采样之前,模拟域中不存在高通滤波器/传递函数,但是可以在ADC之后实现数字高通滤波器。
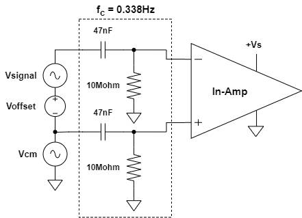
有时,术语“交流耦合”与图1所示电路有关,其中隔直电容位于信号链的最前端。虽然这当然是一种选择,但它有一些弱点需要考虑。选择的电阻将限制输入阻抗,在高阻抗传感器或干电极的情况下,这可能导致输入信号衰减。每个输入端都需要一个滤波器来保持电路的差分平衡,因此这些元件的容差会影响滤波器的匹配程度,并降低共模抑制与频率的关系,这是由于共模到差分转换。图1中的曲线显示,在最坏情况下,所有无源元件的容差失配为5%,50/60Hz时的CMRR已经小于60dB,这是在考虑任何其他电极失配或仪表放大器(仪表放大器)性能之前。
图 1 – 前端高通滤波器示例以及滤波器输出端最坏情况下组件容差的相应 CMRR 与频率的关系图
现在,让我们浏览两个示例信号链。在这两种情况下,前端都将包括一个仪表放大器,利用高输入阻抗、高CMRR和差分到单端转换等特性。
交流耦合信号链
图2显示了一个交流耦合信号链示例,用于在存在大得多的直流偏移的情况下测量小的生物电势信号。该直流失调和电源电压的大小限制了仪表放大器的增益。然后,可以应用单端高通滤波器来抑制增益失调,从而为目标信号提供额外的增益级?;箍梢杂τ闷渌囟ㄓτ玫牡屯瞬ɡ聪咂蹈扇旁?,例如EMG或50/60Hz。从噪声角度来看,前端的增益越多,信号链中后续级的噪声要求就越低。第二增益级的参考输入(RTI)噪声除以仪表放大器的增益,ADC的RTI噪声除以两个增益级。这允许使用较低分辨率和更低功耗的ADC。ADC采样的最终信号主要是增益的生物电位信号,因为不需要的干扰源已被滤除。
图 2 – 不同阶段的交流耦合信号链和频域信息示例
直流耦合信号链
图3所示为直流耦合信号链的示例。直流失调限制了可应用的总系统增益,这意味着需要更高分辨率的ADC来实现所需的噪声性能。图中未显示的是ADC之前的抗混叠低通滤波器,其截止频率高于前面的交流耦合示例。在这种情况下,目标生物电势信号占ADC采样总信号的百分比要小得多,可以在数字域中进行进一步的后处理和滤波。
图 3 – 不同阶段的直流耦合信号链和频域信息示例
图4中的表格总结了设计交流或直流耦合信号链时需要考虑的权衡。另外,请注意,此信号链讨论适用于目标信号频率高于干扰源的任何应用。例如,电磁流量计解决方案可以类似于具有类似性能要求的生物电势测量。
图4 –交流和直流耦合信号链汇总表
(作者:david.plourde)
免责声明:本文为转载文章,转载此文目的在于传递更多信息,版权归原作者所有。本文所用视频、图片、文字如涉及作品版权问题,请联系小编进行处理。
推荐阅读:




