【导读】电子通信领域正在迅速扩展到日常生活的方方面面。数据的检测、传输和接收需要各种各样的器件,例如光学传感器、RF MEMS、PIN二极管、APD、激光二极管和高压DAC等。在许多情况下,这些器件需要数百伏才能工作,因此需要满足严格的效率、空间和成本要求的DC-DC转换器。
电子通信领域正在迅速扩展到日常生活的方方面面。数据的检测、传输和接收需要各种各样的器件,例如光学传感器、RF MEMS、PIN二极管、APD、激光二极管和高压DAC等。在许多情况下,这些器件需要数百伏才能工作,因此需要满足严格的效率、空间和成本要求的DC-DC转换器。
ADI公司的LT8365是一款多功能单芯片升压转换器,集成了150 V、1.5 A开关,非常适合通信领域的高压应用,包括便携式设备。从低至 2.8 V 和高至 60 V 的输入可轻松产生高压输出。它具有可选的扩频频率调制功能,有助于降低EMI,以及数据手册中详述的许多其他常用功能。
图1和图2所示的转换器用于从12 V输入源为高压DAC、MEMS、RF开关和高压运算放大器提供正负电压轨。这些转换器在非连续导通模式(DCM)下工作,可提供高达10 mA的电流,输出电压为+250 V和–250 V,转换效率约为80%。
图1.12 V 输入至 250 V 输出 2 级升压转换器。
图2.12 V输入至–250 V输出2级反相转换器。
升压比 > 1:40
升压转换器中DCM操作的一个好处是能够实现与占空比无关的高升压比。此外,电感和输出电容的值和物理尺寸可以减小,从而减小PCB上的整体尺寸解决方案。图3中的电路可轻松安装在小于1 cm的区域内2.
在某些情况下,只有一个非常低的输入源可用,并且需要高输出电压。图3所示的转换器可用于驱动各种雪崩光电二极管、PIN二极管和其他需要高偏置电压的器件。该升压转换器从3 V输入源产生125 V电压,负载电流高达3 mA。
图3.3 V输入至125 V输出升压转换器。
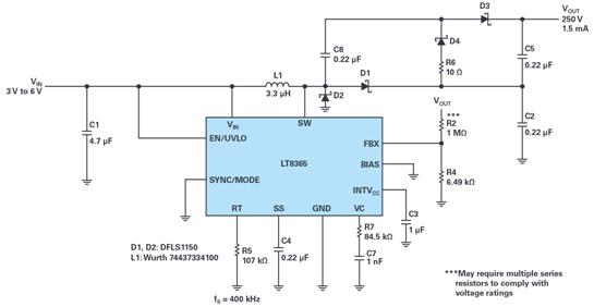
图4所示转换器从3 V输入源将125 V输出扩展至250 V,支持约1.5 mA电流。通信领域有许多器件需要来自低输入电压源的如此高的偏置电压。
图4.3 V 输入至 250 V 输出 2 级升压转换器。
你能走多高或多低?
对于需要非常高电压(无论是正电压还是负电压)的情况,升压转换器可以使用乘法器级将输出升压 2×、3× 或更高。图1和图2中的转换器显示了如何在正负两个方向上使开关电压加倍。图5所示的3级升压转换器采用12 V输入源提供375 V/8 mA电压。
请注意,可用输出电流必须随着输出电压的增加而降低,因为开关能力不会改变。例如,设计为提供20 mA电流的单级转换器在增加第二级时将提供约10 mA电流。添加其他级时,请始终确保峰值开关电流保持在保证的开关电流限值内。
图5.12 V 输入至 375 V 输出 3 级升压转换器。
简化输出电压检测
LT8365 提供了一个用于检测输出电压的单 FBX 引脚。连接到FBX引脚的简单电阻分压器检测输出电压,与输出极性无关,如本文介绍的所有原理图所示。
结论
LT8365支持需要从低至2.8 V的输入电压进行紧凑、高效、高输出电压升压转换的应用,这在通信领域很常见。它还可以用作反相转换器和流行的拓扑结构,如CUK和SEPIC转换器。LT8365 采用小型、耐热性能增强型 16 引脚 MSOP 封装。
免责声明:本文为转载文章,转载此文目的在于传递更多信息,版权归原作者所有。本文所用视频、图片、文字如涉及作品版权问题,请联系小编进行处理。
推荐阅读:


