桃花源qm花论坛(品茶),凤楼阁论坛官网入口网址,一品楼品凤楼论坛最新动态,风楼阁全国信息2024登录入口

你的位置:首页 > 互连技术 > 正文

智能汽车CAN FD总线需要什么样的降噪对策?

发布时间:2022-11-03 责任编辑:lina

【导读】CAN FD等接口使用被称为差分传输的传输方式。差分传输通过两条信号线之间的电位差传输信号,因此具有不易受外部辐射噪声影响的特点。


1. CAN FD是什么


CAN FD是连接汽车内的ECU或电脑并进行通讯的车内局域网之一。


CAN FD能够以比以往的CAN标准更快的速度进行通讯。


2. 噪声问题


智能汽车CAN FD总线需要什么样的降噪对策?


CAN FD具有比以往的CAN更高的比特率,这也增加了CAN通讯时产生的发射噪声问题。


CAN FD等接口使用被称为差分传输的传输方式。差分传输通过两条信号线之间的电位差传输信号,因此具有不易受外部辐射噪声影响的特点。


智能汽车CAN FD总线需要什么样的降噪对策?


此外,两条信号线上因信号而产生的电波还会相互抵消,因此难以作为噪声向外发射。


智能汽车CAN FD总线需要什么样的降噪对策?


然而,由于各种因素,电路板上会产生共模电流。如果共模电流流入差分传输线的电缆,电缆就会辐射共模噪声。


智能汽车CAN FD总线需要什么样的降噪对策?


3. 噪声问题的对策


共模扼流圈适合用来解决共模噪声问题。


共模扼流圈是通过磁力将两条信号线耦合的线圈,能够在不影响差分信号等差模信号的前提下,仅消除共模噪声。


智能汽车CAN FD总线需要什么样的降噪对策?


反相(差模)信号的磁场被消除 → 穿透


同相(共模)噪声的磁场重叠 → 反射


原则上,共模扼流圈具有消除共模噪声的功能,但如果两条信号线的线圈均衡被打破,就会发生模式转换,部分差模信号被转换为共模信号,从而产生噪声。


智能汽车CAN FD总线需要什么样的降噪对策?


因此,使用模式转换较少的、能够保持均衡的共模扼流圈是非常重要的。


村田推荐


建议用于CAN FD的共模扼流圈


智能汽车CAN FD总线需要什么样的降噪对策?


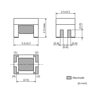
DLW32SH101XF2


村田推荐的用于CAN FD的共模扼流圈DLW32SH101XF2,元件尺寸为3.2×2.5mm,共模电感 : 100μH-30%/+50%(at 0.1MHz)。


元件尺寸


智能汽车CAN FD总线需要什么样的降噪对策?


阻抗-频率特性


智能汽车CAN FD总线需要什么样的降噪对策?


请前往产品页面,了解更多规格参数说明,并可申请样品和查询经销商库存。


4. 降噪措施的效果


确认共模扼流圈的降噪效果


为了评估共模扼流圈的降噪效果,我们使用信号发生器驱动CAN FD收发器,并通过频谱分析仪观察了CAN-H和CAN-L线上的共模噪声。我们插入三种不同的共模扼流圈,并分别确认了各线圈的效果。


智能汽车CAN FD总线需要什么样的降噪对策?


通过结果可知,噪声级别会随着信号发生器比特率的增加而增加。


此外,我们还发现,在三种共模扼流圈中,DLW32SH101XF2的降噪效果相对较高。DLW32SH101XF2在各比特率下皆能有效地抑制噪声。


智能汽车CAN FD总线需要什么样的降噪对策?


确认传导发射对策的效果


之后,我们通过传导发射测量(150Ω方法)确认了DLW32SH101XF2的降噪效果。该测量符合IEC 62228-2:2019规定的“射频干扰的发射”条件。


智能汽车CAN FD总线需要什么样的降噪对策?


通过使用DLW32SH101XF2,我们成功地达到了传导发射中限值要求非常严格的Class III标准。


智能汽车CAN FD总线需要什么样的降噪对策?


确认抗扰度对策的效果


接着,为了确认抗扰度对策的效果,我们进行了抗扰度实验之一的DPI(直接功率注入)实验。


智能汽车CAN FD总线需要什么样的降噪对策?


该测量符合IEC 62228-3:2019规定的“对射频干扰的抗扰度”条件。


智能汽车CAN FD总线需要什么样的降噪对策?


在DPI测试中,通过使用DLW32SH101XF2也能满足限值要求非常严格的Class III标准。


5. 总结


●在CAN FD中,共模噪声是容易经常出现的问题

●共模扼流圈可以有效地消除共模噪声

●为防止因模式转换而产生共模噪声,共模扼流圈的模式转换特性也非常重要

●村田推荐的共模扼流圈DLW32SH101XF2在传导发射和DPI对策方面皆有效

(来源:Murata村田中国)



免责声明:本文为转载文章,转载此文目的在于传递更多信息,版权归原作者所有。本文所用视频、图片、文字如涉及作品版权问题,请联系小编进行处理。



推荐阅读:

通过DDR5为数据中心带来先进的服务器性能

碳化硅(SiC)电源管理解决方案搭配可配置数字栅极驱动技术助力实现“万物电气化”

可调电容器之挑选指南

探索陶瓷同轴谐振滤波器的基本原理

如何实现高精度测量的节能模数转换?

特别推荐
技术文章更多>>
技术白皮书下载更多>>
热门搜索

关闭

?

关闭