【导读】步进电机的可编程控制器直接控制,可使组合机床自动生产线控制系统的成本显著下降。文章介绍了用PLC控制步进电机驱动的数控滑台方法,伺服控制、驱动及接口以及步进电机PLC控制的软件逻辑。
步进电机的可编程控制器直接控制,可使组合机床自动生产线控制系统的成本显著下降。文章介绍了用PLC控制步进电机驱动的数控滑台方法,伺服控制、驱动及接口以及步进电机PLC控制的软件逻辑。
1 概述
在组合机床自动线中,一般根据不同的加工精度要求设置三种滑台(1)液压滑台,用于切削量大,加工精度要求较低的粗加工工序中;(2)机械滑台,用于切削量中等,具有一定加工精度要求的半精加工工序中;(3)数控滑台,用于切削量小,加工精度要求很高的精加工工序中。可编程控制器(简称PLC)以其通用性强、可靠性高、指令系统简单、编程简便易学、易于掌握、体积小、维修工作少、现场接口安装方便等一系列优点,被广泛应用于工业自动控制中。特别是在组合机床自动生产线的控制及CNC机床的S、T、M功能控制更显示出其卓越的性能。PLC控制的步进电机开环伺服机构应用于组合机床自动生产线上的数控滑台控制,可省去该单元的数控系统使该单元的控制系统成本降低70~90%,甚至只占用自动线控制单元PLC的3~5个I/O接口及<1KB的内存。特别是大型自动线中可以使控制系统的成本显著下降。
2 PLC控制的数控滑台结构
一般组合机床自动线中的数控滑台采用步进电机驱动的开环伺服机构。采用PLC控制的数控滑台由可编程控制器、环行脉冲分配器、步进电机驱动器、步进电机和伺服传动机构等部分组成,见图1。
图1
伺服传动机构中的齿轮Z1、Z2应该采取消隙措施,避免产生反向死区或使加工精度下降;而丝杠传动副则应该根据该单元的加工精度要求,确定是否选用滚珠丝杠副。采用滚珠丝杠副,具有传动效率高、系统刚度好、传动精度高、使用寿命长的优点,但成本较高且不能自锁。
3 数控滑台的PLC控制方法
数控滑台的控制因素主要有三个:
3.1 行程控制
一般液压滑台和机械滑台的行程控制是利用位置或压力传感器(行程开关/死挡铁)来实现;而数控滑台的行程则采用数字控制来实现。由数控滑台的结构可知,滑台的行程正比于步进电机的总转角,因此只要控制步进电机的总转角即可。由步进电机的工作原理和特性可知步进电机的总转角正比于所输入的控制脉冲个数;因此可以根据伺服机构的位移量确定PLC输出的脉冲个数:
n= DL/d (1)
式中 DL——伺服机构的位移量(mm),d ——伺服机构的脉冲当量(mm/脉冲)
3.2 进给速度控制
伺服机构的进给速度取决于步进电机的转速,而步进电机的转速取决于输入的脉冲频率;因此可以根据该工序要求的进给速度,确定其PLC输出的脉冲频率:
f=Vf/60d (Hz) (2)
式中 Vf——伺服机构的进给速度(mm/min)
3.3 进给方向控制
进给方向控制即步进电机的转向控制。步进电机的转向可以通过改变步进电机各绕组的通电顺序来改变其转向;如三相步进电机通电顺序为A-AB-B-BC-C-CA-A…时步进电机正转;当绕组按A-AC-C-CB-B-BA-A…顺序通电时步进电机反转。因此可以通过PLC输出的方向控制信号改变硬件环行分配器的输出顺序来实现,或经编程改变输出脉冲的顺序来改变步进电机绕组的通电顺序实现。
4 PLC的软件控制逻辑
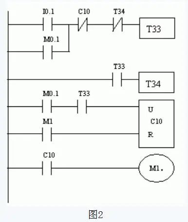
由滑台的PLC控制方法可知,应使步进电机的输入脉冲总数和脉冲频率受到相应的控制。因此在控制软件上设置一个脉冲总数和脉冲频率可控的脉冲信号发生器;对于频率较低的控制脉冲,可以利用PLC中的定时器构成,如图2所示。脉冲频率可以通过定时器的定时常数控制脉冲周期,脉冲总数控制则可以设置一脉冲计数器C10。当脉冲数达到设定值时,计数器C10动作切断脉冲发生器回路,使其停止工作。伺服机构的步进电机无脉冲输入时便停止运转,伺服执行机构定位。当伺服执行机构的位移速度要求较高时,可以用PLC中的高速脉冲发生器。不同的PLC其高速脉冲的频率可达4000~6000Hz。对于自动线上的一般伺服机构,其速度可以得到充分满足。
5 伺服控制、驱动及接口
5.1 步进电机控制系统的组成
步进电机的控制系统由可编程控制器、环行脉冲分配器和步进电机功率驱动器组成,其结构见图1。
控制系统中PLC用来产生控制脉冲;通过PLC编程输出一定数量的方波脉冲,控制步进电机的转角进而控制伺服机构的进给量;同时通过编程控制脉冲频率——既伺服机构的进给速度;环行脉冲分配器将可编程控制器输出的控制脉冲按步进电机的通电顺序分配到相应的绕组。PLC控制的步进电机可以采用软件环行分配器,也可以采用如图1所示的硬件环行分配器。采用软环占用的PLC资源较多,特别是步进电机绕组相数M>4时,对于大型生产线应该予以充分考虑。采用硬件环行分配器,虽然硬件结构稍微复杂些,但可以节省占用PLC的I/O口点数,目前市场有多种专用芯片可以选用。步进电机功率驱动器将PLC输出的控制脉冲放大到几十~上百伏特、几安~十几安的驱动能力。一般PLC的输出接口具有一定的驱动能力,而通常的晶体管直流输出接口的负载能力仅为十几~几十伏特、几十~几百毫安。但对于功率步进电机则要求几十~上百伏特、几安~十几安的驱动能力,因此应该采用驱动器对输出脉冲进行放大。
5.2 可编程控制器的接口
如伺服机构采用硬件环行分配器,则占用PLC的I/O口点数少于5点,一般仅为3点。其中I口占用一点,作为启动控制信号;O口占用2点,一点作为PLC的脉冲输出接口,接至伺服系统硬环的时钟脉冲输入端,另一点作为步进电机转向控制信号,接至硬环的相序分配控制端,如图3所示;伺服系统采用软件环行分配器时,其接口如图4。
6 应用实例与结论
将PLC控制的开环伺服机构用于某大型生产线的数控滑台,每个滑台仅占用4个I/O接口,节省了CNC控制系统,其脉冲当量为0.01~0.05mm,进给速度为Vf=3~15m/min,完全满足工艺要求和加工精度要求。
免责声明:本文为转载文章,转载此文目的在于传递更多信息,版权归原作者所有。本文所用视频、图片、文字如涉及作品版权问题,请联系小编进行处理。
推荐阅读:




