桃花源qm花论坛(品茶),凤楼阁论坛官网入口网址,一品楼品凤楼论坛最新动态,风楼阁全国信息2024登录入口

你的位置:首页 > 互连技术 > 正文

如何使用具有集成400mV基准的双微功率比较器简化监控器和控制功能?

发布时间:2021-12-08 来源:亚德诺半导体 责任编辑:lina

【导读】LT6700双比较器囊括了用于在空间因素至关重要的设计中减少元件数量的诸多特点,包括一个取自经修整的片上400mV带隙的基准和内部迟滞机制。LT6700还具有低压微功率单电源操作(典型值为1.4V至18V、7μA)和Over-The-Top? I/O功能,旨在实现通用性的最大化,并提供特别适用于便携式电池供电应用的解决方案。输出是集电极开路的,目的在于实现逻辑线“与”功能,并能驱动相对较重的负载(高至40mA),比如继电器或LED指示器。


LT6700支持多种设计配置,但仍采用一种引脚数目最少的封装(6引脚ThinSOT?)。这是通过提供三种不同版本的LT6700来实现的,每种版本各有不同的配置。LT6700-1 为设计师提供了一个反相和一个同相输入,特别适用于窗口检测功能;LT6700-2提供了两个反相输入;而LT6700-3则提供了两个同相输入。内部基准与每个比较器部分的一个输入相连,如图1所示,剩下的两个连接被用户用来进行信号检测。


如何使用具有集成400mV基准的双微功率比较器简化监控器和控制功能? 

图1:LT6700系列的引脚功能


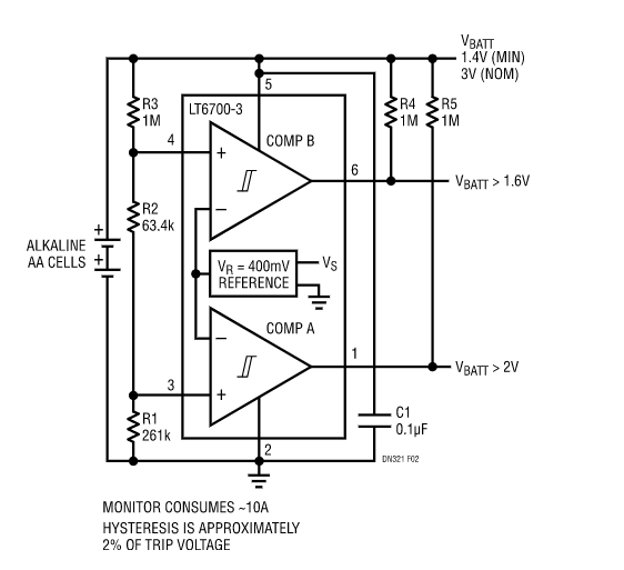
“电量测量”电池监控器


凭借LT6700精确的内部基准(在整个温度范围内的误差为±2%)能容易地设计出一个简单而准确的电池监控器。图2示出了一个两门限“硷性”电池监控器的实现方案。对于所示的电阻值,当电池电压降至2V(每节为1V)以下时(这对应于电池容量尚馀30% 的情形),引脚1输出电平走低。当电池电压为1.6V (每节为0.8V)时,引脚6输出电平也走低,因为电池达到了其额定“寿命结束”电压。门限点的数量可以容易地通过延长阻性分压器链并采用附加比较器来增加。    


如何使用具有集成400mV基准的双微功率比较器简化监控器和控制功能?

图2:微功率“电量测量”电池监控器


简单的窗口功能状态监控器


LT6700-1很适合那些能够利用输出线“与”功能的窗口比较应用。图3示出了一个能在电压限制被超过时提供光隔离报警指示的48V电源总线监控器。该电路所进行的微功率操作使其能够采用简单的齐纳二极管技术直接从监控的电压获得工作电源。


如何使用具有集成400mV基准的双微功率比较器简化监控器和控制功能?

图3:48V电源总线状态监控器


当总线工作电压处于正常电压范围之内时,两个比较器输出均处于无效状态,于是LED接通且报警输出为低电平(报警清除)。如果总线电压产生了足够的偏移,则其中一个比较器把LED电压拉低,从而导致报警。请注意,任何引起至光电晶体管的开路连接或阻止LED工作(即其他开路条件)的故障模式在目的逻辑输入端上产生一个失效保险报警指示。LT6700在极低电压条件下工作的能力确保了即使在总线电位深度下降的情况下也能够提供正确的报警指示(22V齐纳二极管通过使LED失效进一步消除在总线断电变换过程中发出错误的故障指示之可能性)。


微功率恒温器/温度报警


虽然400mV基准不能直接为电路设计师所用,但一个反相比较器部分通过执行一个简单的“砰-砰”伺服可被用来与基准成比例地对一个外部电压进行调节。该技术示于图4, 其中,乘数由一个等电阻反馈路径设定为2。反相比较器负责控制电流以便保持电容器上的电压,这样,反馈信号在输入迟滯点之间“往返”。LT6700迟滞的标称值为6.5mV,因此,该电路在伺服电容器上具有约13mVP-P纹波。


如何使用具有集成400mV基准的双微功率比较器简化监控器和控制功能?

图4:微功率恒温器/温度报警


另一个比较器部分实际上执行的是报警判定,该判定是简单地基于一个电阻半桥电路的不平衡。在该电路中,使热敏电阻的阻值与一个已知电阻器相平衡,于是,针对所关心的温度从热敏电阻表中选择RSET就能轻易地设定温度门限。由于所示热敏电阻的阻值变化约为–4.4%/°C,因此,输出信号的温度迟滞约为0.4°C,这适合于大多数环境控制应用。与热敏电阻并联的电容器用于滤除基准乘法电路的纹波。该电路的微功耗特点允许它在采用一个普通的3V钮扣电池(即CR2032)时可连续工作两年以上。


结论


LT6700提供了用于基于广限状态和控制功能的紧凑型微功率解决方案,其超宽的电源电压范围以及Over-The-Top功能为便携式电池供电产品以及工业应用提供了理想的性能。

(来源:亚德诺半导体)


免责声明:本文为转载文章,转载此文目的在于传递更多信息,版权归原作者所有。本文所用视频、图片、文字如涉及作品版权问题,请电话或者邮箱editor@52solution.com联系小编进行侵删。



推荐阅读:

MOSFET性能改进:超级结MOSFET(SJ-MOS)

如何以经济实惠的方式将 EtherNet/IP、EtherCAT 和 PROFINET 添加到自动化工厂

如何使用 TI 毫米波占位传感器设计高能效的智能空调

SiC MOSFET替代Si MOSFET,只有单电源正电压时如何实现负压?

优化信号链的电源系统 — 第3部分:RF收发器

特别推荐
技术文章更多>>
技术白皮书下载更多>>
热门搜索

关闭

?

关闭