桃花源qm花论坛(品茶),凤楼阁论坛官网入口网址,一品楼品凤楼论坛最新动态,风楼阁全国信息2024登录入口

你的位置:首页 > 互连技术 > 正文

软件可配置硬件如何帮助实现工业I/O??榈牧榛钚?/h2>

发布时间:2021-07-19 来源:Hakan Uenlue 责任编辑:lina

【导读】不管是用于过程控制安装还是工业自动化系统,I/O??榛蛳殖〗酉吆性谡霾飞芷谥卸济媪僮鸥髦侄捞氐奶粽健2饭芾聿阈枰龆扛霾肥褂枚嗌俑鐾ǖ酪约敖心男┳楹?。电子设计人员必须决定如何对项目中的各种模拟或数字信号实现出色性能以及成本高效的系统。
 
不管是用于过程控制安装还是工业自动化系统,I/O??榛蛳殖〗酉吆性谡霾飞芷谥卸济媪僮鸥髦侄捞氐奶粽?。产品管理层需要决定每个产品使用多少个通道以及进行哪些组合。电子设计人员必须决定如何对项目中的各种模拟或数字信号实现出色性能以及成本高效的系统。所有不同的产品和大量接线图可能使安装技术人员心力交瘁。如果我们能够设计出一种具有极高灵活性的系统来应对这些难题,生活是不是会更轻松?ADI公司的新产品系列软件可配置输入/输出(SWIO) IC可实现此目标,它可随时支持引脚上的几乎任意功能和组合。
 
对于过程控制或工厂自动化中的工业可编程逻辑控制器(PLC)或分布式控制系统(DCS),最终客户和应用的要求不同。产品经理要定义正确的产品、策略和优化是一项艰巨的任务。1一个最终客户可能需要更多模拟输出通道,如4 mA至20 mA,而另一个最终客户可能需要更多数字输入?;蛘哒飧隹突У囊桓銎教ㄐ枰嗄D馔ǖ溃硪桓銎教ㄐ枰嗍滞ǖ?。这种困境的示例如图1所示。随着工业4.0的出现,消费者的行为和需求也发生了变化,因此,制造商需要更灵活的系统来快速轻松地适应不断变化的要求。为此,制造商不能再依赖为大众市场产品设计的固定的大规模系统和可预测的需求。相反,他们需要灵活的系统,此类系统支持快速重新配置,?;奔浜妥时就度胍泊τ诜浅5偷乃?。
 
软件可配置硬件如何帮助实现工业I/O模块的灵活性
图1.通道数和配置可能性
 
SWIO组件不仅支持其通道作为输入或输出编程,而且支持作为模拟或数字编程。此外,还可对它们进行高效设置,用于读取2线或3线RTD或热电偶。
 
由于软件可配置I/O可进一步用于需要更新至10BASE-T1L工业以太网系统的棕地装置,所以可将其用作为基于以太网的控制网络之间的连接桥梁。它还支持开发标准化的可配置现场I/O单元,此类单元能够在现有支持HART®的4 mA至20 mA传感器和执行器与10BASE-T1L或100米光纤回程之间进行转换。
 
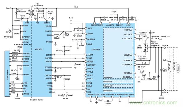
图2显示四通道SWIO器件AD74413R,该器件旨在满足过程控制、工厂自动化或楼宇控制应用(本文重点介绍工业应用)。此器件是用于工业输入和输出操作的完全集成式整体解决方案。AD74413R具有一个16位、∑-Δ ADC和四个13位DAC,采用支持–40°C至+105°C工作温度范围的9 mm × 9 mm、64引脚LFCSP封装。每个通道均采用通过时钟高达24 MHz的SPI总线写入配置寄存器的方式来配置。用户可通过AD74413R寄存器图改进每个操作模式的默认配置。
 
软件可配置硬件如何帮助实现工业I/O模块的灵活性
图2.软件可配置I/O组件和典型应用示例
 
AD74413R的16位、Σ-Δ ADC可通过单个转换请求测量四个通道中的一个或多个通道以及多达四个诊断输入上的电流或电压。转换速率高达4.8 kSPS,并提供可选50 Hz和60 Hz抑制滤波器。
 
每通道13位R-string DAC本质上是单调线性的。这些DAC支持高达25 mA的电流输出,并具有用于故障诊断的开路检测能力。同样,也可提供真正0 V到11 V的电压输出。
 
AD74413R具有在价格敏感应用中驱动DAC和ADC的高精度内部基准电压源,然而需要高性能时,可使用外部基准电压源。
 
可能的功能和操作模式
每个通道的功能概述见表1。该组件可支持电压输出、电流输出、电压输入、外部供电的电流输入、环路供电的电流输入、外部RTD测量、数字输入逻辑和环路供电的数字输入。上电或器件复位后,也有高阻抗模式作为默认功能。
 
表1.可能的功能选择
 
软件可配置硬件如何帮助实现工业I/O??榈牧榛钚? title=
 
电压输出放大器可产生高达11 V的单极性电压。内部低电压电荷泵允许放大器产生真零输出电压。在此模式下,外部检测电阻提供电流反?。友共饬鱂VMI方法),通过SENSEL_x引脚的负反馈调节正确的电压水平。
 
在电流输出模式下,DAC提供的电流输出(通常为0 mA至25 mA)通过检测传感器电阻(SENSEL_x和SENSEH_x引脚)上的差分电压来调节。在低阻负载情况下,要降低裸片上的功耗,可连接一个外部PMOS以通过0 mA至25 mA输出电流。
 
电流输入模式可支持外部供电和环路供电配置。16位Σ-Δ ADC通过检测电阻自动测量电流??陕瞬觳庖牛⊿ENSEHF_x和SENSELF_x)用于此目的。此外,这两种类型的电流输入功能都有可确保最小230 Ω接收阻抗的额外HART兼容模式。2
 
电压输入模式通过其中一个滤波端口(SENSELF_x)和地感使用ADC测量电压??烧攵愿】盏缪寡≡穸钔庀吕∠睢T诘缪故淙肽J较?,也可通过ADC中的专用范围设置获得热电偶读数。
 
电阻测量模式使用从2.5 V偏置电压获得的电压对外部2线RTD进行偏置。通过上拉电阻至偏置电压,可确保精确的比率测量。低激励电流可最大限度地降低功耗,从而减少RTD的自热。
 
数字输入模式支持IEC 61131-2 I型、II型和III型器件。阈值可通过专用寄存器编程。每个通道都有一个专用通用输出(GPO)和用户可编程防抖滤波。
 
稳健性和诊断
由于工业环境的性质,AD74413R设计为在嘈杂环境中功能稳健,并能承受接线错误和浪涌事件等过压情况。由于片内线路保护装置,螺丝端子连接到比AVDD引脚更高的电位时不会将电源输入IC??墒褂枚钔獾腡VS二极管承受输入/输出端子上的高浪涌。此外,为了提高AD74413R的稳健性,将循环冗余校验(CRC)内置在SPI接口中。
 
软件可配置硬件如何帮助实现工业I/O??榈牧榛钚? title=
图3.具有ADP1032电源管理单元的AD7441xR的典型应用电路
 
多个诊断功能可确保AD74413R正常运行,它们可针对大多数常见故障场景提供警告。片内诊断功能可监测电源电压、基准电压、裸片温度(报警或关断)和螺丝端子。端子上连接的故障电压高于AVDD或低于0 V时,对最后一个因素的诊断有助于进行接线错误检测。外部检测电阻可进一步协助诊断以及正常操作。例如,它可以为电压模式提供短路检测,或帮助调节电流输出模式。用户也可以选择编写自己的诊断程序来测试连接的传感器/执行器,因为AD74113R可以施加电压或电流,并从现场设备读取电流或电压响应。
 
如果发生报警情况,ALERT引脚将置位。ALERT_STATUS寄存器可确定故障来源。
 
配套解决方案
 
一个常见应用请求是I/O??榛騊LC具有微处理器隔离功能或在总线侧有电子控制单元。数据和电源都应该是电气分离的。为了这两个目的,ADI公司为SWIO系列开发了专用电源和数据隔离器。ADP1032是高性能隔离式电源管理单元(PMU),包括带有降压调节器和数据隔离通道的隔离式反激稳压器。如图2所示。
 
两个调节器进行相移以应对极低的电磁干扰(EMI)。电流模式反激控制器可提供6 V至28 V电压。它具有欠压闭锁(UVLO)、过流/过压?;ぁ⑹鼓芸刂?、软启动和压摆率控制。此外,它还有7个低功率数字隔离通道——4个用于SPI,3个用于通用通信。
 
I/O模块中的另一个典型需求是驱动继电器或灯。AD74413R的GPO也可能编程为特殊数字输出(DO)。通过外部PMOS和ADM1270限流控制器,此引脚可调节几百毫安用于驱动继电器或灯。ADM1270为这些感性或电阻负载提供浪涌限流和过流?;?。在AD74413R的评估板上可找到典型应用示例。
 
需要HART调制时,AD5700可为基于AD74413R的系统提供调制解调器功能。
 
由于本文的范围涉及工业应用,我们主要讨论AD74413R。还有一个更轻的版本为AD74412R,目标是构建控制应用。它具有–40°C至+85°C的更小工作温度范围、更低的电流输入和输出精度以及高达26.4 V的电源电压。
 
结论
 
借助正确的SWIO IC,制造商可开发一个平台来代替多个陈旧的固定功能I/O模块。他们也可将该技术用于I/O随着每次安装而动态变化的多个最终应用中。对于传统上依赖带多个I/O模块的控制柜且每个通道类型需采用指定布线的系统,由于最终用户现在可以安装可在控制室编程的单个??椋布男枨笏嬷?,从而有助于降低产品管理、物流、制造和支持成本。由于SWIO技术可应用于已经可用的装置,所以也可作为基于以太网的控制网络之间的连接桥梁。
 
参考资料
1 Bela G. Liptak.仪器仪表工程师手册,第II卷:过程控制和优化。CRC出版社,2005年9月。
 
2 HART通信协议。国际现场通信技术基金会。
(来源:ADI公司,作者:Hakan Uenlue,高级现场应用工程师)
 
免责声明:本文为转载文章,转载此文目的在于传递更多信息,版权归原作者所有。本文所用视频、图片、文字如涉及作品版权问题,请电话或者邮箱联系小编进行侵删。
 
 
推荐阅读:
如何让测温更简单灵活、精准?
详解电源?;ぜ际?/a>
为什么运算放大器有共模输入电压范围限制?
如何增强DSP协处理能力有哪些应用?
贸泽与Littelfuse联手发布新电子书探索用于?;さ缙绾偷缏返慕饩龇桨?nbsp;
要采购传感器么,点这里了解一下价格!
特别推荐
技术文章更多>>
技术白皮书下载更多>>
热门搜索

关闭

?

关闭