桃花源qm花论坛(品茶),凤楼阁论坛官网入口网址,一品楼品凤楼论坛最新动态,风楼阁全国信息2024登录入口

你的位置:首页 > 互连技术 > 正文

如何有效提高CAN总线抗干扰能力?

发布时间:2021-03-08 来源:ZLG 责任编辑:wenwei

【导读】CAN总线由其高可靠和实时性被广泛应用于新能源汽车、轨道交通、医疗、工程机械等行业,但是由于大部分行业工作环境都比较恶劣,所以提高总线抗干扰能力是目前行业用户最为关注的方向。
 
常见CAN总线干扰现象
 
如下为一条流水线有两路CAN总线,一条总线有22个控制节点,每当启动工作时就会出现严重的失控状态,流水线都是通过电机驱动的。在使用CANScope测试发现,在未启动电机情况下,帧统计结果显示100%成功率,如图1所示。
 
如何有效提高CAN总线抗干扰能力?
图1 正常工作帧统计
 
此时CAN波形图如图2所示。
 
如何有效提高CAN总线抗干扰能力?
图2 正常波形
 
然而当电机启动之后,CAN总线质量急剧下滑,使用CANScope帧统计结果显示成功率仅仅为16.33%,如图3所示。
 
如何有效提高CAN总线抗干扰能力?
图3 干扰时帧统计
 
此时的CAN波形图如图4所示,可见干扰导致波形严重畸变。
 
如何有效提高CAN总线抗干扰能力?
图4 干扰时波形
 
干扰导致帧错误增加,重发频繁,正确数据不能及时到达。所以如何解决干扰带来的困扰呢,下面就为大家介绍CAN总线抗干扰的六大解决方案。
 
一、增加CAN接口电气隔离
 
干扰不但影响信号,更严重的会导致板子死机或者烧毁,所以接口和电源的隔离是抗干扰的第一步。隔离的主要目的是:避免地回流烧毁电路板和限制干扰的幅度。未隔离时,两个节点的地电位不一致,导致有回流电流,产生共模信号,CAN的抗共模干扰能力是-12~7V,超过这个差值则出现错误,如果共模差超过±36V,烧毁收发器或者电路板。
 
传统用户都采用分立器件自己搭建隔离电路的方式,如今大家更青睐使用隔离收发器做防护隔离。如图所示的CTM系列隔离收发器的总线隔离技术,与传统分立器件方案相比,产品具备更高的集成度与可靠性,能够有效提升总线通信防护等级,极大程度降低用户的采购与生产成本,大幅缩短开发周期。增加CTM隔离模块后,如图5所示。隔绝了地回流,限制了干扰幅度。
 
如何有效提高CAN总线抗干扰能力?
图5 CAN接口电气隔离
 
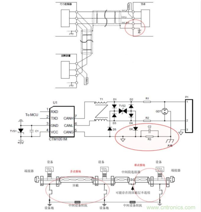
二、共收发器的信号地
 
共CAN收发器的信号地,并且CAN使用三线制信号传输??梢杂行б种乒材8扇?。注意图6中屏蔽层为近距离外壳等电势的情况下的接线方法。
 
如何有效提高CAN总线抗干扰能力?
图6 CAN信号共地
 
三、CAN线保证屏蔽效果与正确接地
 
带屏蔽层的CAN线,可以良好地抵御电场的干扰,等于整个屏蔽层是一个等势体,避免CAN导线受到干扰。如图所示,为一个标准的屏蔽双绞线,CANH和CANL通过铝箔和无氧铜丝屏蔽网包裹。需要注意的是和与接插件的连接,在连接部分允许有短于25mm的电缆不用双绞。
 
如何有效提高CAN总线抗干扰能力?
图7 屏蔽双绞线
 
使用屏蔽线后,在屏蔽层没有良好接大地前,屏蔽线是不起作用的。所以我们要选择一种接地方式。这里有三种外壳接地法:屏蔽层单点接地、屏蔽层分段屏蔽法、多点接地可以加快高频干扰信号的泄放。在CAN的应用场合,由于距离一般都较远,所以大部分采用屏蔽层单点接地的原则,在干线上找一点将屏蔽层用导线直接接地,该点应是所受干扰最小的点,同时该点位于网络中心附近。
 
如何有效提高CAN总线抗干扰能力?
图8 屏蔽层分段屏蔽法
 
四、提高CAN线双绞程度
 
CAN总线为了提高抗干扰能力,采用CANH和CANL差分传输,达到效果就是遇到干扰后,可以“同上同下”,最后CANH-CANL的差分值保持不变。如图9所示。
 
如何有效提高CAN总线抗干扰能力?
图9 差分干扰示意
 
CANH和CANL要紧密地绞在一起,通常双绞线只有33绞/米,而在强干扰场合,双绞程度要到45-55绞/米才能达到较好的抗干扰效果。另外线缆的芯截面积要大于0.35~0.5mm²,CAN_H对CAN_L的线间电容小于75pF/m,如果采用屏蔽双绞线,CAN_H(或CAN_L)对屏蔽层的电容小于110pF/m??梢愿玫亟档拖呃伦杩梗佣档透扇攀倍抖缪沟姆?。
 
五、增加信号?;て?/div>
 
增加信号保护器,提高抗浪涌群脉冲等EMC能力。上面的隔离只是阻挡,如果干扰强度很高,比如达到2KV浪涌,隔离也会被破坏。所以要想达到更高的防护等级,必须增加防浪涌电路。如图10所示,为ZLG致远电子高速总线标准防浪涌?;さ缏?。
 
如何有效提高CAN总线抗干扰能力?
图10 信号?;さ缏?/div>
 
六、CAN转光纤传输
 
增加CAN转光纤转换器。解决超强干扰(比如远程激光与电磁脉冲发射装置)与雷击问题,光纤是一种无法被电磁干扰的传输介质,如图11所示,为使用ZLG致远电子的CANHub-AF1S1和CANHub-AF2S2组合的光纤主干网络。
 
如何有效提高CAN总线抗干扰能力?
图11 光纤传输
 
来源:ZLG致远电子,原创:AE  
 
免责声明:本文为转载文章,转载此文目的在于传递更多信息,版权归原作者所有。本文所用视频、图片、文字如涉及作品版权问题,请联系小编进行处理。
 
推荐阅读:
 
适用于IEPE传感器的24位数据采集系统
特别推荐
技术文章更多>>
技术白皮书下载更多>>
热门搜索

关闭

?

关闭