【导读】很多工程师都以为只有电源才会使用电容,其实电容的应用范围特别广泛,不仅仅为了保证电源系统有一个好的电源完整性需要使用大量的电容,信号完整性工程师为了保证信号完整性,EMC工程师为了使产品更顺利的通过电磁兼容性的测试也是对电容“绞尽脑汁”。
很多工程师都以为只有电源才会使用电容,其实电容的应用范围特别广泛,不仅仅为了保证电源系统有一个好的电源完整性需要使用大量的电容,信号完整性工程师为了保证信号完整性,EMC工程师为了使产品更顺利的通过电磁兼容性的测试也是对电容“绞尽脑汁”。
电容是非常每一个电路上都会使用的器件,电容会应用在电源系统中,也会应用于信号线上。在低速电路中,我姑且把电容称之为电容,但是在高速电路上或者电源系统中,电容以及不仅仅是电容,是一个由等效电容、等效电阻和等效电感组成的一个电路,简单的结构如下图所示:

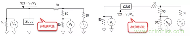
所以电容的参数的测量就不能再使用简单的万用表来测量啦!而需要使用网络分析仪进行测量,使用网络分析测试时,最重要的方式有并联测试法和串联测试法,示意图如下图所示:

并联测试方法简化装置如下图所示:

从上面的示意图和简化装置可以看到,不论是并联测试方法还是串联测试方法都采用的2端口网分(当然,也可以考虑用4端口测试方法,有兴趣的可以去Google下),这样测试获得的参数就是2端口的S参数,即*.s2p的文件,如下图所示为一颗电容的S参数文件:

通过S参数,工程师可以了解到其阻抗特性、损耗等等,也就是电容的滤波特性,其阻抗特性曲线如下图所示:

这种测试电容的步骤其实非常简单,在测试的时候要按照电容的封装大小设计一块测试夹具板和校准板,然后把电容焊接上去,通过AFR或者TRL或者SOLT的校准方式进行校准后就可以直接测试电容啦(推荐使用AFR校准,这是最简单的校准方式,设计的板子也简单一些)。
电容的S参数模型可以应用于信号完整性和电源完整性仿真中。在使用SIPro/PIPro仿真时,可能有的工程师会有疑惑,为什么在软件中添加*.s2p的S参数时会强制变为*.s1p呢?这是否有问题?
首先答案是肯定不会有问题。对于电容或者磁珠这类器件,在测量的数据就是s2p,而不是s1p,这是因为在测量的时候使用的2端口的网分测试的。而在仿真的时候使用的是s1p的文件,这样有一个优势,就是减弱了器件对夹具板地的影响,这样就增加了其设计的性能。有兴趣的也可以搭建一个仿真电路去分析电容的s1p和s2p的效果是否一样,原理图如下图所示:

S21使用的是s2p模型文件,连接的snp元件这是正常的仿真S参数的连接方式;S43使用的是s2p文件把Ground不连接;S65使用的是S1P的模型文件,Ground连接到TermG上,获得的结果如下图所示:

很显然,三条曲线是重合的,说明s2p和s1p是等效的。
本文主要是简单介绍了如何简单的测试电容、磁珠等2端口无源器件的S参数模型,以及为什么在SIPro和PIPro仿真时采用的是s1p的文件。当然,对于如何精确的测试这类无源器件的模型以及如何在ADS中建立相关的模型库有兴趣的,可以再进一步的交流。
2019中国国际3C自动化装配与测试展览会将于2019年7月10-12号上海国际博览中心举行
如何电源逆变器应用中选择隔离架构、电路和元件?
使用超低噪声LDO对电源的影响
使用微型??镾IP中的集成无源器件
ADI电源产品帮助客户向工业4.0过渡






