【导读】本设计将蓝牙技术运用于电脑防盗。利用了蓝牙技术来检测被?;さ牡缒允欠裨诎踩段?。当被保护的电脑被盗时,蓝牙接收器检测到电脑超出安全范围,启动报警器报警,从而起到电脑防盗的作用??蠢捶赖烈驳弥悄芑恕?/strong>
在日常生活中,笔记本电脑具有便于携带、使用方便、价格昂贵等特点。电脑被盗或者丢失不仅使个人财产遭受损失,而且会使个人信息或隐私泄露,对自己和他人造成诸多不便。分析目前市场上的电脑防盗系统,它们存在自身体积大、易受外界干扰、易被盗窃等诸多缺陷。
蓝牙是一种开放的短距离无线通信技术规范,工作在全球通用的2.4GHzISM频段。蓝牙的数据速率为1Mb/s,在全球开放的2.45GHzISM频带上以1600跳/s的速率进行跳频,使用2.4GHz的ISM频段,无须申请许可证。蓝牙本身具有保密性好、抗干扰能力强、功耗低、便于集成等特点,尤其是其编解码一致。目前蓝牙技术已经在全球成熟化,其具有的短距离传输以及??榛晕颐堑纳杓朴泻艽蟀镏?。
1 系统硬件方案设计
硬件设计概述本系统硬件设计主要分为两部分:
①蓝牙信号发生部分;
②蓝牙信号接收处理部分。
信号发生器由用户携带,它向信号接收器发射蓝牙检测信号。信号接收部分由于自身体积较小,可以被整合到电脑内部,用来检测电脑是否在规定范围内,并决定是否报警。
本系统信号发生部分借助于555定时器,实现秒脉冲工作模式。让发射部分以一秒为周期,循环发送蓝牙信号,充分降低功耗。
当用户电脑和信号发生器距离在规定范围(本系统为10m)以内时,蓝牙接收器可以接收到蓝牙信号,表示电脑安全,微控制器不使能报警操作。
当用户电脑超出规定范围时,蓝牙接收器不能接收到蓝牙信号,表示电脑被盗,微控制器使能报警操作。
信号发生部分包括电源???、信号发生模块、555定时器模块。信号接收部分包括电源模块、信号接收???、微控制器???、报警???。硬件原理图如图1所示。

图1 硬件原理图
2 硬件设计
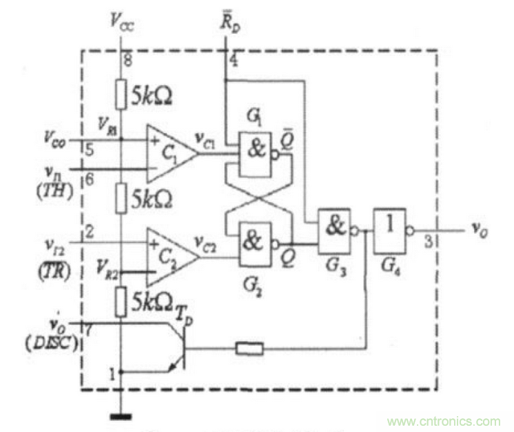
2.1 555定时器???/strong>
555定时器是一种模拟和数字功能相结合的中规模集成器件。555定时器的电源电压范围宽,可在4.5V~16V工作,性能可靠。只需要外接几个电阻、电容,就可以实现多谐振荡器、单稳态触发器及施密特触发器等脉冲产生与变换电路。其内部电路如图2所示。

图2 555定时器内部电路
555定时器的工作原理如下:
当输入信号自1脚输入并超过2VCC/3时,触发器复位,输出端3脚输出低电平,同时放电,开关管导通;当输入信号自2脚输入并低于VCC/3时,触发器置位,3脚输出高电平,同时放电,开关管截止。
2.2 发射??榈缭?br />



