【导读】SIM卡也称为智能卡、用户身份识别卡,GSM数字移动电话机必须装上此卡方能使用。它在一电脑芯片上存储了数字移动电话客户的信息,加密的密钥以及用户的电话簿等内容,可供GSM网络客户身份进行鉴别,并对客户通话时的语音信息进行加密。
SIM卡数据线路保护一直是各个公司的产品重点,而且专门为此类端口设计的集ESD(TVS)/EMI/RFI防护于一个芯片的器件,充分体现了片式器件的无限集成方案。
在针对不同用途选择器件时,要避免使器件工作在其设计参数极限附近,还应根据被?;せ芈返奶卣骷翱赡艹惺蹺SD冲击的特征选用反应速度足够快、敏感度足够高的器件,这对于有效发挥保护器件的作用十分关键,另外集成它功能的器件也应当首先考虑。Semtech公司有专有的ESD/EMD TVS器件给SIM卡保护。

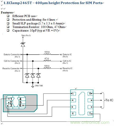
图1:400 pm height protection for SIM Ports

图2:SIM Port with SWP Line




