中心议题:
- 电子镇流器的局部整流效应产生机理及现状
- 电子镇流器的局部整流效应?;さ缏返墓ぷ髟?/strong>
解决方案:
- 利用变压器实现电子镇流器的局部整流效应保护功能设计
1 引言
现有电子镇流器的异常情况有下列五种状态,分别为:灯不接入状态;灯的一个阴极损坏使灯处于不能启动的状态;灯的阴极完好,但不能启动状态(去激活状态);启动器开关短路状态;灯尚能工作,但灯的2个阴极中有一个已去激活或损坏。
在现阶段,一般电子镇流器都已具有异常状态?;さ缏?,从而避免了灯和镇流器各种安全故障的产生。上述前四种异常状态都能很好的解决。
而第五种异常状态就是IEC61347-2-3标准最新版的内容,即所谓的局部整流效应。电子镇流器因局部整流效应所造成的超功率输出能量,有很大部分会使灯的阴极灯丝以及喇叭状玻璃烧坏,灯头温升上升使灯座软化变形,严重时甚至会发生灯的玻管壁因骤热而发生开裂。上述两种现象都可能使灯管跌落发生伤人的现象,解决局部整流效应尤为急迫。
2 局部整流效应的产生机理及现状
局部整流效应的产生机理是:当灯的寿命将终止时,往往某一阴极的电子发射量不足,而另一个阴极则还处于正常状态,有一个灯电流从开始出现不对称发展到最后只有半波电流的发展过程。这种局部整流效应按标准的要求,可根据电子镇流器不同的电原理图以及与灯配合所表现的局部整流效应的现象,用下述三种方法中适用的一个方法来检验其合格性。试验方法详见IEC61347-2-3。
⑴不对称脉冲试验。模拟灯一会儿产生不对称弧光放电,一会儿产生半波弧光放电和(或)半波辉光放电的现象。
⑵不对称功率试验。模拟连续放电缓慢地产生局部整流效应的现象。
⑶灯丝开路试验。
解决局部整流效应的难处,就是对局部整流效应故障的可靠检测。在局部整流效应发展过程中,灯电流中的波动直流分量所造成的电子镇流器超载现象,不足以使电子镇流器内的?;さ缏范?。电子镇流器内的?;さ缏啡绻槊舳忍?,一般会使灯在低温启动时尚未能启动就转入?;ぷ刺?,使灯不能转入正常工作。同时,由于电子镇流器设计和制造技术的进步,要求电子镇流器有较好超负载的能力,这就让局部整流效应解决起来很是困难。
现有的解决方案无非是检测输出电压峰值的变化,或者检测输出电感上电流的变化,进行控制?;せ芈贰U庋杓瞥隼吹牟繁;ば阅芤恢滦院懿睿懿煌秃诺乒艿挠跋煲埠艽螅薹煽拷饩鼍植空餍в?。
3 局部整流效应保护电路的工作原理
3.1 理论依据
图1所示的是共模电感的滤波电路,Tr2a和Tr2b就是共模电感L的两个线圈。这两个线圈绕在同一磁芯上,匝数和相位都相同。这样,当电路中流过电流ia和ib的大小相同、方向相反时,电流在同相位绕制的电感线圈中产生反向的磁场而相互抵消,磁芯中没有交变的磁通量产生。

图1共模滤波电路
[page]
基于此考虑,在共模电感上增加一个线圈Trc,形成一个采样变压器的次级(如图2所示),初级为Tr2a和Tr2b,当流过初级Tr2a和Tr2b的电流ia和ib的大小相同、方向相反时,磁芯中没有交变的磁通量产生,Tr2c上没有感应电压,换句话说,采样线圈Tr2c检测不到电信号。

图2 采样变压器
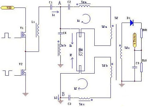
3.2 局部整流效应保护电路
基于上述理论所设计的具有局部整流效应?;すδ艿牡缱诱蛄髌髟硗既缤?所示。变压器Tr2实现对异常信号的检测,共有三个绕组Tr2a、Tr2b和Tr2c。变压器Tr1对灯管两侧的灯丝供电、起到灯丝预热的效果,共有三个绕组Tr1a、Tr1b、Tr1c;Tr1b、Tr1c为匝数完全相同的两个次级绕组。变压器Tr2的两个初级绕组Tr2b、Tr2c分别串联在荧光灯灯管两端的供电回路中,变压器Tr2的次级绕组Tr2c的一端与整流电路的一端连接,另一端接地。所述整流电路的另一端与?;さ缏返钠舳藕攀淙攵肆?。
对于电路的节点A,可列方程式(1);对于电路的节点B,可列方程式(2)。
Io1=Is1+Il1 (1)
Io2=Is2+Il2 (2)
式中,Io1、Io2分别表示负载的输入电流与输出电流;Is1、Is2分别表示两侧灯丝电流;Il1、Il2表示灯两侧的灯电流。由戴维南定律可知:Io1=-Io2 。
当灯管正常工作时,灯管两侧的电路完全对称,下列关系式成立。
Il1 =-Il2
由式(1)和式(2)可知:Is1=-Is2 。即流过Tr2a、Tr2b的电流大小相同、方向相反。两者产生的磁通变化量互相抵消,从而绕组Tr2c上检测不到电信号,?;さ缏凡欢鳌?br />
当灯管出现局部整流效应时,两侧灯电流不对称,即Il1≠-Il2。由式(1)和式(2)可知:Is1≠-Is2 。即流过绕组Tr2a、Tr2b的电流不相等,两者产生的磁通变化量无法相互抵消,从而变压器Tr2中有交变的磁通量产生,绕组Tr2c就产生感应电压。对这感应电压进行整流滤波后送至?;た刂苹芈?,实现?;すδ堋?/p>

图3 变压器实现局部整流效应?;さ脑硗?/p>
4 结论
在IEC61347-2-3标准的最新修订本中,只给出了T5和T4灯的局部整流效应要求,但实际的使用中T8灯也已发生了因为局部整流效应而发生灯管熔化、爆裂、灯座熔化及跌落现象。对T8灯用的电子镇流器也进行考核试验,以保证当灯出现局部整流效应时,不发生上述危及使用安全的现象。基于上述分析我们清楚的知道,该原理解决局部整流效应与灯管的管径粗细及灯管长短无关,同时很好的解决了灯的其它异常状态的?;すδ?,如:灯不接入状态;一个阴极损坏使灯处于不能启动的状态;灯的阴极完好、但灯不能启动的状态(去激活状态)等异常情形。






