【导读】交流充电桩适合在家中或工作场所为电动汽车充电,因为目前车载充电器的额定功率通常达到11千瓦,充满电需要8~10小时。然而,对于假期等长途旅行,消费者希望在休息期间充电更快。
交流充电桩适合在家中或工作场所为电动汽车充电,因为目前车载充电器的额定功率通常达到11千瓦,充满电需要8~10小时。然而,对于假期等长途旅行,消费者希望在休息期间充电更快。
直流电动汽车充电桩具有交流转直流、隔离直流转直流的特点,比交流充电桩具有更高的额定功率。使用分立器件的直流电动汽车充电子单元的额定功率目前为 11 kW-22 kW,但在不久的将来将增加到 30 至 50 kW 范围。
多个直流电动汽车充电子单元并联可以将直流充电桩的额定功率从 120 kW 提高到 360 kW。使用这种直流充电桩,消费者可以在不到半小时的时间内将电池充电至80%的电量。由于快速充电的优势和电动汽车的快速发展,直流电动汽车充电器市场近年来经历了非凡的增长。
与此同时,该市场正在面临可靠性、效率和功率密度方面的技术挑战。下一代功率半导体SiC器件将有利于应对这些挑战和发展目标。在本文中,我们介绍了用于直流电动汽车充电器应用的 PFC 的 SiC 器件。
英飞凌的 SiC
近年来,宽带隙材料和器件得到了迅速发展。SiC 器件开关损耗低,使客户能够提高开关频率。因此,SiC产品广泛应用于直流电动汽车充电器、太阳能逆变器、不间断电源(UPS)和开关模式电源(SMPS)应用。
英飞凌在碳化硅方面拥有 20 多年的现场经验,采用如图 1 所示的沟槽结构,可在不破坏导通状态和截止状态条件下的栅极氧化物的情况下提高性能。为了证明沟槽结构的栅极氧化物可靠性,英飞凌对栅极氧化物进行了可靠性评估,结果如图 2 所示。
除了上述优点外,英飞凌 CoolSiC? MOSFET 还具有更高的阈值电压、短路能力和宽范围的可控 dV/dt。英飞凌在SiC MOSFET 长期运行的栅极阈值电压 (V GS(th) )漂移领域拥有知识。它提供了设计指南,以限制导通电阻 (R DS(on) ) 的相关增加,因为它对应用中的用户产生主要影响。这些优点使得英飞凌 CoolSiC MOSFET 易于使用 [1][2][3][4][5][6]。
图 1. 英飞凌 CoolSiC MOSFET 单元结构示意图。图片由 Bodo’s Power Systems提供
图 2.V GS过应力测试。图片由 Bodo’s Power Systems提供
适用于直流电动汽车充电器应用的 PFC
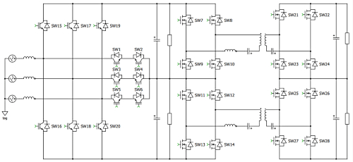
单向直流电动汽车充电器通常采用Vienna PFC拓扑和带有LLC谐振转换器和全桥整流器拓扑的DC-DC部分,如图3所示。
还有另一种常见的DC-DC拓扑结构,即相移全桥(PSFB),其具有不同的拓扑结构和控制方法。DC EV充电器中的PFC部分可以使用英飞凌产品,例如D1~D6采用1200 V Si或SiC二极管,SW1~SW6采用CoolMOS? MOSFET和TRENCHSTOP? IGBT5。LLC DC-DC原边可采用CFD系列CoolMOS MOSFET,副边可采用650V Rapid Si二极管或650V Infineon CoolSiC二极管。由于输出直流电压范围较宽,通常为200~1000 VDC,因此采用继电器串联或并联全桥整流器。
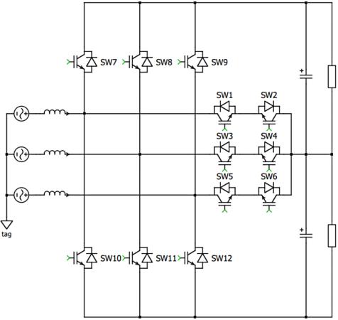
在本文中,我们重点关注直流电动汽车充电器应用的 PFC。Vienna PFC 拓扑广泛应用于单向直流电动汽车充电器应用,如图 4 所示。
由于SiC二极管的反向恢复电流比Si二极管低,因此当SW1~SW6导通时,此类电流将流过SW1~SW6。因此,如果反向恢复电流较小,则可以降低SW1~SW6的导通开关损耗。因此,1200 V SiC 二极管广泛应用于单向直流电动汽车充电器应用,以实现更低的功率损耗和更高的效率。较低的功率损耗意味着功率器件的结温较低,这可以提高可靠性或增加功率密度。
图 3. 直流电动汽车充电器拓扑。图片由 Bodo’s Power Systems提供
图 4. 维也纳 PFC 拓扑。图片由 Bodo’s Power Systems提供
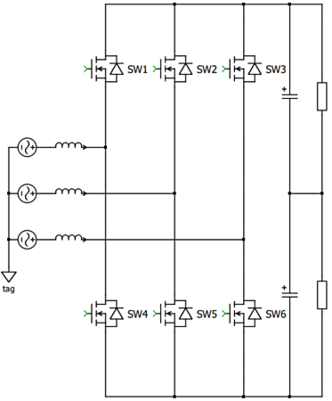
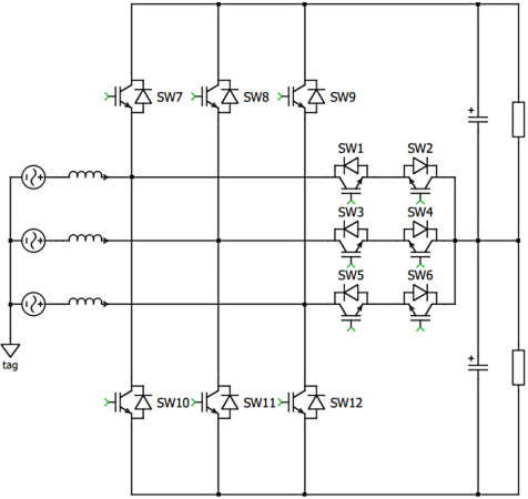
三相全桥拓扑 (B6) 也广泛用于直流电动汽车充电器应用,如图 5 所示。
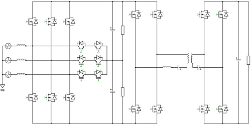
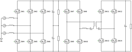
我们知道,这种B6拓扑也可以用作逆变器,因此可以用于双向应用。如果图3中的PFC二极管和整流二极管(D1~D14)改为开关器件,则拓扑变为中性点钳位2(NPC2,如图6)和双向DC-DC(CLLC,或双有源桥)拓扑,这是一种双向充电器拓扑,如图7所示。
直流电动汽车充电器中的双向功能通常是指当电池充电状态较高时,或在某些条件下,例如停电或户外时,将电动汽车中的电池放电到电网、用电设备或其他电动汽车野营。向电网放电也称为车辆到电网(V2G)技术,其优点包括降低电动汽车总拥有成本和优化电网稳定性等。这种技术肯定会在未来的充电器中得到应用,而双向充电器应该会成为直流电动汽车充电器的趋势。
如图8所示,使用1200V CoolSiC MOSFET替代DC-DC中的600V/650V CoolMOS,并使用B6替代图9所示的NPC2,可以减少系统中功率器件的数量,并使其更容易控制。这些优势还有助于双向直流电动汽车充电系统实现更高的效率、更高的功率密度和更低的单位重量。
图 5. 三相全桥拓扑 (B6)。图片由 Bodo’s Power Systems提供
图 6. 三相全桥拓扑 (B6)。图片由 Bodo’s Power Systems提供
图 7. 双向直流电动汽车充电器拓扑 A。图片由 Bodo’s Power Systems提供
图 8. 双向直流电动汽车充电器拓扑 B。图片由 Bodo’s Power Systems提供
图 9. 双向直流电动汽车充电器拓扑 C . 图片由 Bodo’s Power Systems提供
具有不同器件和拓扑的 15 kW PFC 简介
单向和双向直流电动汽车充电器应用有多种不同的解决方案。该研究重点关注 PFC 部件,以便比较效率和成本,并为单向和双向应用提出建议。表 1 和表 2 显示了用于单向和双向 PFC 的三种 15 kW 三相 PFC 解决方案。同时使用 Si 器件和 SiC 器件的解决方案称为混合解决方案。
在表 1 和表 2 所示条件下进行仿真后,得到的功率损耗与开关频率的关系曲线如图 10 和图 11 所示。从图 10 中单向 PFC 解决方案的曲线来看,1200 V 的 Vienna PFC 混合解决方案CoolSiC二极管的功率损耗与CoolSiC MOSFET B6解决方案几乎相同,并且比B6解决方案具有更好的性价比。
从图 11 双向 PFC 解决方案的曲线来看,Si NPC2 解决方案的功耗,混合 NPC2 的功耗低于 Si NPC2 解决方案,而采用 CoolSiC MOSFET 解决方案的 B6 功耗,且开关频率。由于开关频率高,我们还可以使用低电感、小散热器和小 PCB 尺寸,这有助于降低系统成本。
图 10. 单向 PFC 功率损耗曲线。图片由 Bodo’s Power Systems提供
图 11. 双向 PFC/INV 功率损耗曲线。图片由 Bodo’s Power Systems提供
结论
在本文中,我们介绍了单向和双向直流电动汽车充电器拓扑,特别是 PFC 部件和 SiC 器件,包括混合 Vienna PFC 和 B6 拓扑中使用的 1200 V SiC 二极管和 MOSFET。从功率损耗和开关频率曲线来看,我们建议在单向直流电动汽车充电器 PFC 部件的混合 Vienna PFC 中使用 1200 V SiC 二极管,从而实现效率和性价比。在 B6 拓扑中使用具有 1200 V SiC MOSFET 的双向直流 EV 充电器 PFC 部件可实现效率和性能,并为整个系统带来成本效益。
免责声明:本文为转载文章,转载此文目的在于传递更多信息,版权归原作者所有。本文所用视频、图片、文字如涉及作品版权问题,请联系小编进行处理。
推荐阅读:




