【导读】本文探讨了物联网电池技术。它描述了设计人员在电源方面面临的一些问题,并提供了 Analog Devices 的解决方案。这些解决方案非常高效,可以帮助解决物联网设备中的其他问题,包括尺寸、重量和温度。
本文探讨了物联网电池技术。它描述了设计人员在电源方面面临的一些问题,并提供了 Analog Devices 的解决方案。这些解决方案非常高效,可以帮助解决物联网设备中的其他问题,包括尺寸、重量和温度。
随着物联网设备在工业设备、家庭自动化和医疗应用中的使用越来越多,优化这些设备的电源管理部分的压力越来越大——要么通过减小尺寸、提高效率、改善电流消耗,要么加快充电时间。所有这些都必须以小尺寸的形式实现,既不会对散热产生负面影响,也不会干扰这些设备实现的无线通信。
什么是物联网?
这个物联网应用领域有许多不同的形式。它通常指的是一种智能的、联网的电子设备,可能由电池供电,并将预先计算的数据发送到基于云的基础设施。它利用处理器、通信 IC 和传感器等嵌入式系统的组合来收集、响应数据并将数据发送回网络中的中心点或其他节点。这可以是任何东西,从室温的简单温度传感器到中央监控区域一直到跟踪非常昂贵的工厂设备的长期性能数据的机器健康监视器。
终,开发这些设备是为了解决特定的挑战,无论是自动化通常需要人工干预的任务,如家庭或楼宇自动化,还是在工业物联网应用中提高设备的可用性和寿命,或者如果您考虑在基于结构的应用程序(例如桥梁)中实施基于状态的监控应用程序,甚至可以提高安全性。
示例应用程序
物联网设备的应用领域几乎是无穷无尽的。基于智能发射器的应用程序收集有关它们所在环境的数据,以做出有关控制热量、触发警报或自动执行任务的决策。此外,燃气表和空气质量测量系统等便携式仪器可通过云向控制中心提供准确的测量结果。GPS 跟踪系统是另一种应用。它们允许通过智能耳标跟踪集装箱和牲畜。这些只是云连接设备的一小部分。其他领域包括可穿戴医疗保健和基础设施传感应用。
一个重要的增长领域是工业物联网应用,它是第四次工业革命的一部分。物联网应用范围广泛,终都在尝试尽可能多地实现工厂自动化,无论是通过使用自动导引车、射频标签或压力计等智能传感器,还是放置在工厂周围的其他环境传感器。工厂。
从 ADI 的角度来看,物联网的重点在五个主要领域:
智能健康:支持临床层面和消费者应用的生命体征监测应用
智能工厂:通过使工厂响应更快、更灵活、更精简,专注于构建工业 4.0
智能建筑/智能城市:使用智能传感实现建筑安全、停车位占用检测以及热电控制
智能农业:利用现有技术实现自动化农业和资源利用效率
智能基础设施:基于我们基于状态的监测技术来监测运动和结构健康
有关这些重点领域和支持它们的可用技术的更多信息,请访问analog.com/IoT。
物联网设计挑战
在不断增长的物联网应用领域,设计师面临的主要挑战是什么?大多数这些设备或节点都是事后安装或安装在难以到达的区域,因此不可能为它们供电。当然,这意味着它们完全依赖电池和/或能量收集作为电源。
在大型设施周围移动电力可能非常昂贵。例如,考虑为工厂中的远程物联网节点供电。运行新电源线为该设备供电的想法既昂贵又耗时,这基本上使电池供电或能量收集成为为这些远程节点供电的剩余选项。
对电池电源的依赖需要遵循严格的功率预算,以确保电池的使用寿命化,这当然会对设备的总拥有成本产生影响。使用电池的另一个缺点是在电池寿命到期后需要更换电池。这不仅包括电池本身的成本,还包括更换和可能处置旧电池的潜在高昂人力成本。
关于电池成本和尺寸的额外考虑因素:很容易过度设计电池以确保有足够的容量来达到通常超过 10 年的使用寿命要求。然而,过度设计会导致额外的成本和尺寸,因此不仅要优化功率预算,还要尽可能减少能源使用,以安装仍能满足您的设计要求的尽可能小的电池,这一点非常重要。
物联网的力量
出于本次电源讨论的目的,物联网应用的电源可分为三种情况:
依赖不可充电电池供电的设备(原电池)
需要充电电池的设备
利用能量收集来提供系统电源的设备
如果应用程序需要,这些源可以单独使用或组合使用。
原电池应用
不可充电电池应用适用于仅偶尔使用电源的应用——也就是说,设备偶尔会在返回深度睡眠模式之前通电,在该模式下它消耗的电量少。使用它作为电源的主要优点是它提供高能量密度和更简单的设计,因为您不需要容纳电池充电/管理电路,以及更低的成本,因为电池更便宜且需要更少的电子产品。它们非常适合低成本、低功耗应用。但是,由于电池的使用寿命有限,因此不太适合功耗稍高的应用。
考虑具有许多节点的大型 IoT 安装。由于您有一名技术人员在现场为一台设备更换电池,因此通常会更换所有电池以节省人工成本。当然,这是一种浪费,只会加剧浪费问题。重要的是,不可充电电池仅提供初制造它们所用电量的 2% 左右。约 98% 的能源浪费使它们成为非常不经济的电源。
显然,这些在基于物联网的应用程序中确实占有一席之地。它们相对较低的初始成本使其成为低功耗应用的理想选择。有许多不同的类型和尺寸可供选择,并且由于它们不需要太多额外的电子设备来进行充电或管理,因此它们是一种简单的解决方案。
从设计的角度来看,关键的挑战是充分利用这些电源提供的能量。为此,制定功率预算计划以确保电池寿命化非常重要,10 年是常见的寿命目标。
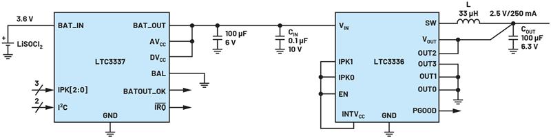
对于原电池应用,ADI 毫微功耗系列产品中的两个部分值得考虑:LTC3337 毫微功耗库仑计数器和 LTC3336 毫微功耗降压稳压器,如图 1 所示。
LTC3336 是一款低功率 DC-DC 转换器,输入电压高达 15V,具有可编程峰值输出电流电平。输入电压可低至 2.5 V,非常适合电池供电应用。
在无负载情况下进行调节时,静态电流极低,仅为 65nA。随着 DC-DC 转换器的发展,这很容易在新设计中设置和使用。输出电压根据 OUT0 至 OUT3 引脚的连接方式进行编程。
LTC3336 的配套器件是 LTC3337,这是一款纳瓦级原电池健康状态监视器和库仑计数器。这是另一种易于在新设计中使用的器件——只需根据所需的峰值电流(在 5 mA 至 100 mA 范围内)连接 IPK 引脚即可。根据您选择的电池运行一些计算,然后根据数据表中注明的所选峰值电流填充推荐的输出上限。
终,这是一对适用于功率预算有限的物联网应用的设备。这些部件既可以准确监控原电池的能量使用情况,又可以有效地将输出转换为可用的系统电压。

图 1:LTC3337 和 LTC3336 应用电路
充电电池应用
让我们继续讨论可充电应用。对于无法选择电池更换频率的更高功率或更高耗电的物联网应用,这些是不错的选择。由于电池和充电电路的初始成本,可充电电池应用是一种成本较高的实施方案,但在电池经常耗尽和充电的高耗电应用中,成本是合理的并且很快就能收回成本。
根据所使用的化学物质,可充电电池应用的初始能量可能低于原电池,但从长远来看,它是更高效的选择,总体上浪费更少。根据电力需求,另一种选择是电容器或超级电容器存储,但这些更适合短期备用存储。
电池充电涉及多种不同的模式和配置文件,具体取决于所使用的化学物质。例如,锂离子电池充电曲线如图 2 所示。底部是电池电压,充电电流在垂直轴上。

图 2:充电电流与电池电压

图 3:充电电压/电流与时间的关系
当电池严重放电时,如图 2 左侧所示,充电器需要足够聪明,将其置于预充电模式,以便在进入恒流模式之前将电池电压缓慢升高至安全水平。
在恒流模式下,充电器将设定的电流推入电池,直到电池电压升至设定的浮动电压。
编程电流和电压均由所使用的电池类型定义——充电电流受 C 倍率和所需充电时间的限制,浮动电压基于对电池安全的电压。如果系统需要,系统设计人员可以稍微降低浮动电压以帮助延长电池寿命。
当达到浮动电压时,充电电流降至零,并且该电压会根据终止算法维持一段时间。
图 3 为三单元应用程序提供了不同的图表,显示了随时间变化的行为。电池电压以红色显示,充电电流以蓝色显示。它以恒流模式启动,电流为 2 A,直到电池电压达到 12.6 V 恒压阈值。充电器在终止计时器定义的时间长度内保持此电压——在本例中为四小时窗口。这个时间在许多充电器部件上是可编程的。
有关电池充电以及一些有趣产品的更多信息,请阅读模拟对话文章“适用于任何化学物质的简单电池充电器 IC ”。
图 4 显示了多功能降压电池充电器 LTC4162 的示例,它可以提供高达 3.2 A 的充电电流,适用于一系列应用,包括便携式仪器和需要更大电池或多节电池的应用。它还可以用于从太阳能充电。

图 4:LTC4162,一款 3.2A 降压电池充电器
能量收集应用
在使用 IoT 应用程序及其电源时,另一个需要考虑的选项是能量收集。系统设计人员有几个考虑因素,但不能低估自由能源的吸引力,特别是对于功率要求不是太苛刻且安装需要不干涉的应用——即没有服务技术人员可以得到它。
有许多不同的能源可供选择,而且它们不需要是户外应用来利用它们。可以收集太阳能以及压电或振动能、热电能,甚至射频能。

图 5:可用于各种应用的能源和近似水平
图 5 提供了使用不同收集方法时的近似能量水平。
至于缺点,与之前讨论的其他电源相比,初始成本更高,因为您需要收集元件,例如太阳能电池板、压电接收器或珀耳帖元件,以及能量转换 IC 和相关的启用组件。
另一个缺点是整体解决方案的尺寸,特别是与纽扣电池等电源相比时。使用能量收集器和转换 IC 很难实现较小的解决方案尺寸。
在效率方面,这可能是管理低能量水平的一个棘手问题。这是因为很多电源都是交流电,所以需要整流。二极管用于执行此操作。设计人员必须处理由其固有属性导致的能量损失。当您增加输入电压时,这种影响会减轻,但这并不总是可能的。
大多数能量收集讨论中出现的器件来自 ADP509x 系列产品和 LTC3108,LTC3108可容纳范围广泛的能量收集源,具有多个电源路径和可编程充电管理选项,可提供的设计灵活性。多种能源可用于为 ADP509x 供电,也可从该电源提取能量以为电池充电或为系统负载供电。从太阳能(室内和室外)到热电发电机,从可穿戴应用中的体热或发动机热量中提取热能的任何东西都可以用来为物联网节点供电。另一种选择是从压电源获取能量,这增加了另一层灵活性——这是从运行中的电机中提取能量的不错选择。

图 6:采集应用中的ADP5090框图
另一种能够由压电电源供电的器件是 ADP5304,它以极低的静态电流(无负载时典型值为 260 nA)工作,非常适合低功耗能量收集应用。该数据表共享一个典型的能量收集应用电路(见图 7),由压电电源供电并用于为 ADC 或 RF IC 供电。
能源管理
与功率预算有限的应用相关的任何讨论都应该包括的另一个领域是能源管理。在查看不同的电源管理解决方案之前,首先要为应用开发功率预算计算。这一重要步骤可帮助系统设计人员了解系统中使用的关键组件以及它们需要多少能量。这会影响他们选择电池、可充电电池、能量收集或这些的组合作为电源方法的决定。
物联网设备收集信号并将其发送回中央系统或云端的频率是能源管理的另一个重要细节,它对整体功耗有很大影响。一种常见的技术是对电源使用进行占空比或延长唤醒设备以收集和/或发送数据之间的时间。
在尝试管理系统能源使用时,在每个电子设备上使用待机模式(如果可用)也是一个有用的工具。

图 7:ADP5304 压电源应用电路
结论
对于所有电子应用,尽早考虑电路的电源管理部分很重要。这在物联网等功耗受限的应用中更为重要。在此过程的早期制定功率预算可以帮助系统设计人员确定有效的路径和合适的设备,以应对这些应用带来的挑战,同时仍然以较小的解决方案尺寸实现高能效。
免责声明:本文为转载文章,转载此文目的在于传递更多信息,版权归原作者所有。本文所用视频、图片、文字如涉及作品版权问题,请联系小编进行处理。
推荐阅读:
六大展区聚势来袭,SEMI-e 掀半导体产业技术“芯” 浪潮





