桃花源qm花论坛(品茶),凤楼阁论坛官网入口网址,一品楼品凤楼论坛最新动态,风楼阁全国信息2024登录入口

你的位置:首页 > 传感技术 > 正文

如何通过能量收集技术延长无线传感器节点的电池续航?

发布时间:2021-10-20 责任编辑:lina

【导读】无线传感器节点正越来越多地应用于我们的日常生活中,因为它们适合在多种多样以及难以到达的环境中使用。它们不需要接通电源,因为它们通常都连接到电池。

 

无线传感器节点正越来越多地应用于我们的日常生活中,因为它们适合在多种多样以及难以到达的环境中使用。它们不需要接通电源,因为它们通常都连接到电池。然而,电池的续航能力是有限的,电量用完的电池必须进行更换或充电,但更换电池需要花费时间和精力,并可能产生非常高的成本。如果能延长电池续航时间,就可以避免这样的问题,同时还意味着长寿命应用也可以使用独立的传感器节点。这可以借助能量收集来实现。能量收集器可以从环境中收集可用的能量,如机械能、热能或光伏能量,并将其转化为电能。本文将展示不同的能量收集技术和有效存储所收集的能量所需的电路。


能量收集技术


无线传感器节点 (WSN) 可以感知、处理和传输特定的参数。它们对于环境和结构监测具有重要意义,在医疗领域也应用于监测人体健康。它们通常由电池供电,并且经常长时间使用,所以电池续航时间对它们而言至关重要。


这些传感器节点通常用在难以到达的地方,要在电量用完时进行充电或更换电池,会是一件非常昂贵的事情。目前有多种方法可以降低WSN能耗并大幅延长电池续航时间,包括调节WSN内部的功耗,以及通过编程的方式根据忙闲度来控制其运行,使之在通常情况下持续运行在低功耗模式(深度睡眠)下,只在较短的时间内激活以便执行数据采集、计算、测量和通信等任务。


许多新兴应用都需要数十年的网络寿命,仅靠电池已经难以满足需求。如果要将无线传感器部署到运行时间超出电池续航能力的长期应用中,可以通过能量收集器来延长电池续航时间,确保WSN能够自我供电,最终达到所需的续航时间,具体实现方式如(图1)所示。


如何通过能量收集技术延长无线传感器节点的电池续航?

图1:由能量收集供电的无线传感器节点示意图(图源:贸泽电子)


要借助能量收集器为WSN供电,首先要调查可用的环境能量来源,主要包括光、热、机械振动、射频 (RF) 和风。要将从这些能量来源收集的能量转变为电能,需要采用相应的换能装置,例如通过光伏电池收集室内照明能量、通过压电元件收集振动能量,以及通过热传导发电机 (TEG) 收集温差能量。随后,需要通过电源管理电路将收集的能量储存到电池或超级电容中。


电源管理


电源管理电路的目的是将能量收集器与传感器节点连接起来,同时尽可能高效地转化收集到的能量。在电源管理电路中,首先要考虑的是收集器的输出电压,因为不同类型能量收集器的输出电压是不同的,例如热传导发电机输出的是毫伏级别的直流电压,而压电发电机输出的是几伏到几十伏的交流电压。对于后者,电源管理电路必须对能量收集器的输出进行整流,并将电压转换至1.8V到3.6V之间,也就是传感器节点的标准工作电压。此外,电源管理电路的内部阻抗必须匹配压电发电机的阻抗(通常为数千欧至数兆欧),从而尽可能高效地传输能量。


整流


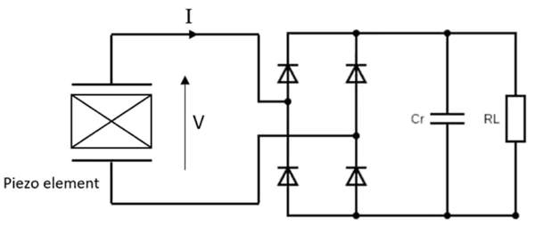
产生交流电压的能量收集器种类包括电磁式(射频)、电磁式(机械)、静电式和压电式,它们产生的交流电压必须经过整流才能供WSN使用。整流是电源管理电路所需的第一个部分,(图2)所示即为连接到压电元件的全波桥整流电路。


如何通过能量收集技术延长无线传感器节点的电池续航?

图2:连接到压电元件的整流电路(图源:贸泽电子)


相比单二极管而言,桥式整流器是更受欢迎的选择,因为它能提供全波整流,将交变电压变换为直流脉动电压。对于真正的二极管,必须要考虑正向电压,硅二极管的正向电压为0.7V,锗二极管为0.3V,肖特基二极管仅为0.1V。电容Cr(图2)用作平滑电容。在此例中,整流电压以电能的形式储存在电容器中,并为负载RL供电。


DC/DC转换器


电源管理电路的另一大主要功能是调节能量收集器产生的电压。如果电压太低,就必须升高电压;反之,如果电压太高,就必须降低电压。要让WSN正常工作,就需要将工作电压稳定在1.8V和3.6V之间,并且要以尽可能高效的方式来进行,从而尽量降低能量损失。此外,电源管理电路还负责为WSN电池充电。为了简化设计过程,有多种产品可用于处理由能量收集器供电的WSN的电源管理。


e-peas AEM10941是一款能量收集电源管理集成电路,可从最多7芯的太阳能面板中获取直流电。该产品采用超低功率升压转换器,可以为锂离子 (Li-ion) 电池、薄膜电池或超级电容充电。AEM10941具有超低功率冷启动功能,可以在输入电压低至380mV、输入功率仅3μW的情况下启动工作。它有两种电源电压:


LVOUT(低压),1.2V或1.8V,用于向微控制器供电。

HVOUT(高压),可为无线电收发器供电,电压可以在1.8V到4.1V之间进行配置。

两种电源电压选项的产品均采用高效的低压差 (LDO) 稳压器驱动,以确保低噪声和高稳定性。(图3)所示为AEM10941的典型应用。


如何通过能量收集技术延长无线传感器节点的电池续航?

图3:AEM10941应用实例示意图(图源:e-peas)


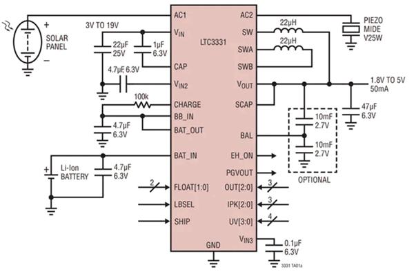
Analog Devices LTC3331是另一款多合一电源管理IC电路,可以连接到采用压电、太阳能或磁力等能量来源的能量收集器。该产品集成了全波桥式整流器,并且结合了降压开关稳压器和降压-升压开关稳压器。此外,该产品配备片上优先排序器,可根据收集的能量或电池的可用电量选择合适的转换器。LTC3331可以处理3V至19V之间的能量收集输入电压。该产品还包含低静态电流并联电池充电器,可利用收集的能量为锂离子电池充电。(图4)所示为LTC3331典型应用的电路示意图。


如何通过能量收集技术延长无线传感器节点的电池续航?

图4:LTC3331典型应用电路示意图(图源:Analog Devices)


存储


可充电电池和超级电容是最常出现的两种储能产品。超级电容类似于传统的电容器,但它们能够以较小的尺寸实现非常高的容量,并且与可充电电池相比具有若干优势,例如:


· 超级电容可以根据需要频繁充放电,而电化学电池的典型寿命不足1000次。

· 超级电容可以通过简单的充电电路快速充电,降低了系统的复杂性,而且无需借助?;さ缏防捶乐构瘸涞缁蚬确诺?。

· 漏电流和自放电对电池和超级电容都会构成影响。电池的优点是自放电问题比超级电容小得多,因为电池的比能较高,可以使电荷保持更长时间。


结论


现在,我面需要提出的问题是:能量收集值得吗?这取决于你想要运行多长时间的应用??梢匀范ǖ氖?,能量收集确实可以延长电池续航,以支持WSN运行更长时间,但只有当收集的能量能够满足WSN的功耗时才可行。


免责声明:本文为转载文章,转载此文目的在于传递更多信息,版权归原作者所有。本文所用视频、图片、文字如涉及作品版权问题,请电话或者邮箱联系小编进行侵删。


推荐阅读:

【技术大咖测试笔记系列】之八:低功率范围内的MOSFET表征

IOTE物联网展参观指南丨面对面对接最优秀的企业,听最前沿的会议!

电源适配器噪声产生原因及解决措施

一款基于ARM控制的逆变器电源电路设计方案

650V 60mΩ SiC MOSFET高温性能测试对比,国产器件重载时温度更低

特别推荐
技术文章更多>>
技术白皮书下载更多>>
热门搜索

关闭

?

关闭