【导读】为降压稳压器设计补偿网络十分单调乏味,而且可能需要多次迭代以优化方案。具备优化的控制回路,以实现快速瞬态响应,同时保持适当的稳定性,这已成为新兴应用(如ADAS)及其快速瞬态响应需求面临的主要挑战。具有内部补偿网络的降压稳压器此时应运而生,解决了这个难题并简化了设计过程。不过,尽管内部补偿网络带来很多益处,降压稳压器仍然需要一些调整来提高外部的瞬态性能。其面临的最主要挑战是如何评估内部补偿网络,确保它适合特定的应用。本文将对如何评估内部补偿网络提供指导。
峰值电流模式降压稳压器
峰值电流模式 (PCM) 控制是降压稳压器常用的控制方法。与电压模式 (VM) 控制相比,PCM 控制具备的优势已经得到确认。图 1 显示了 PCM 降压稳压器的应用原理图和典型波特图。
图1: PCM 降压稳压器原理图和波特图
图 1 中的两个功率级极点频率可以分别通过公式 (1) 和公式 (2) 计算:
其中Ri 可通过公式(3)来计算:
而Km可以用公式(4)计算,假设D = 0.5(D 代表占空比):
PCM 控制降压稳压器(ωZ)中的 ESR 零点频率可以用公式 (5) 计算:
典型II 类补偿网络
图 2 显示了典型的 II 类补偿网络。II 类补偿为系统增加了一个零点 (COMP-Z) 和一个极点 (COMP-P)。COMP-Z 和 COMP-P 的频率可以根据系统给出的无源元件计算得出(参见图 2、公式 6和公式7)。请注意,由极点/零点引起的角度/相位和斜率/幅度都将在极点/零点频率的10% 处开始变化,并在极点/零点频率的10倍处达到最大值。
图2: II类补偿网络和零点/极点位置
COMP-Z 的频率可以用公式 (6) 计算:
COMP-P 的频率可以用公式 (7) 计算:
降压稳压器的瞬态性能通过两个指标来评估。一是系统带宽 (BW),二是系统相位裕度 (PM)。BW 越高,瞬态响应越快;而PM 越高,系统越稳定、越安静。但在实际中,提高BW 会降低PM,反之亦然。这意味着我们必须在BW和PM之间进行权衡。要在降压稳压器中获得合适的BW 以及可接受的PM和噪声水平,BW为开关频率(fSW)的10% 会较为合理。
内部补偿网络评估指南
基于上一节的讨论,我们假设目标带宽可以用公式 (8) 来计算:
要得到最大PM,补偿网络零点 (COMP-Z) 需要在 BW 频率处提供最大相位提升。理论上,由零点引起的正相位在其频率的 10 倍处达到最大值。因此,应将COMP-Z 设置在BW 频率的 10% 至 20%之间。这个范围考虑到了系统中的任何附加寄生效应。COMP-Z 频率和 BW 频率之间的关系可以用公式(9)来表示:
为了在较高频率下获得适当的噪声衰减,补偿网络极点 (COMP-P) 频率必须大约为 fSW/2。假设开关频率为1MHz,则 COMP-P必须接近fSW/2和输出电容器 ESR 零点频率二者当中较小的值,我们可以用公式 (5)来估算。
这里有一个需要考虑的重要实用技巧,即,除非 COUT 是具有高 ESR 的电解电容,否则fSW/2将产生最主要的影响,而 COMP-P则取决于该值。因此,我们用公式 (10) 来估算COMP-P:
由于 COMP-Z 和 COMP-P 都基于开关频率定义,利用这两个等式可以得出第三个要求,即CCOMP和CHF之间的关系,用公式(11)表示如下:
有了这三个基本要求,就可以根据应用的开关频率来评估内部补偿网络的性能了。
具有可配置开关频率的器件
类似的方法也可用于具有可配置开关频率的器件,只是还需要考虑以下两个关键点:
1. 根据最小可配置开关频率设置COMP-Z。
2. 根据最大可配置开关频率设置COMP-P。
COMP-Z 是根据最小可配置开关频率设置的,因为随着开关频率的增加,电感器尺寸会成比例地缩小。观察PCM 降压稳压器功率级中的第二个极点(由公式2表示)可以发现,极点频率 (ω_L)随着电感 (L) 的降低而增大。随着 ωL 的增大,由该极点引起的相位延迟也被进一步推离 BW 频率。由该极点引起的负相位减少导致系统整体相位的增加,继而导致系统PM增加。
因此,如果根据最小可配置开关频率设置 COMP-Z,则相位裕度 (PM) 将随着开关频率的增大而增加。
与 COMP-Z 不同,COMP-P 频率是根据最大可配置开关频率设置的。如前所述,由极点引起的幅度/角度在该极点频率的 10% 处开始下降。假设fCOMP-P是根据最小开关频率设置的,则如果器件配置为在最大开关频率下运行,则由fCOMP-P(从 0.1 x fCOMP-P处开始生效)导致的相位降低将发生在其 BW 之内。通常不建议这样做,因为它会在 BW 内产生另一个极点。由于 II类补偿网络中只有一个零点可用,所以无法补偿该极点。因此,必须根据器件的最大开关频率来设置 COMP-P 频率。
案例研究- MPQ4430
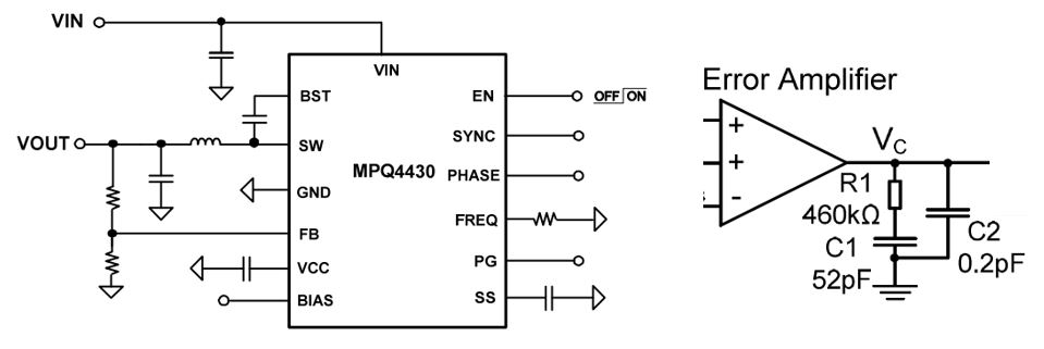
我们通过一个真实案例来说明以上原则。MPS 的MPQ4330是一款 36V、3.5A同步降压变换器,它内部集成MOSFET和补偿网络。图 3显示了MPQ4430 的典型应用原理图和内部补偿网络。其开关频率通过FREQ 引脚上的电阻器设置。根据电阻值的设置,MPQ4430的开关频率可以在350kHz 和 2.5MHz 之间变化。
图 3:MPQ4430典型应用及其内部补偿网络
由于该器件的开关频率可配置,因此需要遵循上一节中讨论的方法。COMP-Z 必须根据最小开关频率(即 350kHz)来设置。
假设开关频率为 350kHz,目标带宽将是该频率的 10%,即 35kHz。现在,我们根据补偿网络中的无源元件来计算COMP-Z 频率。在该器件中,RCOMP 和CCOMP分别为460kΩ 和 52pF。利用公式 (6)可以得出 fCOMP-Z为 6.6kHz。该值在根据公式 (9)得出的4kHz 至 8kHz 可接受范围之内,说明满足第一个要求。
接下来,根据公式(10) 设置的要求检查 COMP-P 频率。同样,由于该器件的开关频率可配置,因此在公式 (10) 中考虑最大可配置开关频率??悸堑?2.5MHz 的最大开关频率,目标 COMP-P 频率 (fCOMP-P) 必须设置为接近 fSW / 2 = 2.5MHz / 2 = 1.25MHz。
由于该器件的RCOMP和CHF分别为 460kΩ 和 0.2pF,可以得知fCOMP-P为 1.7MHz,该值足够接近 1.25MHz的目标值。
最后,比较CHF与CCOMP,确保它们满足公式(11) 设定的要求。该器件的CHF与CCOMP分别为 0.2pF 和 52pF,CHF约为 CCOMP的 0.3%,也满足CHF与CCOMP之间的关系要求(CHF < 4% x CCOMP)。
MPQ4430 在不同开关频率下的波特图
图 4显示了在开关频率及电感值都变化的情况下,MPQ4430的波特测量值。
图 4:三种开关频率下 MPQ4430 波特图
观察波特图可以得到几个重要的结果,如表 1所列。
表 1:增加开关频率对 BW/PM 的影响
首先,如波特测量中所见,增加开关频率可以使PM得到改善。由公式(2)可以得知缘由,随着开关频率的增大,电感 (ω_L) 产生的极点被推得更远,这会导致 BW 频率处的负相位减少而PM 增加。这进一步证实了,基于最小开关频率设置 COMP-Z 频率是个明智的决定。
但请注意,由于RCOMP和 CCOMP是固定的,而且开关频率的增加仅影响功率级中的第二个极点,因此 BW也相对固定。因此,我们可能希望随着开关频率的增加而提高BW。这一点可以通过增加外部调节来实现。
在反馈网络中添加一个前馈电容器 (CFF),是在较高开关频率下增加环路 BW 和 PM 的有效方法(见图 5)。
图5: 在补偿网络中添加一个前馈电容器以改善瞬态响应
添加前馈电容器可以极大地提高系统的 BW和PM。我们在添加和未添加20pF前馈电容器的两种情况下,在2.5MHz 开关频率下测量MPQ4330的频率响应,可以看到添加额外电容器可以使BW和PM均得到改善。
图 6:添加和不添加前馈电容器时,MPQ4430在 2.5MHz 频率下的波特图
结语
本文介绍了一种根据应用开关频率来评估内部补偿网络性能的系统性方法。这种评估技术涉及三项基本检查,可以针对开关频率已知或可配置的应用,确保其内部补偿网络得到恰当的设计。在某些情况下,添加外部调节可以进一步提高系统的瞬态性能。将其原理应用于MPQ4330,也验证了该技术的有效性。
免责声明:本文为转载文章,转载此文目的在于传递更多信息,版权归原作者所有。本文所用视频、图片、文字如涉及作品版权问题,请联系小编进行处理。
推荐阅读:
凌华科技推出边缘视觉分析软件开发套件EVA SDK加速边缘AI视觉





