桃花源qm花论坛(品茶),凤楼阁论坛官网入口网址,一品楼品凤楼论坛最新动态,风楼阁全国信息2024登录入口

面向48V数据中心应用的高度集成、可扩展、均流热插拔解决方案

发布时间:2021-09-08 来源:Yat Tam 责任编辑:wenwei

【导读】从几百瓦到几千瓦,数据中心的服务器和机架功率大幅提高。但高功率水平在多个服务器上分配会不可避免地产生较大的功率损耗,从而损害效率。将传统的12V配电电压转换为48V可以缓解这个问题。
 
但是,提高配电电压给?;さ缏返氖凳┐戳颂粽?。?;さ缏肥鞘葜行姆衿鳌⒌缧畔低澈屯缟璞赣τ弥械墓丶杓埔?,因为系统组件必须能够承受电压应力并满足电流需求。设计电源相关方案的工程师们对此倍感压力,因为与此同时,他们还要在最小化电路板空间的同时,缩短从最初概念到最终产品之间的开发时间。
 
采用具有最少组件数量的解决方案可以解决空间受限的问题。另外,除了不断被压缩的产品上市时间表,工程师现在还必须考虑如何最大程度地减少设计工作量。新的解决方案需要为工程师提供完善的方式来解决关键的设计挑战。本文将以MPS的MP5048为例进行介绍,MP5048是业界首个60V/15A集成式热插拔解决方案。
 
设计挑战
 
和许多通信基础架构一样,高可用性和高可靠性是数据中心系统设计的关键要素??梢圆迦敕衿骱痛娲⑵鞯扔τ玫哪?楹蚉CB在电源入口处都需要?;?控制电路,通常称为热插拔控制电路。
 
具有热插拔功能的解决方案允许将板卡插入带电背板或从带电背板上卸下,而不会干扰分配给其他板卡的电源。对这些系统的主要要求之一,是在任何异常瞬态事件(例如过压、过载或短路)中将系统?;奔浣抵磷畹?。为应对这些意外情形,系统工程师目前大多采用?;さ缏防垂芾砝擞?、过载、短路和过压事件,同时?;っ舾懈涸匾匀繁O低晨煽吭诵?。关键点在于,将故障降至应用的运行限制以内,并在故障清除之后立即恢复系统的正常状态,而且,所有这些都无需任何人工干预。
 
预防系统?;淖罴逊椒ㄊ蔷】赡芸斓丶觳?、响应并纠正潜在的破坏性条件。传统观点认为,新型48V配电电压系统的热插拔保护电路应采用分立式元件。典型的分立式热插拔解决方案结合了高压控制器IC、MOSFET和采样电阻器。这些组件管理背板和主板之间的功率流,防止小毛病和故障干扰系统其余部分的电源。但是,分立式解决方案具有一些众所周知的缺点,包括:
 
●     需要更多的组件并占用更多的板空间。更多组件会引起对方案强健性和可靠性方面的担忧。
●     不包含MOSFET的热保护。其散热设计通常超过安全工作区(SOA)的限制,而SOA可确保在极端情况下对设备的保护。
●     需要谨慎布局PCB。工程师必须了解开尔文电流检测技术以正确并准确地监测和限制电流。
 
由于系统复杂性的增加和设计周期的缩短,设计资源愈发紧张。电源相关方案通常都被放在一边,直至开发周期的后期。实际上,要解决上述的设计缺陷,只需很少的时间,并且只需有限的电源设计专业知识即可。因此我们迫切需要开发出可靠的热插拔解决方案。理想的热插拔解决方案将具有外形尺寸小、经济高效且可靠的特点,而且只需最小的设计工作量。
 
创新型方法
 
相比传统分立式解决方案,集成式解决方案具备多种优势。例如,MPS的 MP5048即为具有集成MOSFET和采样电阻的单片60V热插拔解决方案。该器件采用小尺寸QFN(5mmx5mm)封装,可在单硅片上处理全部15A电流。
 
MP5048只需最少的外部组件,可以简化系统和PCB布局设计(见图1)。该热插拔解决方案的基本设计分两个步骤完成:
 
1. 将CLREF和CS引脚上的电阻接地,以设置电流限制和电流监测功能。
2. 选择适当数量的电容器以调节软启动(以及其他计时器功能)。将关键组件集成到解决方案中,会降低人们对系统强健性和可靠性的担忧。
 
面向48V数据中心应用的高度集成、可扩展、均流热插拔解决方案
图1: MP5048典型应用电路
 
用 MP5048之类的集成式解决方案替代分立式解决方案还具有一个重要的优势,由于采用了先进的单片工艺,电流监测器和限流精度可以得到很好的控制。这款特殊的器件可以在各种温度条件下,在0A至15A范围内实现精度低于3%的电流监测(见图2)。 
 
面向48V数据中心应用的高度集成、可扩展、均流热插拔解决方案
图2: IMON增益精度 vs. 输出电流和温度
 
集成的MOSFET提供了片上温度监测能力,可以关闭器件。一旦 MP5048进入过热关断状态,将会在结温降至过温?;ゃ兄抵潞蟊3止囟献刺ㄋ婺J剑┗虺⑹灾仄簦ㄗ远厥裕?。这意味着工程师无需过度设计MOSFET或散热设计,即可在极端故障条件下将器件保持在SOA限制内。
 
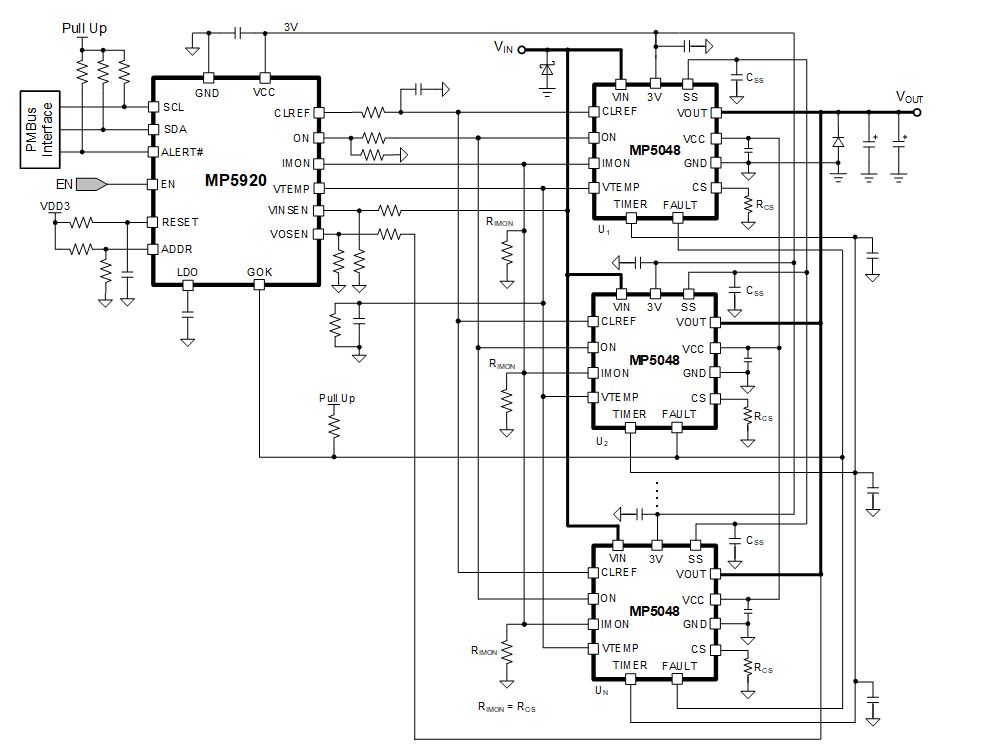
MP5048是一种通用的热插拔解决方案,可以扩展以支持应用所需的任何电流范围。即使 MP5048不具备PMBus能力,它也可以与热插拔控制器(如MPS的MP5920)配对,从而为应用增加遥测功能(参见图3)。 
 
面向48V数据中心应用的高度集成、可扩展、均流热插拔解决方案
图3:MP5048可以通过并联的热插拔控制器进行控制
 
通过遥测技术能够读取和报告电压、电流、温度和故障等实时信息,从而全面了解整个热插拔解决方案的性能。这在测试和调试阶段,甚至系统部署期间都非常有用,它使工程师能够通过预测分析优化系统运行时间,同时在需要维修时可以得到更多数据,从而最大程度地减少?;奔?。
 
通过内部MOSFET提供的电流监测能力,多个并联的MP5048器件可在软启动期间主动平衡流经每个器件的电流。这样可确保每个设备均等承载软启动电流,不会有某一个设备承载全部的软启动负载电流(见图4)。在并联器件之间均衡软启动电流,可以大大降低违反MOSFET SOA的风险,而热能也可以更均匀地分布在PCB上。 
 
面向48V数据中心应用的高度集成、可扩展、均流热插拔解决方案
图4:三个并联MP5048器件在软启动期间的均流
 
结论
 
将这些元素集成到诸如MP5048之类的集成式热插拔解决方案中,可提供一种简单、用户友好且强大的解决方案,非常适合空间受限的48V数据中心应用。而单片式系统可以满足当前的系统操作需求,消除重复性和劳动密集型工作,使工程师能够应对不断减小的空间限制以及紧迫的项目周转时间。
 
来源:MPS
 
 
免责声明:本文为转载文章,转载此文目的在于传递更多信息,版权归原作者所有。本文所用视频、图片、文字如涉及作品版权问题,请联系小编进行处理。
 
推荐阅读:
 
100%国产化低相位噪声频率综合器研制成功
新兴汽车开关应用
板子上的MOSFET莫名炸机,多半是这个原因!
高速SerDes均衡之FFE
新能源汽车驱动电机结构与工作原理
特别推荐
技术文章更多>>
技术白皮书下载更多>>
热门搜索

关闭

?

关闭