【导读】PCB layout的意思是:印刷电路板,又称印制电路板,作为电子元件的载体,实现了电子元器件之间的线路连接和功能实现。传统的电路板工艺,采用了印刷蚀刻阻剂的工法,做出电路的线路及图面,因此被称为印制电路板或印刷线路板。
1.贴片之间的间距

贴片之间的间距既不能太大(浪费电路版面),也不能太小,避免焊锡膏印刷粘连以及焊接修复困难。
间距大小可以参考如下的规范:
■ 相同器件:≥ 0.3mm
■ 不同器件:≥ 0.13×h+0.3mm(h为周围近邻与器件最大高度差)
■ 手工焊接和贴片时,与器件之间的距离要求:≥ 1.5mm。
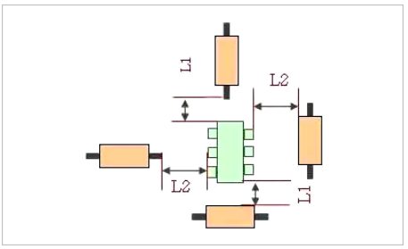
2、直插器件与贴片的距离

如上图,直插式电阻器件与贴片之间应保持足够的距离,建议在1-3mm之间,由于加工比较麻烦现在用直插件的情况已经很少了。不过电路板外接插座往往都是直插件。
3、对于IC的去耦电容的摆放

每个IC的电源端口附近都需要摆放去耦电容,且位置尽可能靠近IC的电源口,当一个芯片有多个电源口的时候,每个接口都要布置去耦电容。
4、PCB板边沿的元器件摆放方向与距离

由于一般都是用拼板来做PCB,因此在边沿附近的器件需要符合两个条件。
第一就是与切割方向平行(使器件的机械应力均匀,比如如果按照上图左边的方式来摆放,在拼板要拆分时贴片两个焊盘受力方向不同可能导致元元件与焊盘脱落)
第二就是在一定距离之内不能布置器件(防止板子切割的时候损坏元器件)
5.相邻焊盘相连

如果相邻的焊盘需要相连,首先确认在外面进行连接,防止连成一团造成桥接,同时注意此时的铜线的宽度。
6、焊盘落在铺地区域

如果焊盘落在铺通区域应该采取右边的方式来连接焊盘与铺通,另根据电流大小来确定是连接1根线还是4跟线。
如果采取左边的方式的话,在焊接或者维修拆卸元器件时比较困难,因为温度通过铺的铜把温度全面分散导致焊接困难。
7、焊盘泪滴

如果导线比直插器件的焊盘小的话需要加泪滴上图左边的方式。
加泪滴有如下几个好处:
(1) 避免信号线宽突然变小而造成反射,可使走线与元件焊盘之间的连接趋于平稳过渡化。
(2) 解决了焊盘与走线之间的连接受到冲击力容易断裂的问题。
(3) 设置泪滴也可使PCB电路板显得更加美观。
8、元器件引线宽度一致

9、保留未使用引脚焊盘

比如上图一个芯片其中两个引脚不要使用的情况,但是芯片实物引脚是存在的,如果像上图右边的方式两引脚就处于悬空状态很容易引起干扰。
如果芯片引脚本身内部属于未连接(NC),加上焊盘再把焊盘接地屏蔽能避免干扰。
10、避免焊盘上打过孔

11、导线与PCB板边缘距离

注意的是引线或元器件不能和板边过近尤其是单面板,一般的单面板多为纸质板,受力后容易断裂,如果在边缘连线或放元器件就会受到影响。
12、电解电容远离热源
首先要考虑电解电容的环境温度是否符合要求,其次要使电容尽可能的远离发热区域,以防电解电容内部的液态电解质被烤干。

免责声明:本文为转载文章,转载此文目的在于传递更多信息,版权归原作者所有。本文所用视频、图片、文字如涉及作品版权问题,请联系小编进行处理。
推荐阅读:





