【导读】在上一节中,已经介绍了快速DCEV充电基础设施的标准配置,以及未来可能的典型基础设施。下面介绍当今快速DCEV充电器中使用的典型电源转换器拓扑结构和AC-DC和DC-DC的功率器件的概况。
什么是快速直流充电器中使用的常见拓扑结构和功率器件?
在上一节中,已经介绍了快速DCEV充电基础设施的标准配置,以及未来可能的典型基础设施。下面介绍当今快速DCEV充电器中使用的典型电源转换器拓扑结构和AC-DC和DC-DC的功率器件的概况。
有源整流三相PFC升压拓扑结构
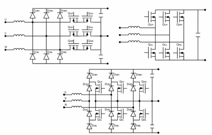
前端三相PFC升压级可以用多种拓扑结构实现,而且几种拓扑结构可以满足相同的电力要求。在“解密三相PFC拓扑结构”中详细介绍和讨论了每种拓扑结构的利弊和操作。图11展示了快速直流电动车充电应用中常见的PFC架构。它们之间的一个首要区别是双向性。T-中性点钳制(T-NPC)和I-NPC拓扑结构通过用开关取代一些二极管而适合双向操作。6个开关的结构是一个双向的perse。

图11. 用于快速直流电动车充电的典型三相功率因素校正(PFC)升压拓扑结构。
T-NPC(左上)、6开关(右上)和I-NPC(底部)
另一个影响设计和功率器件额定电压的重要因素是架构中的级数。6个开关的拓扑结构是一个2级架构,通常用900 V或1200 V的开关来实现快速直流电动车充电器。这里SiC MOSFET-??榫哂械蚏DS on(6-40 mQ)区域的首选解决方案,特别是对于每块15 kW以上的高功率范围。这种集成表现出比分立解决方案更优越的功率性能,提高了能效,简化了设计,减小了整个系统的尺寸,并最大化可靠性。
T-中性点箝位(T-NPC)是一种3级拓扑结构,使用1200 V整流器(以双向形式用开关代替),中性点路径上有650 V开关背对背。I-NPC是一个3级架构,可能完全用650 V开关实现。650 V SiC MOSFET或IGBT与共包二极管代表了这些3级拓扑结构的优秀替代方案。

图12. F1-2 PACK SiC MOSFET模块半桥。1200 V,10 mQ
DC-DC拓扑结构
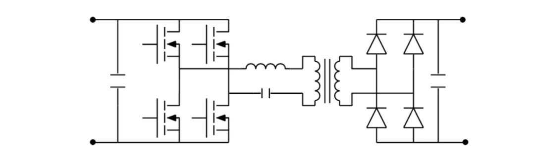
在研究DC-DC转换级时,主要采用了三种隔离拓扑结构:全桥LLC谐振转换器、全桥移相双有源桥(DAB)零电压过渡(ZVT)转换器和全桥移相ZVT转换器(图13、14和15)。
全桥LLC谐振
LLC转换器在初级端实现了零电压开关(ZVS),同时在谐振频率及以下——在次级端实现了零电流开关(ZCS),从而在谐振频率附近产生了非常高的峰值效率。作为一个纯粹的频率调制(FM)系统,当系统工作点偏离谐振频率时,这可能是需要宽输出电压操作时的情况,LLC的能效就会下降。
然而,先进的混合调制方案使今天的脉冲调制(PWM)与调频相结合,限制了最大频率失控和高损耗。不过,这些混合实现方式还是给已经有时很麻烦的LLC控制算法增加了复杂性。
此外,并联的LLCs转换器的电流共享和同步也不是件容易的事。一般来说,当有可能在相对较小的电压范围内工作时,和/或当具备实施结合调频和PWM的先进控制策略的开发技能时,LLC是一种难以超越的设计。它不仅可以提供最高的能效,而且从各个角度看都是一个非常全面的解决方案。LLC可以作为CLLC以双向形式实现,这是另一种复杂的拓扑结构。

图13. 全桥LLC转换器
带有次级同步整流拓扑结构的移相全桥DAB也非常典型。这些都是用PWM工作,一般来说,需要比LLC转换器更简单的控制。DAB可以被认为是传统的全桥移相ZVT转换器的演变,但漏电感器在初级端,这简化了繁琐的次级端整流,减少了二次开关或二极管的必要额定击穿电压。由于实现了ZVT,这些转换器可以在很宽的输出电压范围内提供稳定的高能效。这对于支持800 V和400 V电池电压水平的充电器来说是个方便的因素。
DAB的PWM工作带来了好处。首先,它倾向于使转换器的电磁干扰(EMI)频谱比调频系统中的更紧密。此外,用固定的开关频率,系统在低负载时的行为更容易解决。通过同步整流,DAB是一种双向的原生拓扑结构,是快速电动汽车充电器的最通用的替代方案和合适的解决方案之一。

图14.全桥移相式DAB ZVT转换器
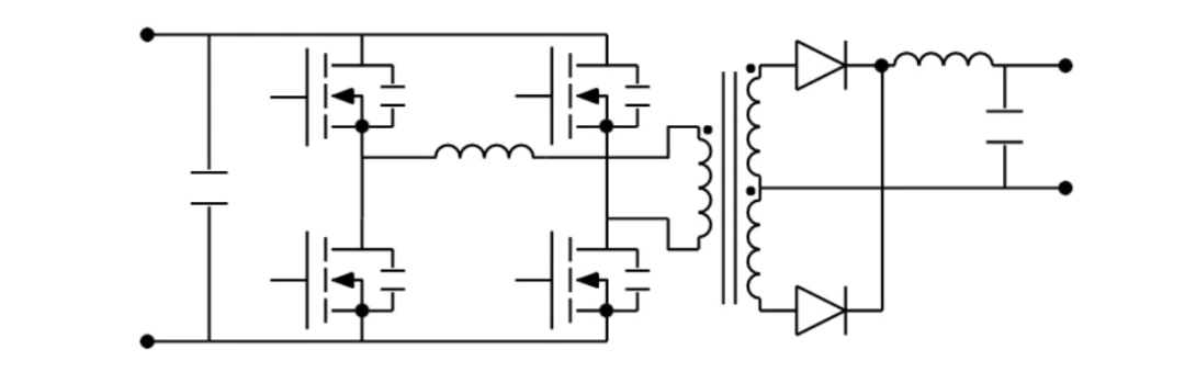
对于单向操作,传统的全桥移相ZVT(图15)仍然是一个可用的选择,但渗透率越来越低。这种拓扑结构的工作与DAB类似,但位于次级端的电感器在整流中带来一个显著的差异。电感器在二极管上设置了高的反向电压,这将与占空比成正比和反比,因此,根据工作条件,二极管上的反向电压可能超过输出电压的两到三倍。
这种情况在高输出电压的系统中(如电动车充电器)可能具有挑战性,通常多个次级绕组(具有较低的输出电压)被串联起来。这样的配置并不那么方便,特别是如果考虑到功率和电压的额定值,不同的拓扑结构含单一输出将提供相同或更好的性能。
SiC-??榇砹松鲜鯠C-DC电源转换级中全桥的一个非常合适和常见的解决方案,起价为15 kW。更高的频率有助于缩小变压器和电感器的尺寸,从而缩小整个解决方案的外形尺寸。

图15. 全桥移相ZVT转换器
拓扑结构的变体
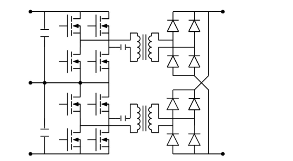
所讨论的拓扑结构存在多种变体,带来额外的优势和折冲。图16显示了用于快速电动车充电的全桥LLC转换器的一个常见替代方案。在移相中,开关在输入电压的一半以下,并使用600 V和650 V的断电电压器件。650 V SiC MOSFET、650 V SuperFET 3快速恢复(FR)MOSFET和650 V FS4 IGBT将有助于解决不同的系统要求。
同样,用于出极端的二极管和整流器需要650 V的阻断电压等级。这些3级架构允许单极开关,这有助于减少峰值电流和电流纹波,这将导致用更小的变压器。这种拓扑结构的主要缺点之一是,与具有较少电源开关的2级版本相比,控制算法需要额外的复杂程度。双有源桥以及双有源桥可以很容易地在初级端和次级端并联或堆叠,以最配合快速电动汽车充电器的电流和电压需求。

图16. 3级全桥LLC
这种变体在初级端堆叠(只有一半的输入电压应用于每个变压器),在次级端并联。
次级端整流
关于次级端整流,如图15所示,可以有多种解决方案,而且都可以使用不同的拓扑结构。对于400 V和800 V的电池水平和全桥整流,650 V和1200 V的SiC肖特基二极管通常是独特的性价比解决方案。
由于其零反向恢复特性,与硅基替代品相比,这些器件大大增强了整流性能和能效,大大降低了损耗和整流级的复杂性。硅基二极管,如Hyperfast、UltraFast和Stealth,可以作为成本非常有限的项目的替代品,但要牺牲性能和复杂性。采用中心抽头整流的解决方案(图15)对于高电压输出整流级来说并不方便。
与全桥整流不同的是,在全桥整流中,二极管的标准反向电压等于输出电压,而在中心抽头配置中,二极管要承受这个数值的两倍。常规的全桥移相转换器(电感在次级端),正如所解释的那样,在两种整流方法(全桥或中心抽头整流)中都需要更高的击穿电压二极管。为了克服常规全桥移相转换器对1200 V或1700 V额定二极管的需求,几个输出将被串联起来。
其他重要的设计考虑因素
除了电源转换器中的拓扑结构和开关器件外,在开发快速电动车充电器时,还有其他重要领域需要考虑,尤其是在使用SiC开关在高频率下工作时。
门极驱动系统
在所有的拓扑结构中,驱动系统仍然是快速直流电动车充电器的一个重要方面,对系统性能有直接影响。
隔离
在隔离的主题下,首先要考虑的问题之一。鉴于快速直流电动车充电器所讨论的高功率和高电压,电隔离对于高端驱动器是必须的。对于低端同类产品,尽管从安全角度看并非总是严格必要的,但常见的做法是使用与高端相同的门极驱动系统和电路。
这种方法带来了多种好处,包括解决方案的实施和系统的稳健性。一方面,它有利于同一半桥上的开关器件之间的延迟匹配。这简化了PWM序列和死区时间的控制和实施,以防止击穿事件。此外,隔离驱动器通过最大限度地提高其共模瞬态抗扰度(CMTI)来增强系统的坚固性,这在使用快速开关宽禁带技术在高dV/dt 驱动时特别重要,如SiC。
这里还需要指出的是,采用开尔文连接的电源开关需要一个浮动或电隔离的驱动器(在高端和低端)来获得配置的好处,因为它将大大减少损耗和提高传播时间。
片上?;ず凸δ?/div>
门极驱动器的另一个关键考虑因素是片上集成功能(除电隔离外)和保护。根据系统的要求和开关的类型,可能需要过电流?;ぃ?ldquo;DESAT”)—— IGBT和SiC MOSFET的典型?;?mdash;—米勒钳制(避免错误开启)。包括这些或其他必要的封装功能可以实现紧凑的系统,并最大限度地减少布局中的寄生电感,这是使用SiC的高开关频率系统的基本要求。
在数字控制的系统中,内置?;ひ卜浅7奖?,可以提供板载保护。在系统能效方面,门极驱动器的接受端和源端能力对于通过快速充电和放电寄生门极电容实现快速开关转换至关重要。在使用SiC技术时,这在高功率应用中特别重要,因为这比基于Si的IGBT或SJ MOSFET实现更快的转换。
电隔离门极驱动器系列具有3.5 kV和5 kV额定值的NCD57XXX和NCD51XXX为开发快速电动车充电器带来设计灵活性和系统可靠性,在片上集成了多种功能和?;ご胧⑾允境龈叽? A的驱动电流能力。该产品组合包括单通道驱动器,如NCD57000/1、NCD5708x、NCD5709x、NCP51152/7,以及双通道驱动器,如NCP51561、NCP51563和NCD57252/256,以满足所有使用情况。

图17. 电隔离的单通道和双通道门驱动器框图
驱动器电源
与门极驱动器相邻的一个话题是驱动它们所需的隔离电源。SiC开关的最佳性能是通过+20 V – 5 V的偏置电压实现的,而IGBT通常需要+15 V/0 V或15 V。更多的细节可以在“Gen11200VSiCMOSFETs & Modules: 特性和驱动建议”。
同样,对于门极驱动器来说,电源需要紧凑和坚固,确保在所有工作条件下有稳定的电压轨。围绕NCV3064开关稳压器的电源,如LVDCDC3064-IGBT和LVDCDC3064-SIC有助于满足这些需求。
保护措施
快速直流电动车充电的另一个重要考虑因素是系统中必要的安全?;ぃ绕涫欠ü嫠娑ǖ陌踩;ぁG恐菩员;な钦攵猿低獾慕拥毓收系缌鳎℅FC),以防止对人体产生危险的电击风险。
特别是,充电电路中断装置(CCID)是专门为EV充电而开发的,IEC61851-1(前面讨论过)和UL 2231-1/2标准分别对其在欧洲/亚洲和北美的实施进行了规范。FAN4147和NCS37014 GFC中断器满足这些法规的要求,为开发符合安全要求的EVSE提供了现成的解决方案。
辅助电源
辅助电源单元(PSU)在电力系统中无处不在,快速直流电动车充电也不例外。隔离反激拓扑结构是方便和可靠的选择,可以提供低压系统所需的典型的10-40 W。
特别是,对于快速直流电动车充电,直流母线的电压水平是影响整个系统的主要因素之一。现在的趋势是提高这些水平,以减少特定功率水平的峰值电流并提高能效。
如今,直流母线电压水平高达800 V(甚至更高)是很常见的,并不是所有的传统方案都适合电动汽车充电。在这里,围绕NCP1362准谐振谷初级端开关或NCP1252和NCP12700次级端控制器开发的PSU可以帮助解决这些需求。在开关方面,具有高RDS on(160 mOhms)的1200V SiC MOSFET正在被迅速采用,因为它们带来了出色的性价比,是900 V DC系统的最佳方案。
归结一切
我们已经看到了电动车市场的增长是如何加速的,以及为什么随着更多的电动车上路,快速直流充电需要(也将)保持吸引力。
在过去的大多月份里,指向这一方向的新闻如雨后春笋般涌现,其中一个是美国总统宣布的到2030年建立50万个直流充电桩网络的计划。其最终目标是推动电动车成为主流,摆脱以内燃机为基础的交通工具,并应对气候变化。
快速和超快速的直流充电桩是电动汽车的一个关键支柱,也是完成生态系统的一个不可或缺的元素,在家庭中可以使用较低功率的交流充电替代品,因为可以在较长时间内充电。作为一个新生的、快速发展的市场,快速直流电动车充电器的要求和使用案例在不断升级,留下了一个需要各种解决方案和不同优化的空间。
不过,所有这些的共同点将是越来越高的功率、电压水平和能效。此外,随着此类基础设施的大规模推出,竞争格局变得更加严酷,安装的投资回报率也将需最大化,预计对尺寸、重量、成本和可靠性的限制也会加强。
现在,SiC功率技术正在成熟,其价格正在达到有吸引力的水平,这为先进的SiC功率集成??榧际醯姆⒄沽粝铝丝占洹8叩哪苄Ш陀旁降娜刃阅?,使充电系统更轻、更小、成本更优化,可提供高达400 kW的功率。除了SiC技术和功率??榈哪谠谟攀?,充电器的可靠性仍然是有效和广泛部署电动车的基石。
安森美半导体不仅是SiC技术和功率集成??榈囊桓隽煜裙┯ι?,而且在质量上与众不同。作为极少数拥有SiC完整供应链的供应商之一,安森美半导体确保我们的SiC分立及??椴返淖罡咧柿亢涂煽啃员曜迹约白吭降脑擞土榛钚?。
免责声明:本文为转载文章,转载此文目的在于传递更多信息,版权归原作者所有。本文所用视频、图片、文字如涉及作品版权问题,请联系小编进行处理。
推荐阅读:





