【导读】本次实验旨在研究一个使用NPN晶体管的简单差分放大器。首先,我们需要做一些关于硬件限制问题的笔记。ADALM2000 系统中的波形发生器具有高输出带宽,该高带宽带来了宽带噪声。由于差分放大器的增益,本次实验中测量所需的输入信号电平相当小。如果直接使用波形发生器输出,则其输出的信噪比将不够高。通过提高信号电平,然后在波形发生器输出和电路输入之间放置衰减器和滤波器(图1),可以改善信噪比。本次实验需要如下材料:
● 两个100 Ω电阻
● 两个1 kΩ电阻
● 两个0.1 μF电容(标记为104)

图1.11:1衰减器和滤波器
本次实验的所有部分都会使用该衰减器和滤波器。
带尾电阻的差分对
材料
● ADALM2000主动学习模块
● 无焊面包板
● 跳线
● 两个10 kΩ电阻
● 一个15 kΩ电阻(将10 kΩ电阻和4.7 kΩ电阻串联)
● 两个小信号NPN晶体管(2N3904或SSM2212 NPN匹配对)
说明
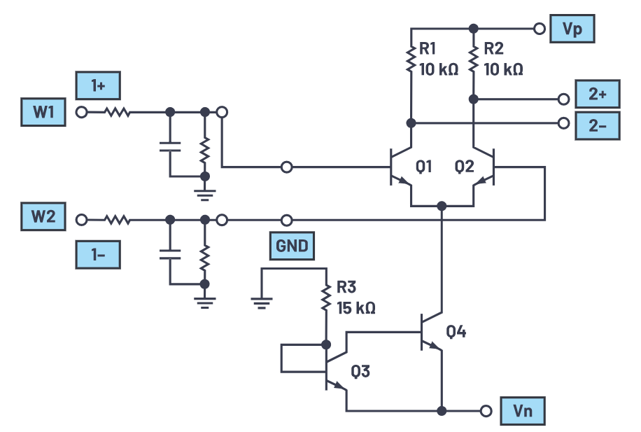
面包板连接如图3所示。Q1和Q2应从您可用的且VBE匹配最佳的晶体管中选择。Q1和Q2的发射极与R3的一端共享一个连接。R3的另一端连接到Vn (-5V),提供尾电流。Q1的基极连接到第一个任意波形发生器的输出,Q2的基极连接到第二个任意波形发生器的输出。两个集电极负载电阻R1和R2分别连接在Q1和Q2的集电极与正电源Vp (5V)之间。差分示波器输入(2+和2-)用于测量两个10 kΩ负载电阻上的差分输出。

图2.带尾电阻的差分对
硬件设置
第一个波形发生器配置为200 Hz三角波,峰峰值幅度为4 V,偏移为0。第二个波形发生器配置为200 Hz三角波,峰峰值幅度为4 V,偏移为0 V,但相位为180°。电阻分压器将Q1和Q2的基极处的信号幅度降低到略小于200 mV。示波器的通道1应与1+连接到第一个波形发生器W1的输出,与1-连接到W2的输出。通道2应连接到显示2+和2-,并设置为每格1 V。

图3.带尾电阻的差分对面包板电路
程序步骤
应获取如下数据:x轴是任意波形发生器的输出,y轴是使用2+和2-输入的示波器通道2。通过改变R3的值,探索尾电流电平对电路增益的影响(观察通过原点的直线的斜率)和对线性输入范围的影响,以及当电路饱和时,观察增益非线性下降的形状。然后在基本电路上增加点小元件,例如发射极退化电阻,探索扩展和线性化输入摆幅范围的技术及其对电路增益的影响。
配置示波器以捕获所测量的两个信号的多个周期。xy图示例如图4所示。

图4.带尾电阻的差分对xy图
电流源用作尾电流
使用简单电阻作为尾电流具有局限性。应探索构建电流源来偏置差分对的方法。这可以由几个额外的晶体管和电阻构成,如之前的ADALM2000实验 "稳定电流源"所示。
附加材料
● 两个小信号NPN晶体管(Q3、Q4 = 2N3904或SSM2212)
说明
面包板连接如图6所示。

图5.带尾电流源的差分对
硬件设置
第一个波形发生器配置为200 Hz三角波,峰峰值幅度为4 V,偏移为0。第二个波形发生器也应配置为200 Hz三角波,峰峰值幅度为4 V,偏移为0 V,但相位为180°。电阻分压器将Q1和Q2的基极处的信号幅度降低到略小于200 mV。示波器的通道1应与1+连接到第一个波形发生器W1的输出,与1-连接到W2的输出。通道2应连接到显示2+和2-,并设置为每格1 V。

图6.带尾电流源的差分对面包板电路
程序步骤
配置示波器以捕获所测量的两个信号的多个周期。xy图示例如图7所示。

图7.带尾电流源的差分对xy图
测量共模增益

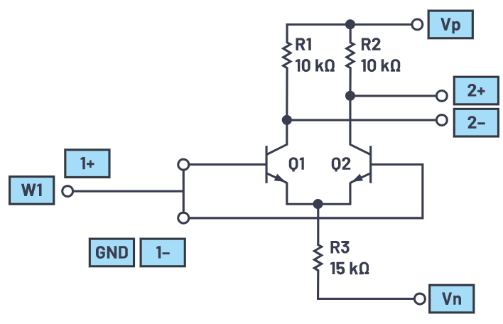
图8.共模增益配置
共模抑制是差分放大器的一个关键方面。CMR可以通过将两个晶体管Q1和Q2的基极连接到同一输入源来测量。图10中的曲线显示了当W1的共模电压从+2.9 V扫描至-4.5 V时,电阻偏置差分对和电流源偏置差分对的差分输出。输入上的最大正摆幅以晶体管的基极电压超过集电极电压和晶体管饱和电压的点为限。这可以通过观察晶体管的集电极电压相对于地为单端(即将2-示波器输入接地)来检查。
硬件设置
波形发生器配置为100 Hz正弦波,峰峰值幅度为8 V,偏移为0。示波器的通道1应与1+连接到第一个波形发生器W1的输出,与1-连接到地。通道2应连接到显示2+和2-,并设置为每格1 V。

图9.共模增益面包板电路
程序步骤
配置示波器以捕获所测量的两个信号的多个周期。产生的波形如图10所示。

图10.共模增益波形
问题:
对于图8中的电路,如果将晶体管Q1的基极视为输入,该晶体管放大器对于输出2+和2-而言是反相还是同相?
对于同一电路,说明当输入电压(W1)增加时,每个输出电压(2+和2-)会发生什么。另外请说明,当输入电压减小时会发生什么。
您可以在学子专区博客上找到问题答案。
免责声明:本文为转载文章,转载此文目的在于传递更多信息,版权归原作者所有。本文所用视频、图片、文字如涉及作品版权问题,请联系小编进行处理。
推荐阅读:




