桃花源qm花论坛(品茶),凤楼阁论坛官网入口网址,一品楼品凤楼论坛最新动态,风楼阁全国信息2024登录入口

你的位置:首页 > 电源管理 > 正文

只要简单接线配置,轻松将单级步进电机作为双级步进电机进行驱动

发布时间:2020-11-04 责任编辑:wenwei

【导读】步进电机有许多不同类型,但永磁体和混合步进电机有两种主要绕组配置,通过两相驱动——单极性和双极性。单极电机的常见接线配置是连接到电机绕组(A +,A-,B +和B-)的六根导线,以及连接到电机供电电压Vm的每相的中心抽头,如图1所示。
 
只要简单接线配置,轻松将单级步进电机作为双级步进电机进行驱动
图1:六线单极步进电机绕组连接
 
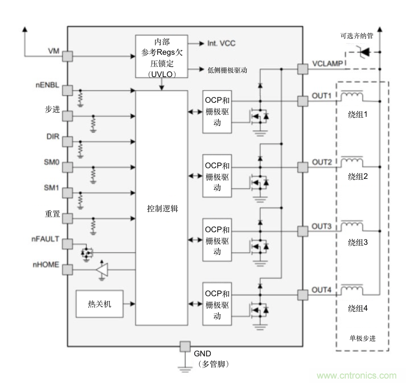
这种配置中,电机通过接通电机绕组的各个段来进行换向,这意味着电流仅需在一个方向上流动。这种配置可以简化驱动电路的设计,因为只需要四个低侧开关和续流二极管即可接通绕组的各个段。图2说明了采用2.0A单极步进电机驱动DRV8805的此类配置。
 
只要简单接线配置,轻松将单级步进电机作为双级步进电机进行驱动
图2:DRV8805与单极电机连接时的布线
 
简化设计需要权衡的因素是:在任何给定时刻,电机仅使用一半的绕组,从而无法实现最大的转矩能力。
 
相反,双极步进电机只有四根导线连到电机绕组,分别标记为A+、A-、B+和B-。如图3所示,双极步进电机没有中心Vm抽头。
 
只要简单接线配置,轻松将单级步进电机作为双级步进电机进行驱动
图3:四线双极步进电机绕组连接
 
由于缺少中心抽头,双极步进电机需要电流双向流入绕组,因此需要更多的电子器件来推挽电流。现在可接通全绕组,从而产生比单机绕组配置更高的可用转矩。
 
通过对绕组连接进行少量重新配置后,可将单极步进电机用作双极步进电机。使用六线单极电机执行此操作时,请断开各相中心Vm抽头的连接,并用电工胶带将其粘住。如图4所示,这种也称为双极串联的布线配置现在允许双向(双极)电流在电机绕组中流动。
 
只要简单接线配置,轻松将单级步进电机作为双级步进电机进行驱动
图4:配置单极步进电机绕组作为双极串联步进电机进行驱动
 
这种重新配置确实存在一些基本权衡因素。双极串联配置为整个绕组供电,因此与单极步进电机相比,在保持位置和较低速度下可获得更高转矩。但这给双极串联步进电机带来了更高的总电感,且在更高速度下,其有效转矩的下降速度要比单极配置的下降速度更快(图5)。
 
 
只要简单接线配置,轻松将单级步进电机作为双级步进电机进行驱动
图5:单极与双极串联步进电机转矩/速度曲线
 
此行为归因于输出转矩与速度和电感的反比例关系,如公式1所示:
 
只要简单接线配置,轻松将单级步进电机作为双级步进电机进行驱动
 
该公式中,τ是转矩,Vm是电机供电电压,v是电机速度,L是电机电感。
 
许多应用都可在其系统中使用单极或双极步进电机,包括暖通电子膨胀阀、ATM模块和打印机。无论步进电机的类型如何,使用双极步进电机驱动集成电路均具有优势。您可以:
 
1. 减少在不同电机类型的系统之间重新设计电路板的时间,
2. 采购更少的组件,并且
3. 提供更广泛的产品和性能。
 
TI的20-V、2.0-A DRV8847和50-V、1.5-A DRV8436等步进电机驱动可以灵活地驱动单极步进电机和双极步进电机。  我们还提供专用的单极步进驱动器,例如 2.0-ADRV8803、DRV8804、DRV8805和DRV8806。
 
 
推荐阅读:
 
安森美获维科杯·OFweek 2020物联网行业最具行业影响力企业奖
安富利与英飞凌携手赋能物联网设备与云的安全连接
聚焦芯生态,贸泽赞助2020中国(深圳)集成电路峰会
变频器的逆变单元是怎么工作的?
电机原理及几个重要公式
要采购导线么,点这里了解一下价格!
特别推荐
技术文章更多>>
技术白皮书下载更多>>
热门搜索

关闭

?

关闭