桃花源qm花论坛(品茶),凤楼阁论坛官网入口网址,一品楼品凤楼论坛最新动态,风楼阁全国信息2024登录入口

你的位置:首页 > 传感技术 > 正文

如何建立基于MEMS的解决方案,以在状态监控期间实施振动检测

发布时间:2020-11-02 来源:Thomas Brand,ADI 现场应用工程师 责任编辑:wenwei

【导读】对于使用电机、发电机和齿轮等的机械设备和技术系统,状态监控是当前的核心挑战之一。在最大限度降低生产?;缦照庖环矫?,计划性维护的重要性日益凸显,不仅是在工业领域,在任何使用机械系统的地方均是如此。除此以外,本文还分析了机器的振动模式。齿轮箱导致的振动在频域体现为轴速的倍数。不同频率点的磨损、不平衡或松脱的部件等异常。我们通常使用基于MEMS(微机电系统)的加速度计来测量频率。与压电式传感器相比,它们具有更高的分辨率、出色的漂移特性和灵敏度,以及更高的信噪比(SNR),此外,还能检测几乎接近直流范围的极低频率振动。
 
本文介绍一种基于ADXL1002 MEMS加速度计的高线性、低噪声、宽带振动测量解决方案。这种解决方案可用于实施轴承分析或发动机监测,且适用于所有需要动态范围高达±50 g、频率响应范围为从直流至11 kHz的应用。
 
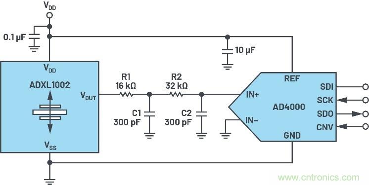
图1显示的是一个示例电路。来自ADXL1002的模拟输出信号通过2阶RC滤波器馈送至逐次逼近寄存器(SAR)模数转换器(ADC) AD4000,将模拟信号转化为数字值,以进一步处理信号。
 
如何建立基于MEMS的解决方案,以在状态监控期间实施振动检测
图1.ADXL1002的示例电路
 
ADXL1002是ADI公司一款高频率的单轴MEMS加速度计,提供远超过传感器谐振频率范围的输出信号通频带。采用此器件之后,也可以监测3 dB带宽以外的频率。为了实施这种监测,ADXL1002的输出放大器需要支持70 kHz小信号带宽。使用ADXL1002的输出放大器也可以直接驱动实现高达100 pF的容性负载。要实现高于100 pF的负载,需要使用不低于8 kΩ的串联电阻。
 
ADXL1002的输出端需要配备外部滤波器,以消除ADXL1002的输出放大器和其他内部噪声组件产生的混叠噪声,例如,耦合内部200 kHz时钟信号产生的噪声。因此,需要相应采用滤波器带宽。采用图1所示的尺寸(R1 = 16 kΩ,C1 = 300 pF,R2 = 32 kΩ,C2 = 300 pF)时,在200 kHz时会实现约84 dB衰减。此外,选择的ADC采样速率应该高于放大器的带宽(例如,32 kHz)。
 
对于ADC,选择ADXL1002的电源电压作为其基准电压源,这是因为输出放大器与电源电压成比率关系。在本例中,电源电压的容差和电压温度系数(一般连接至外部稳压器)介于加速度计和ADC之间,所以可以抵消与电源和基准电压相关的隐含误差。
 
频率响应
 
加速度计的频率响应是该系统最重要的特性,具体如图2所示。在频率高出约2 kHz至3 kHz时,增益增加。对于谐振频率(11 kHz),在输出电压下产生约12 dB(因子为4)的最大增益值。
 
如何建立基于MEMS的解决方案,以在状态监控期间实施振动检测
图2.ADXL1002的频率响应
 
为了显示量程过冲(超量程),ADXL1002配备了一个对应的输出(OR引脚)。发生明显的超量程事件时,集成式监测器会发出警报。
 
机械安装注意事项
 
应特别注意将加速度计放置在正确的位置。加速度计应安装在靠近板的刚性安置点的位置,避免电路板本身产生任何振动,以及因为电路板振动未受抑制而导致的测量误差。这种放置可以确保加速度计每次受到的电路板振动的频率都高于机械传感器的谐振频率,因此实际上对加速度计是不可见的。多个安装点时,接近传感器和较厚的板也有助于降低系统谐振对传感器性能的影响。
 
结论
 
采用图1所示的电路时,可以相对容易地构建基于MEMS的解决方案,ADI公司该方案可以检测直流范围到11 kHz的振动(旋转机器的状态监控通常要求采用这一范围)。
 
参考资料:
 
电路笔记CN-0303:带频率响应补偿的MEMS振动分析仪。ADI公司,2016年9月。
 
作者简介
 
Thomas Brand于2015年加入德国慕尼黑ADI公司,当时他还在攻读硕士。毕业后,他参加了ADI公司的培训生项目。2017年,他成为一名现场应用工程师。Thomas为中欧的大型工业客户提供支持,并专注于工业以太网领域。他毕业于德国莫斯巴赫的联合教育大学电气工程专业,之后在德国康斯坦茨应用科学大学获得国际销售硕士学位。联系方式:thomas.brand@analog.com。
 
 
推荐阅读:
 
eSIM如何打造物联网新未来?Digi-Key IoT Now eSIM网络研讨会为您解答
NEC与ADI合作为Rakuten Mobile提供5G O-RAN大规模MIMO无线电方案
电源设计注意事项:噪声和尖峰
设计宽带宽 多通道系统的逐步注意事项
使用高速数据转换器快速取得成功的关键
要采购传感器么,点这里了解一下价格!
特别推荐
技术文章更多>>
技术白皮书下载更多>>
热门搜索

关闭

?

关闭