【导读】近年来,电动汽车的数量在全球范围内不断增长,如纯电动汽车(BEV)或插电式混合动力汽车(PHEV)。此外,还有许多因素引起了人们的怀疑,比如说,目前每个终端用户的碳排放量仍然很低(除此之外,还有一些因素可以降低终端用户的碳排放量)。毫无疑问,电动汽车的吸引力取决于电池。这些车辆的普及和适应能力,以及这一细分市场的增长潜力,都取决于高可靠性和持久性的电池性能。电池性能和耐久性在很大程度上取决于充电技术和方法。在本文中,我们将更深入地研究车载充电系统的体系结构,并详细介绍PFC和DC-DC拓扑中最流行的结构。
经典升压PFC
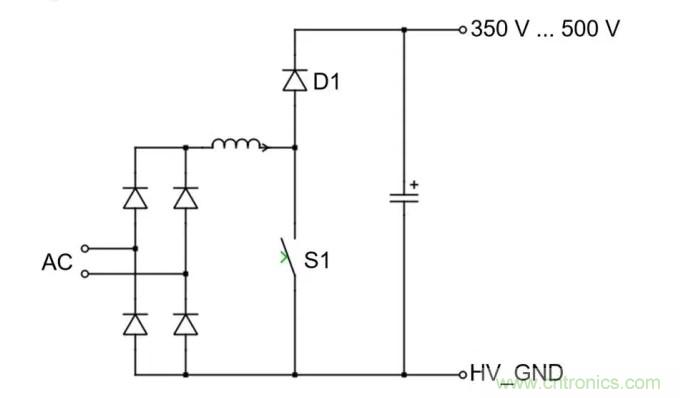
实现功率因数校正功能的最简单拓扑是使用简单的boost转换器拓扑,如图1所示。这种拓扑结构也被称为经典PFC或经典boost PFC。电路由高频开关和二极管、电感和交流输入侧的二极管桥式整流器组成。在直流输出端,通常使用缓冲帽来稳定输出电压。实现高功率因数的最常见的工作模式是连续导通模式(CCM),它是通过开关和二极管之间的电流源换流来实现的。这种拓扑提供了从交流输入到直流输出的单向功率流。

图1:boost PFC的工作原理(为了更好地理解原理操作,建议在S1上加一个二极管,但省略了)
由于难换相,要求半导体能够承受连续换流。因此,一个合理的选择是使用合格的CoolSiC™ 肖特基二极管650 V Gen5器件,用于位置“D1”,而各种开关适合作为功率因数校正级的电源开关。例如,英飞凌的TRENCHSTOP™ AUTO 5 IGBT提供高速开关功能,击穿电压为650 V。这些igbt可作为单个igbt或带有集成反并联Si或SiC二极管的igbt。如果选择的器件是单个IGBT,我们建议在集电极和发射极节点之间使用一个小的反并联PN二极管,以避免IGBT上出现负电压尖峰。当目标是在简单的PFC拓扑中实现最高效率时,我们建议使用MOSFET而不是IGBT。最新的汽车CoolMOS™ 一代,CoolMOS™ CFD7A,完美地配合了SiC二极管作为对应物的拓扑结构。这种MOSFET的优点是在沟道中具有电阻行为,不受尾流的影响,并且比IGBT具有更低的开关损耗。所有这些优点转化为更低的功率损耗,因此,更高的转换效率。
在这种拓扑结构中也可以使用宽带隙晶体管;但是,这不会带来显著的好处,因为SiC和GaN晶体管由于拓扑的自然性能而不能被充分利用。

图2:单相车载充电器功率因数校正级示例:a)集成SiC二极管的IGBT,b)带外部保护二极管的单个IGBT,c)CoolMOS™ CFD7A(带本征体二极管)
图腾柱PFC
双向车载充电器的常见拓扑结构是所谓的图腾极PFC(图3)。在此设置中,所有二极管都被有源功率开关取代,以实现双向功率流能力。使用有源开关代替二极管的另一个优点是效率提高。尽管如此,这种修改也增加了复杂性,因为必须在电路中控制更多的开关。

图3:图腾极PFC拓扑
图腾极PFC由快速切换段(“S1”和“S2”)和慢速切换段(“S3”和“S4”)组成。“S1”和“S2”要求半导体能够承受高频下两个有源开关之间负载电流的硬换相。因此,“S1”和“S2”的最佳选择是使用TRENCHSTOP™ H5 IGBT或CoolSiC™ MOSFETs。慢开关段(“S3”和“S4”)中的开关实现相位校正功能。因此,在交流输入的过零点(零电压开关)期间,它们会随着交流频率接通和断开。

图4:a)IGBT,b)SiC MOSFET,c)IGBT和CoolMOS的图腾极PFC™ CFD7A(相位整流器)
实现图腾极PFC的一种常见方法是在位置“S1”、“S2”、“S3”和“S4”使用IGBT开关。英飞凌的高速TRENCHSTOP™ IGBT是车载充电器系统的最佳IGBT选择。CoolMOS™ CFD7A建议用于慢开关半桥(“S3”和“S4”),以进一步提高效率。由于交流频率下的软开关特性,将超级连接mosfet设计成相位整流桥是可能的。用四个CoolSiC实现硬开关图腾极PFC是可能的,因为CoolMOS™ MOSFET具有超低的反向恢复电荷。CoolSiC ™ mosfet的另一个优势是击穿电压为1200v,支持更高的直流链电压(高于650v)。
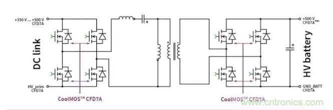
移相全桥
一种常用的DC-DC拓扑是所谓的移相全桥(图5),由DC-DC变换器初级侧的全桥、谐振电感器、隔离变压器和次级侧的整流组成?;谡庵滞仄私峁沟淖钕冉某翟爻涞缙魇褂没诠杌蛱蓟璧膍osfet。由于紧凑型DC-DC变换器对开关频率的要求很高,IGBT不适合这种拓扑结构。

图5:相移全桥拓扑结构,包括二次侧的二极管
这种拓扑的一个显著优点是效率高,因为它可以在较宽的负载范围内进行软交换。这意味着,储存在mosfet寄生电容中的能量可以重新循环,降低功率损耗,减少散热,提高转换效率。一次侧的附加电感器(Lr)确保了mosfet的软开关。然而,由于这种拓扑结构的固有特性,不能在整个输出范围内实现所有mosfet的全ZVS。通常,不同mosfet的硬开关发生在轻负载条件下(当谐振能量不足以维持ZVS时)。这种硬开关现象也是英飞凌推荐具有快速二极管特性的硅mosfet(如CoolMOS™ CFD7A)的原因或像CoolSiC™ MOSFET这样的宽禁带系列用于汽车应用,确保长期可靠运行。
这种拓扑的另一个优点是与LLC变换器相比,控制工作量相对较低。功率流的调节是通过控制两个半桥腿之间的相移来实现的,而不需要修改频率或占空比。此外,PSFB拓扑能够获得比LLC变换器更大的转换比。
二次侧的任务是对一次侧传输的能量进行校正。有几种方法可以实现这一点。一种方法是使用全桥整流(如图5所示)或中心抽头变压器。对于这两种变体,二极管或有源mosfet是最常见的选择。
双向移相全桥拓扑

图6:双向使用的移相全桥拓扑
如果DC-DC的二次侧采用有源开关,并且采用适当的控制策略,则移相全桥拓扑也可以用于双向车载充电器。图6说明了双向PSFB的概念。如图所示,不需要进一步修改硬件组件来支持双向功率流。
LLC拓扑
LLC拓扑是达到最高转换效率的理想选择。与PSFB相比,LLC拓扑允许实现更高的效率,从而在运行期间降低损耗,并实现更高的功率密度转换器。车载充电器中使用的大多数LLC转换器都是全桥LLC转换器。一次侧的全桥配置有助于减少通过功率开关的电流,因为变压器的一次侧绕组驱动的电压是半桥LLC转换器的两倍。由于电压加倍,在给定的变压器尺寸下,可以传输双倍的功率。尽管如此,这一原则适用于所有半桥/全桥变换器,而不是LLC变换器的独特性,但由于将半桥LLC变换器用于低功率应用更为常见,因此我们在这里重点讨论这一点。
设计良好的LLC拓扑结构的另一个优点是可以在满负荷范围内实现零电压开关。然而,mosfet的硬开关很容易在启动时发生,并且仅在某些关键条件下(即“电容模式”操作)。
除了优点之外,LLC拓扑还有一个缺点:功率流是通过可变频率而不是通过脉宽调制控制信号的可变占空比来控制的。由于所需的频率范围,电磁干扰滤波器的设计可能变得更具挑战性。此外,由于很难规定均流,LLC变换器并联级的同步变得更加复杂。图7显示了车载充电器中使用的典型全桥LLC转换器,其中转换器的二次侧也设计为全桥。

图7:单向运行的全桥LLC变换器(二次侧带有源同步整流)
结论
电动汽车的吸引力取决于电池。半导体技术的进步需要实现更高的效率和最高的性能,使电动汽车成为传统交通工具的便捷和环保的替代品。为了满足现代非车载充电器设计的要求,各种拓扑结构和技术在今天是可用的。所以,我们的任务是使它们完美匹配。
推荐阅读:



