桃花源qm花论坛(品茶),凤楼阁论坛官网入口网址,一品楼品凤楼论坛最新动态,风楼阁全国信息2024登录入口

你的位置:首页 > 电源管理 > 正文

Buck-Boost集成电路提供更快的充电速度,更长的电池寿命

发布时间:2020-10-07 责任编辑:wenwei

【导读】德州仪器(TI)最新的BQ25790和BQ25792降压电池充电器集成电路解决方案提供最大的功率密度和通用快速充电效率高达97%。该集成电路支持低静态电流,可灵活地对一至四个电池进行串联充电,并可在整个输入电压范围(3.6 V至24 V)内为USB Type-C、USB Type-C电源传输(USB PD)和无线应用程序充电。这些新的解决方案将用于小型个人电子设备、便携式医疗设备和楼宇自动化应用。
 
德州仪器公司电池管理解决方案产品线经理Samuel Wong说:“USB-Type-C/PD适配器越来越受欢迎,并正在成为一种通用的充电标准。“BQ25790和BQ25792的高功率密度性能可以帮助设计工程师利用USB-PD增加的输入功率,并为不同(1S到4S)电池配置提供灵活性。”
 
快速充电
 
有限的电池寿命损害了智能手机用户的自主性。不管最新的智能手机电池有多出色,它们的尺寸仍然有限。制造商试图使手机越来越节能,但这些手机一直被用于日益耗电的应用。结果是,如果只充电一次,你的电池通常不会持续到晚上。
 
快速充电允许您使用一些技术技巧快速恢复设备的电池寿命。用于快速充电的电池充电器还作用于电压值,从而显著提高功率输出。
 
充电标准是一个复杂的混合化学和物理,由于每一个都有其局限性,不兼容本身可能是一个问题。当电流流过智能手机的电池时,电池会重新充电。更高的电流和更高的电压能更快地给电池充电,但它们的容量是有限的。电荷调节器(IC)通过调节进出电池的总电流来防止危险的电流浪涌。
 
USB-PD提供了一个有用的选择,快速和高效的充电在广泛的应用。USB PD的输出电压范围可根据不同电池配置的不同电池供电设备进行调整,以利用USB PD的5-W至100-W(20-V/5-A)功率谱。
 
TI的buck boost集成电路
 
通用充电允许从汽车适配器或USB PD适配器充电,为各种设备带来了新的灵活性和便利性,特别是在医疗领域。双向充电支持移动(OTG)充电。
 
为了满足消费者的期望,设计人员正在寻找能够延长电池运行时间和利用最大电池容量的解决方案,同时有效地充电和减少散热,以最大限度地减少充电器IC内的功耗。
 
新的TI系列集成buck-boost充电器集成电路,包括BQ25790和BQ25792,使用USB-PD输入,在3.6-V至24-V输入电压范围内为1S-4S电池充电时提供更大的灵活性。该设备使用非常低功耗的充电集成电路,以延长电池运行时间,并在不使用应用程序时尽可能节省电池电量。除了超低功耗外,充电器还配备了一个充电定时器,允许在正常充电周期之外进行额外充电,从而使电池达到最大容量充电。
 
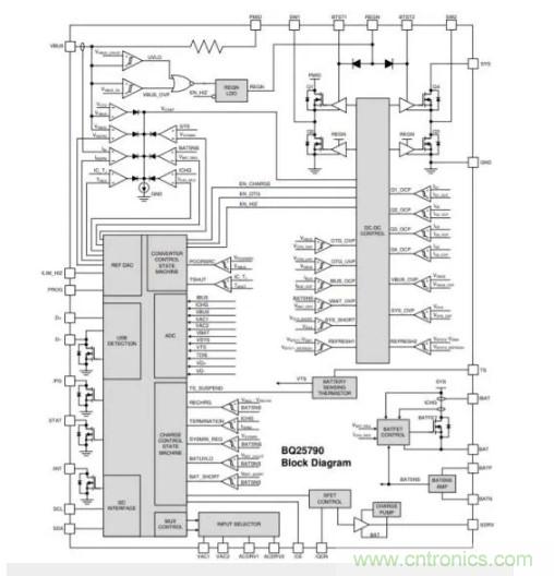
BQ25790和BQ25792多单元buck-boost充电器使用的静态电流小于1µA。再加上8 mΩ极低的电池场效应晶体管电阻器,工程师可以进一步将电池工作时间最大化,以满足需要长时间运行的应用(图1)。
 
Buck-Boost集成电路提供更快的充电速度,更长的电池寿命
图1:25790:BQ0
 
Samuel Wong说:“在便携式电子设计中,静态电流有两个主要挑战:第一种静态电流是在设备运输和储存期间的长货架期关机模式。”“BQ25790和BQ25792提供低至0.6µa的关机模式。关机模式不仅将IC电流消耗降至最低,还将系统与电池完全断开,以避免系统功耗,这使得电池可以保持满容量几个月。第二种静态电流是电池模式,当电池为系统供电时使用这种模式。为了提供长时间的电池运行时间,这些buck-boost电池充电器的设计目的是将IC本身消耗的电流降到最低。”
 
新的buck-boost充电器完全集成了以下组件:金属氧化物半导体场效应晶体管(mosfet)、电池FET、电流传感电路和双输入选择开关。组件数量的减少对于智能音箱等应用尤其重要,智能音箱体积更小,价格也随着市场采用率的提高而降低。
 
“组件集成在面积、成本和性能方面总是有折衷的,”Wong说。BQ25790和BQ25792分别在<10-mm2(WCSP)或16-mm2(QFN)封装中集成了四个buck-boost变换器mosfet、一个电池FET和两个电流感测电阻器。这大大缩小了50%以上的解决方案尺寸,使PCB封装中的功率密度增加了一倍。我们的高效功率转换器和创新的包装,充电器支持高达155兆瓦/平方毫米。小型集成解决方案不仅增加了功率密度,而且通过简单的设计和最小的BOM提供了更好的用户体验。”
 
近年来,buck-boost充电器越来越受欢迎,因为它能够从几乎任何输入源为电池充电,并能满足C型和PD-USB适配器的需求。广泛采用usbtype-C的一个关键优势是实现通用适配器和相应减少电子浪费的现实途径。高功率密度buck-boost充电器不仅要集成一般功能的充电??椋挂蒁C/DC变换器等其它???,以简化系统设计。图2显示了USB充电系统的解决方案。
 
Buck-Boost集成电路提供更快的充电速度,更长的电池寿命
图2:USB PD充电解决方案的框图
 
当适配器不存在时,DC/DC转换器对电池放电以产生VBUS调节的电压并为外部设备供电。在没有适配器的情况下,放电电源路径中的连排式mosfet将导通,将输出电压U3切换到VBUS,并保持VBUS电压。这使DC/DC转换器始终接通。作为输入过压和过流?;さ缏返囊徊糠郑獠苛攀絤osfet的控制逻辑和驱动电路也集成在充电器中。
 
Buck-Boost集成电路提供更快的充电速度,更长的电池寿命
图3:完全集成的buck-boost充电
 
图3所示的完全集成的buck-boost充电器可以简化USB PD充电解决方案的全系统设计。作为输入过压和过流?;さ缏返囊徊糠?,外部连排式mosfet的控制逻辑和驱动电路也集成到充电器中。这些特性消除了从方框图中支持输入电源路径管理和输入电流检测的单元。
 
Buck-Boost集成电路提供更快的充电速度,更长的电池寿命
图4:单块buck-boost充电器实现的usbtype-C-FRS
 
Buck-Boost集成电路提供更快的充电速度,更长的电池寿命
图5:从VBUS sink到VBUS源的Buck-boost充电器FRS
 
为了支持C型USB端口的快速角色交换(FRS),该集成buck-boost充电器实现了一种新的备份模式,可以监控VBUS电压;VBUS电压下降到预设阈值以下表示适配器已卸下。FRS是usbpd3.0的一个很好的新特性,其中提供电源的设备可以快速改变其电源角色,成为一个能量消耗者,以保持一致的数据连接。FRS有助于防止设备意外断电时可能发生的任何数据丢失(图4和图5)。
 
 
推荐阅读:
 
选择最佳的振动传感器来进行风轮机状态监控
电力线通信模拟前端AFE031的应用及设计概述
贸泽电子《让创意走进现实》系列短片斩获Ad Age金奖
iCoupler技术为AC/DC设计中的GaN晶体管带来诸多优势
让低功耗MSP430的功耗更低——第2部分
要采购适配器么,点这里了解一下价格!
特别推荐
技术文章更多>>
技术白皮书下载更多>>
热门搜索

关闭

?

关闭