桃花源qm花论坛(品茶),凤楼阁论坛官网入口网址,一品楼品凤楼论坛最新动态,风楼阁全国信息2024登录入口

你的位置:首页 > 电源管理 > 正文

长时间工作的电源是否还能稳定运行?

发布时间:2020-09-01 来源:ZLG致远电子 责任编辑:wenwei

【导读】在电子设备产品设计时,电源产品的质量优劣将直接影响其技术性能以及工作安全性和可靠性。当电源出现问题时就会导致整个产品的瘫痪,电源产品的全方位测试则显得尤为重要。
 
我们以电动摩托车充电器为例,充电器作为电动摩托车四大件(控制器、充电器、电池、电机)之一,是电动摩托车重要的组成部分,也直接影响着电动摩托车安全。劣质充电器可能引起触电、起火甚至是爆炸的严重后果。因此充电器在研发、生产、认证等阶段都会进行严苛的测试认证,图1为致远电子为其提供的整套测试方案。
 
长时间工作的电源是否还能稳定运行?
图1 测试方案图
 
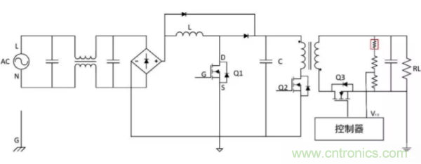
充电器的重要电路组成部分就是开关电源,如图2所示。当电源长时间运行时,会发生电压电流不稳定的问题,甚至出现过压、欠压、过载、过热等有可能导致设备损坏的情况。所以需要严格地对电源进行输入、输出、异常工况、开关器件等进行全方位测试,以及为了验证产品稳定性对其进行耐久测试。今天重点介绍两款测试利器给大家——PA功率分析仪与ZDL示波记录仪。
 
长时间工作的电源是否还能稳定运行?
图2 开关电源电路拓扑图
 
测试设备—PA功率分析仪
 
PA功率分析仪可对电源的输出电压、电流、功率、谐波及转换效率等参数进行准确测量,致远的PA5000H功率分析仪拥有0.05%功率测量精度,5MHz带宽以及丰富的谐波测量功能广泛适用于电源产品的研发与测试。
 
1、功率分析仪—电参数测试
 
功率分析仪关注稳态测试,功率分析仪的可同时测试交流输入,直流输出,对整体能效和电参数进行同步分析,测试输入和输出的电压、电流、测试电压、电流有效值、功率因数、效率、谐波等,如图3所示。
 
长时间工作的电源是否还能稳定运行?
图3 电参数测试
 
2、功率分析仪—效率与功率因数测试
 
功率分析仪测试交流输入功率和直流输出功率,设置电子负载从空载到满载,使用功率分析仪的X-Y的显示模式,可以直接测试到效率和功率因数从空载到满载的曲线图。
 
长时间工作的电源是否还能稳定运行?
图4 效率曲线图
 
长时间工作的电源是否还能稳定运行?
图5 功率因数曲线图
 
3、功率分析仪—IEC谐波测试
 
用电产品会根据IEC61000-3-2和IEC61000-3-11标准进行谐波测试,验证其是否满足标准要求,PA功率分析仪可以测量高达500次谐波,并有多种组合显示方式能同时显示各次谐波含量。
 
长时间工作的电源是否还能稳定运行?
图6  IEC谐波测试
 
4、PA功率分析仪—冲击电流测试
 
通常在给负载通电的一瞬间会产生大电流,电流过大会对设备的正常工作造成影响。利用PSA可编程交流电源可模拟输出启动相位在0°、90°和270°时的电压情况,用PA功率分析仪对电子产品的开机冲击电流进行测试。
 
长时间工作的电源是否还能稳定运行?
图7 冲击电流测试
 
测试设备—ZDL示波记录仪
 
ZDL6000示波记录仪标配8个板卡卡槽,各输入通道之间相互绝缘隔离,为电源用户可省下大量高压差分探头,可以提供电压、电流、温度…等多种输入板卡,通道最多可达128CH,为客户观测波形时序,查找异常信号提供最佳解决方案。 
 
1、示波记录仪—驱动时序测试
 
一般测试驱动时序的方法是用示波器加差分探头,测试MOS的Vgs和Vds,使用电流探头测试电感电流,可观察到对应的驱动信号质量和电感电流工作模式,若是用示波记录仪进行测试,则不需要差分探头,测试更加准确,并且更加方便,如图8所示。
 
长时间工作的电源是否还能稳定运行?
图8 驱动时序测试
 
2、示波记录仪—异常捕获与耐久测试
 
异常捕获:电源产品在长时间运行时,不知道会出现什么问题,示波器无法设置触发条件,不容易捕捉到异常,而使用示波记录仪记录波形后可进行回看,有效捕获异常波形;
 
耐久测试:电源产品需要频繁on/off实验,几千次可能只有一次故障,所以需求记录仪长时间记录下来分析产品的稳定能。
 
长时间工作的电源是否还能稳定运行?
图9 多路同步耐久测试
 
3、元件温升测试
 
设备中关键部位的温度异?;岬贾律璞感阅芟陆瞪踔了鸹怠R虼宋律馐允遣费蟹⒐讨斜夭豢缮俚囊幌?。使用ZDL6000可以灵活组合电压采集卡、16通道卡、温度采集卡等多种板卡同步测量。例如在温升测试中就可以装配100M卡与温度卡,同步测试器件工作电压、电流以及关键部位的温升情况。
 
长时间工作的电源是否还能稳定运行?
图10 元件温升测试
 
总结
 
为了保证电源长时间运行的稳定性,要对电源进行全面测试分析,测试项目将多达几十项,一定要根据测试项目,选择做合适的测试仪器,发挥仪器的最大性能,在电参数、能效、谐波测试方面用功率分析仪,在隔离测试、多通道同步分析、耐久测试、异常捕获方面用示波记录仪。
 
 
推荐阅读:
 
高带宽探头挖潜增效和前端选择及焊接指南
陶瓷电容器静电容量随时间变化的原理
Astera Labs全面提供适用于PCIe 4.0和5.0互连的Aries Smart Retimer
贸泽与Amphenol i2s 签订全球分销协议,进一步扩充传感器产品阵容
功率密度基础技术简介
要采购开关么,点这里了解一下价格!
特别推荐
技术文章更多>>
技术白皮书下载更多>>
热门搜索

关闭

?

关闭