桃花源qm花论坛(品茶),凤楼阁论坛官网入口网址,一品楼品凤楼论坛最新动态,风楼阁全国信息2024登录入口

你的位置:首页 > 电路保护 > 正文

为你的系统保驾护航,专用欠压/过压保护器件你心动了吗?

发布时间:2020-07-13 来源:ADI 责任编辑:wenwei

【导读】启动期间的点火起动和关断期间的负载突降是造成汽车电源线路中产生电压瞬变的常见起因。这些欠压(UV)和过压(OV)瞬变的幅度很大,可能会对并非专用于极端条件下运行的电路造成损坏。目前已开发出专用的UV和OV?;て骷?,用于断开敏感型电子器件与电源瞬变之间的连接。
 
Q:是否有适合汽车应用的过压和欠压?;て骷??
 
A:可采用特定的电源路径控制器来?;つ南低?。
 
启动期间的点火起动和关断期间的负载突降是造成汽车电源线路中产生电压瞬变的常见起因。这些欠压(UV)和过压(OV)瞬变的幅度很大,可能会对并非专用于极端条件下运行的电路造成损坏。目前已开发出专用的UV和OV?;て骷?,用于断开敏感型电子器件与电源瞬变之间的连接。
 
LTC4368就是一款专用的UV和OV?;て骷?。它利用窗口比较器来监测和验证输入电源。通过连接至UV和OV监测器引脚的电阻分压器网络监测电源电压。窗口比较器输出驱动两个N通道MOSFET的栅极,以闭合或断开电源和负载之间的连接。
 
LTC4368的窗口比较器在其监测器引脚上提供25 mV迟滞,以改善抗干扰度。迟滞可防止因电源线路中存在纹波或其他高频振荡导致MOSFET进行错误的导通/关断切换。LTC4368提供的25 mV迟滞相当于监测器引脚阈值的5%,这在UV和OV?;て骷泻艹<?。
 
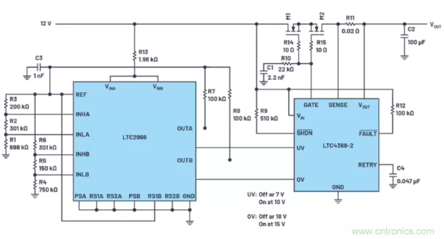
为了?;さ缏坊蚪档偷慊鸶涸?,在启动或关闭期间,必须将某些汽车附件电路与电源线路断开。由于存在较大瞬变,这些电路可能需要更多迟滞(超过LTC4368单独提供的迟滞)。对于这类应用,可以将LTC4368与提供可调迟滞的电源监测器(例如 LTC2966)匹配,以满足提供更高迟滞的要求。图1所示为宽电压范围汽车电路?;て魇纠?。在这个电路中,LTC2966用作窗口比较器,LTC4368则负责将负载连接至电源。
 
为你的系统保驾护航,专用欠压/过压?;て骷阈亩寺??
图1.利用宽电压监测器迟滞实施电源路径控制。
 
提供电路?;さ钠礥V/OV和过流监测器
 
图1所示的解决方案可?;ひ资芷档缭聪呗分星费?、过压和过流瞬变影响的电子器件。
 
LTC2966监测反向电压、欠压和过压情况。监测阈值和迟滞电平由INH和INL引脚上的电阻网络,以及RS1和RS2引脚上的电压来配置。
 
OUTA是UV窗口比较器输出,OUTB是OV窗口比较器输出。这些输出的极性可以通过PSA和PSB引脚选择为相对于输入反相或同相。在图1中,它们配置为同相。LTC2966的OUTA和OUTB输出上拉至LTC2966的REF引脚,然后直接馈入LTC4368的UV和OV引脚。
 
LTC4368提供反向电流和过流?;?。电流检测电阻R11的大小决定了反向电流电平和过流电平。LTC4368根据其过流比较器和LTC2966提供的监测信息来确定是否应将负载连接至电源。UV、OV和SENSE(过流)引脚都是影响决策的因素。如果三个引脚都满足条件要求,则GATE引脚拉至VOUT 以上,负载则通过双路N通道MOSFET电源路径连接至电源。如果三个引脚中有任何一个不满足要求,则GATE引脚拉至VOUT以下,负载与电源断开。
 
直接由电池供电的汽车应用易受发动机启停期间较大的电压波动影响。在这种?;そ饩龇桨钢?,电压监测阈值由标称工作电压,以及汽车启动或负载突降情况下的预期电压决定,同时确保下游电子器件受到?;?。
 
当汽车点火装置通电启动车辆时,会产生启动瞬变。在此应用中,LTC2966的通道A配置为检测启动瞬变。
 
为你的系统保驾护航,专用欠压/过压?;て骷阈亩寺穑? width=
图2.VOUT 与VIN的关系曲线。
 
图2所示为电源路径处于活动状态时的输入电压。启动监测器通道A配置为具有7 V降压阈值和10 V升压阈值。负载突降监测器通道B配置配置为具有18 V升压阈值和15 V降压阈值。这些阈值通过查看不同的启动和负载突降波形规格获得。如果需要,可以通过调节LTC2966的INL和INH输入的电阻分压器串来轻松配置不同阈值。
 
配置
 
为你的系统保驾护航,专用欠压/过压保护器件你心动了吗?
图3.电阻分压器决定电压监测器阈值。
 
图3显示如何计算得出此应用的电阻分压器值。LTC2966的REF引脚提供2.404 V。
 
为你的系统保驾护航,专用欠压/过压?;て骷阈亩寺??
图4.范围和比较器输出极性选择。
 
图4所示为该电路的范围和输出极性配置。每个通道的范围根据要监测的特定通道的电压范围来选择。范围由RS1A/B和RS2A/B引脚配置。LTC2966输出引脚的极性,无论是拉高或是拉低,都是通过设置PSA和PSB引脚来确定的。在此应用中,LTC4368的输入引脚决定LTC2966输出引脚的极性。对于要连接至电源的负载,UV引脚的电压必须大于0.5 V,OV引脚的电压必须小于0.5 V。
 
反向电压?;?/div>
 
在图1所示的解决方案中,LTC2966和LTC4368都受反向电压?;ぃ篖TC4368内置−40 V反向电压保护,LTC2966则需要选择保护器件。
 
为你的系统保驾护航,专用欠压/过压保护器件你心动了吗?
图5.适用于LTC2966的反向电压?;し椒ā?/div>
 
图5显示了适用于LTC2966的两种反向电压?;し椒ǎ阂恢质堑缱杞饩龇桨?,一种是二极管解决方案,具体选择哪种取决于应用。
 
在二极管解决方案中,二极管只在电路正常运行(即正电压)期间保持激活。LTC2966的电源电流为几十微安,因此使用一个低功率二极管就足够了,可以提供尺寸小巧的解决方案。在反向电压事件期间,二极管会阻止电流从LTC2966电源引脚流出。选择哪种二极管,由二极管的反向击穿电压决定。为了匹配LTC4368,应该选择40 V二极管。使用二极管解决方案之后,正向压降可能会对欠压锁定阈值和电压监测阈值精度产生负面影响。
 
在电阻解决方案中,要选择足够大的电阻,以便在反向电压事件期间,安全限制从LTC2966电源线路中引出的电流。但是,也要适当考虑电阻的大小,确保对欠压锁定和电压监测阈值精度的影响最小。选择合适的封装尺寸,可以确保电阻保持安全功耗。
 
在这种应用中,所监测的电压足够低,与输入串联的二极管正向电压会严重影响电压监测阈值的精度。使用电阻解决方案时,可选择使用1.96 kΩ限流电阻,以?;TC2966不受反向电压影响。如果输入电压下拉至−40 V以下,则选择的电阻大小就能够将输入引脚输出的电流限制在20 mA。低值电阻仅导致几毫伏压降,因此电阻对阈值精度的影响可以忽略不计。
 
过流和浪涌电流?;?/div>
 
为你的系统保驾护航,专用欠压/过压?;て骷阈亩寺??
图6.应用过流和浪涌电流保护。
 
LTC4368负责为应用提供过流和浪涌电流?;?。图6显示了相关组件。LTC4368内部的比较器监测电流检测电阻R11两端的压降。如果是正向(VIN 至VOUT,过流比较器在SENSE至VOUT 的电压超过50 mV时断路。如果是负向(VOUT 至VIN,过流比较器在SENSE至VOUT 的电压超过–3 mV时断路。此应用使用一个20 mΩ检测电阻,将限流值设置为+2.5 A和–150 mA。
 
浪涌电流限制允许应用在不置位正向过流保护的情况下上电。R10和C1为浪涌电流限制器件。
 
在本应用中,将浪涌电流限制为1 A,远低于2.5 A的正向限流值。C1基于所需的浪涌限流值和C2的大小来选择。R10可防止C1降低反向极性保护响应速度,使快速下拉电路稳定下来,并防止在故障情况下发生震颤。
 
C4电容用于在正过流事件后设置重试延迟。重试延迟是检测到过流事件后,MOSFET栅极保持低电平的时间。在此应用中,重试延迟为250 ms。在MOSFET栅极添加10Ω电阻R14和R15,用于防止PCB布局寄生电容产生电路振荡。
 
功能演示
 
启动事件
 
为你的系统保驾护航,专用欠压/过压保护器件你心动了吗?
图7.完整的启动波形。
 
对原型进行了基准特性测试,结果如图7所示。在点火激活之前,VIN 大于为通道A配置的10 V上升监测阈值。LTC4368-2 UV被LTC2966的OUTA引脚拉高至其500 mV阈值以上,使得电源路径激活,且VIN。
 
在启动过程中,12 V总线下拉至6 V。超过7 V降压监测阈值之后,OUTA立即下拉LTC4368-2的UV引脚。LTC4368-2对此做出响应,它将GATE引脚拉低,切断开关元件的电源,使VOUT 降至0 V。由电压监测电阻分压器编程设置的3 V迟滞允许LTC2966忽略启动期间总线上出现的纹波。因此,在启动周期完成之前,开关元件一直保持关闭。启动周期结束时,电池电压恢复到其标称值,该值大于10 V阈值。OUTA引脚将LTC4368-2 UV引脚拉高,开关元件重新通电。
 
为你的系统保驾护航,专用欠压/过压保护器件你心动了吗?
图8.展开的启动恢复。
 
图8显示启动恢复行为??梢钥吹?,LTC4368-2的内部恢复定时器(一般为36 ms)在重新接通开关元件的电源之前满足要求?;箍梢钥闯觯匦陆油卦牡缭粗?,VIN 暂时被拉低。这是因为对电路的负载电容和串行输入电感充电导致的。这表明需要宽电压监测阈值迟滞。此负载电容充电瞬变会被LTC2966忽略。
 
为你的系统保驾护航,专用欠压/过压?;て骷阈亩寺穑? width=
图9.完整的负载突降波形。
 
图9显示电路的负载突降行为。在熄火之前,VIN为标称值。电源路径已激活,且VOUT = VIN。在负载突降过程中,电池电压上拉至100 V。超过18 V升压监测阈值之后,OUTB立即上拉LTC4368-2的0 V引脚。LTC4368-2对此做出响应,它将GATE引脚拉低,使电源路径断开,VOUT 降至0 V??卦3侄峡?,直到负载突降放电至15 V。超过15 V降压阈值后,LTC2966的OUTB下拉LTC4368-2的0 V引脚,在LTC4368-2内部恢复定时器超时后,TC4368-2再次接通开关元件的电源。
 
为你的系统保驾护航,专用欠压/过压保护器件你心动了吗?
图10.反向电压保护测量。
 
图10显示采用1.96 kΩ电阻的情况,它在反向电压事件期间限制LTC2966电源引脚输出的电流。应用的输入电压从0 V降至–40 V。VINA和VINB引脚输出的电流限制在20 mA,VINA和VINB引脚的电压保持低于接地电压几百毫伏。LTC2966安全经受反向电压事件。
 
正向过流?;?/div>
 
图11显示由R10和C1确定的浪涌限流值。如预料的一样,浪涌电流限制在1 A,VOUT在不置位过流限值的情况下直接上拉至12 V。
 
为你的系统保驾护航,专用欠压/过压保护器件你心动了吗?
图11.浪涌电流限值。
 
为你的系统保驾护航,专用欠压/过压?;て骷阈亩寺??
图12.置位正向过流?;ず椭厥匝映?。
 
图12显示LTC4368对正向过流事件的响应。当SENSE和VOUT引脚之间的电压超过50 mV时,LTC4368中的正向过流比较器断路。电流检测电阻R11的值为20 mΩ,可将应用的限流值设置为2.5 A。
 
在本演示中,电流陡然升高,直至过流保护置位。如预期的一样,过流保护在2.5 A时激活。LTC4368去除来自电源VOUT 的负载,负载电流降至0 V。LTC4368重试定时器满足要求之后,LTC4368将电源重新连接至负载。如果过流状况消失,负载将保持与电源连接的状态。否则,LTC4368将去除来自电源的负载。可以通过在RETRY引脚增加电容来增加重试延迟。如果需要,可以通过让RETRY引脚接地来锁定VOUT。在此电路中,重试定时器设置为250 ms。有关重试定时器的配置说明,请参见LTC4368数据手册。
 
为你的系统保驾护航,专用欠压/过压?;て骷阈亩寺??
反向过流?;?/div>
图13.置位反向过流?;?。
 
图13显示LTC4368对反向过流瞬变的响应。反向过流比较器检测VOUT 和SENSE引脚之间的电压。用于反向过流置位的电压阈值取决于具体的产品型号。LTC4368-1在50 mV时置位,LTC4368-2在3 mV时置位。此应用使用LTC4368-2型号。电流检测电阻R11为20 mΩ。这将反向过流限值设置为150 mA。
 
在本例中,当电源为负载提供100 mA时,VOUT中存在电压阶跃,所以 VOUT的值大于VIN。随着VOUT增大,ILOAD减小。电压阶跃足够大,迫使电流从负载流向电源。这种情况会一直持续,直到反向电流达到150 mA,反向过流比较器断路。反向过流比较器断路时,GATE引脚被拉低。这会去除来自电源的负载,防止负载进一步后向驱动电源。LTC4368会让栅极保持低电平,直到它检测到VOUT降至低于VIN100 mV。
 
结论
 
本文中的汽车应用显示,使用专用?;て骷梢约蚧当;さ缏返氖凳┓桨?。采用极少的附加电路将LTC2966和LTC4368-2组合在一起,可提供准确、可靠和全面的瞬变?;ぁU庑┢骷τ昧榛?,可配置用于多种应用。
 
LTC4368
 
●   宽工作电压范围:2.5V 至 60V
●   过压?;ぶ?100V
●   反向电源保护至 –40V
●   双向电子电路断路器:
    ○ +50mV 正向检测门限
    ○ –50mV 反向 (LTC4368-1)
    ○ –3mV 反向 (LTC4368-2)
●   可调 ±1.5% 欠压和过压门限
●   低工作电流:80μA
●   低?;缌鳎?μA
●   控制背对背 N 沟道 MOSFET
●   可隔离 50Hz 和 60Hz AC 电源
●   可热插拔的电源输入
●   引脚可选的过流自动重试定时器或锁断
●   10 引脚 MSOP 和 3mm x 3mm DFN 封装
 
 
推荐阅读:
 

关闭

?

关闭