桃花源qm花论坛(品茶),凤楼阁论坛官网入口网址,一品楼品凤楼论坛最新动态,风楼阁全国信息2024登录入口

你的位置:首页 > 测试测量 > 正文

为何基准电压噪声非常重要?

发布时间:2020-07-01 来源:Anshul Shah 责任编辑:wenwei

【导读】从航空航天和防务、天然气勘探到制药和医疗设备制造,这些行业越来越需要能够实现高于24位分辨率的超高精度测量。例如,制药行业使用高精度实验室天平,该天平在2.1 g满量程范围内提供0.0001 mg分辨率,所以需要使用分辨率高于24位的模数转换器(ADC)。校准和测试这些高精度系统对仪器仪表行业来说是一大挑战,要求提供分辨率达到25位以上、测量精度至少7.5数字位的测试设备。
 
为了实现这种高分辨率,需要使用低噪声信号链。图1显示噪声与有效位数(ENOB)和信噪比(SNR)之间的关系。注意,噪声是基于基准电压(VREF) =5 V,ADC输入设置为满量程范围来计算的。举例来讲,要实现25位分辨率,或者152 dB动态范围,可允许的最大系统噪声为0.2437 µV rms。
 
为何基准电压噪声非常重要?
图1.噪声与ENOB和SNR。
 
基准电压设置输入模拟信号的限值,ADC可以解析该信号。公式1是ADC的理想转换函数,其中输出数字码(小数形式)通过模拟输入信号VIN、基准电压VREF和ADC位数N计算得出。
 
为何基准电压噪声非常重要?
 
一般来说,ADC数据手册中的分辨率是基于输入短路技术得出,其中ADC输入连接至GND,或者ADC差分输入连接至共源极。ADC输入短路技术有助于确定ADC分辨率的绝对限值特性,方法是忽略ADC输入源噪声,消除VREF噪声的影响。结果确实如此,因为VIN设置为0 V,使得VIN/VREF比也等于0 V。
 
为了研究基准电压噪声对整体系统噪声的影响,图2显示了总系统噪声(rms)和ADC输入直流源电压之间的关系。实施本次测试期间,我们使用了AD7177-2 32位ADC,其VREF输入连接至LTC6655-5 (5 V),ADC输入则连接至低噪声直流源。ADC输出数据速率设置为10 kSPS。注意,在整个ADC输入电压范围内,ADC噪声保持恒定(35 nV/√Hz),但ADC直流输入源噪声增大(≤6 nV/√Hz),与基准电压噪声(96 nV/√Hz)相比,仍保持较低水平。如图2所示,总体噪声与ADC直流输入电压成正比。这是因为VIN (5 V),ADC输入则连接至低噪声直流源。ADC输出数据速率设置为10 kSPS。注意,在整个ADC输入电压范围内,ADC噪声保持恒定(35 nV/√Hz),但ADC直流输入源噪声增大(≤6 nV/√Hz),与基准电压噪声(96 nV/√Hz)相比,仍保持较低水平。如图2所示,总体噪声与ADC直流输入电压成正比。这是因为VIN/VREF 比随之增大,所以在ADC使用满量程输入时,VREF噪声主导整体系统噪声。信号链中各组件的噪声会以和方根(RSS)的方式叠加,导致曲线形状如图2所示。
 
为何基准电压噪声非常重要?
图2.ADC VIN与rms系统噪声之间的关系。VREF设置为LTC6655-5。
 
为了实现25位或以上的高测量分辨率,即使是市面上最好的独立基准电压(具备低噪声规格)也需要获取一些帮助来衰减其噪声。添加外部电路(例如滤波器)可以帮助衰减噪声,以达到所需的ADC动态范围。
 
本文的其余部分介绍各种类型的低通滤波器,以及如何使用这些滤波器来衰减基准电压噪声。本文还会讨论滤波器设计技术和与滤波器有关的取舍。本文将以衰减基准电压噪声为基础,介绍两种类型的低通滤波器,分别是简单的无源RC低通滤波器(LPF)和基于有源信号流程图(SFG)的低通滤波器。电路性能部分会展示系统评估结果,用Σ-Δ ADC表示测试。
 
使用无源低通滤波器来降低噪声
 
图3显示基准电压通过低通滤波器驱动ADC,该滤波器采用了外部储能电容C1、储能电容的等效串联电阻(ESR),以及基准电压运算放大器(运放)的输出阻抗。无源RC LPF截止频率由以下公式确定
 
为何基准电压噪声非常重要?
 
从公式可以看出,带宽与电阻R和电容C成反比。
 
为何基准电压噪声非常重要?
从公式可以看出,带宽与电阻R和电容C成反比。
 
储能电容C1也可以用作本地电源存储器,用于补偿ADC基准电压电路突然要求负载电流发生变化时产生的电压尖峰。图4显示Σ-Δ ADC AD7177-2和SAR AD7980 ADC动态基准电流响应。
 
为何基准电压噪声非常重要?
图4.AD7177-2和AD7980模拟动态基准电流响应。
 
用户可以选择C1电容的值来满足LPF截止频率要求,但是有些SAR ADC要求基准输入端采用至少10 µF电容,以保证正常运行。最小的10 µF C1电容可以降低基准电压源缓冲器的相位裕量。随着相位裕量降低,缓冲器反馈不再为负。1在单位增益交叉频率附近的信号与输入信号同相反馈。1这导致闭环响应在交叉频率附近出现噪声峰值。1由于源自截止频率(–3 dB点)的带宽最高达到16 MHz,总集成噪声(rms)由噪声峰值主导。即使基准电压储能电容C1作为噪声滤波器使用,并补偿电压尖峰,也需注意噪声峰值。图5显示LTC6655基准电压的噪声峰值,该峰值因储能电容C1引起。噪声峰值幅度由储能电容的值和其ESR额定值决定。
 
为何基准电压噪声非常重要?
图5.LTC6655基准电压噪声峰值密度。
 
大多数基准电压都具备复杂的输出级,以驱动适用于ADC基准电压源电路的大型负载电容。例如,LTC6655输出级设计用于采用设置为10 µF的储能电容来执行关键衰减。LTC6655的储能电容设置为最小2.7 µF、最大100 µF时,会产生噪声峰值。
 
VREF输出储能电容的等效串联电阻会消除主要的噪声峰值,但是会在100 kHz和以上频率时产生二次噪声峰值。究其原因,可能是因为电容的ESR产生零噪声,可以改善相位裕量和降低主要噪声峰值。但是,这个零噪声与LTC6655固有的零噪声结合在一起,产生了二次噪声峰值。注意,图5所示的噪声响应只适用于LTC6655基准电压源。
 
过滤基准电压噪声、消除噪声峰值,以及合理驱动ADC的另一种解决方案是添加无源RC LPF,然后添加缓冲器。通过添加缓冲器,我们可以隔离LPF和ADC基准电压源输入电容之间的设计限制。参见图6。
 
为何基准电压噪声非常重要?
图6.无源RC LPF,后接缓冲器。
 
将无源RC LPF截止频率设置为远低于单位增益交越频率,不止可以降低宽带和低频率噪声,还可以避免出现噪声峰值。例如,图7显示LTC6655噪声响应,其中C1 = 100 µF (ESR = 0 Ω),后接无源LPF,其中R = 10 kΩ、C2 = 10 µF (ESR = 0 Ω),在1.59 Hz时产生极点。
 
增大低通滤波器电阻R可以帮助实现低截止频率,但是也可能会降低精密基准电压的直流精度。添加无源RC LPF时,用户还必须考虑对负载调整和VREF 缓冲器响应(τ = RC)的影响,在驱动ADC时,这会影响其瞬变性能。
 
要达到所需的瞬变性能,建议如图6所示使用缓冲器。选择缓冲器时,要考虑的关键规格包括超低噪声、支持高负载电容的能力、低失真、出色的压摆率,以及宽增益带宽。建议采用的缓冲器为ADA4805-1 和ADA4807-1。
 
为何基准电压噪声非常重要?
图7.LTC6655-5,后接无源RC LPF噪声响应。
 
使用有源LPF降低噪声
 
表1指明了所需的动态范围和必须满足的可允许最大系统噪声要求,以实现所需的ENOB ADC分辨率。根据ADC带宽,按20 dB/10倍衰减的单极低通滤波器可能无法达到所需的宽带噪声消除。级联无源低通滤波器构建一个阶梯结构,可以生成更高阶的滤波器,但每个部分的输入阻抗将是前一部分的负载。这会降低精密基准电压的直流精度。但是,基于有源组件设计更高阶的LPF可以在输入和输出之间提供良好的隔离,最大限度避免基准电压直流精度下降,并提供低输出阻抗来驱动ADC的基准电压源电路。
 
为何基准电压噪声非常重要?
为何基准电压噪声非常重要?
 
表1.条件:VREF = 5 V,ADC输入设置为满量程范围
为何基准电压噪声非常重要?
 
现在提供几种不同类型的有源低通滤波器,例如,Bessel、Butterworth、Chebyshev和elliptic,具体如图8所示。采用平坦带通或无纹波带通,可以最大限度地避免降低精密基准电压的直流精度。在所有滤波器类型中,基于Butterworth拓扑的LPF设计可以实现平坦的带通和陡峭的衰减。
 
为何基准电压噪声非常重要?
图8.滤波器振幅响应示例。
 
有源低通滤波器设计技巧
 
信号流程图是用图形表示源自一系列线性公式的系统。2 SFG用于连接转换函数和对应的系统电路拓扑。2 该理论可用于基于有源电路设计模拟滤波器。SFG滤波器设计方法的主要优点在于:衰减系数Q和截止频率都可以单独控制。SFG LPF可以帮助衰减噪声和提高信噪比,但会导致物料成本(BOM)、PCB区域和功率增加。此外,SFG LPF可以影响基准输出电压与温度,导致产生微小PPM误差,造成直流精度下降。图9所示为二阶低通滤波器示例,该滤波器采用SFG方法,从转换函数转换至电路块。扩展电阻(R)和电容(C)针对截止频率实施配置(请参见公式5)。
 
为何基准电压噪声非常重要?
图9.基于SFG方法实施有源RC低通滤波器。
 
有关信号流程图理论的更多信息,请参考Addison-Wesley出版的 Feedback Control of Dynamic Systems(《动态系统反馈控制》)。2
 
为何基准电压噪声非常重要?
 
其中
 
Rs表示比例因子
 
Cn表示比例因子
 
Ws表示截止频率(Rad/s)
 
以下是一个计算示例,用于说明如何设计二阶0.5 Hz截止频率SFG低通Butterworth滤波器:
 
●  为了保持简明,选择Rs = 1 Ω,Cn = 1 F。
●  选择Fs = 0.5 Hz,以最大化宽带噪声抑制效果。Ws = 2 × π × 0.5 = 3.141 rad.
●  设置衰减因子Q = 0.71。选择此值可实现平坦的带通和陡峭的衰减,以反映Butterworth拓扑。
●  R、C和Rq值基于迭代流程选择,以实现较低热噪声和可用于表面贴装的组件值。
 
为何基准电压噪声非常重要?
 
LTC6655LN简介
 
考虑到与RC LPF和SFG LPF有关的取舍,更好的解决方案是如图10所示,将低通滤波器安装在基准电压的集成式低噪声缓冲器之前。这种布局不但会减小PCB面积,还不影响基准电压缓冲器的响应。使用快速稳定,具有高输入阻抗,能够灌电流和拉电流的基准电压缓冲器,有助于解决负载调整不良的问题,保持直流精度,以及改善瞬变性能。LTC6655LN采用了这种架构。它配有降噪引脚,可以帮助降低宽带噪声,支持使用集成式输出级缓冲器。LTC6655LN内置R3电阻(参考图10),允许用户在降噪(NR)引脚位置连接外部电容,以创建低通滤波器。采用LTC6655LN架构时,用户可以根据系统要求配置低通截止频率。
 
表2.3 dB截止频率,适合连接至NR引脚的电容实现不同值
为何基准电压噪声非常重要?
 
LTC6655LN RC LPF连接至缓冲器的非反向节点,该节点是此器件最灵敏的引脚。必须做好预防措施,应选择极低漏电流类型的外部电容,以防泄漏电流从R3电阻漏出,导致直流精度下降。此外,R和C之间的变化相互无关,所以RC时间常数和LPF截止频率会因为流程、电压和温度(PVT)差异而产生变化。
 
表3.3种电压选项的R3的电阻值
为何基准电压噪声非常重要?
 
基准电压(例如内置LPF的LTC6655LN)提供最佳解决方案,用于简化噪声滤波器设计,消除对外部缓冲器的需求,以驱动ADC基准电压电路。
 
 
为何基准电压噪声非常重要?
图10.LTC6655LN方框图。
 
测试电路描述
 
AD7177-2精密ADC被用于确定LTC6655/LTC6655LN加10uF NR电容以及LTC6655后接SFG滤波器的标准性能,。AD7177-2是高分辨率32位低噪声快速稳定2通道/4通道∑-?模数转换器,用于实现低带宽输入。AD7177-2集成可编程数字带通滤波器,允许用户控制5 SPS至10 kSPS的输出数据速率(ODR)。
 
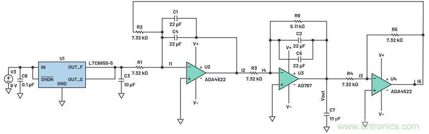
设计SFG LPF(图11)时用到的组件包括2个ADA4522-1 运算放大器、1个 AD797 运算放大器、多个25 ppm表贴式电阻、多层表贴式陶瓷电容,以及1个10 µF WIMA薄膜电容。ADA4522是一款轨到轨输出运算放大器,宽带噪声密度为5.8 nV/√Hz,闪烁噪声为177 nV p-p。AD797是一款低噪声运算放大器,具备0.9 nV/√Hz宽带噪声、50 nV p-p闪烁噪声、20 V/µs出色压摆率,以及100 MHz增益带宽,因此适合驱动ADC。
 
为何基准电压噪声非常重要?
图11.SFG LPF。
 
在使用LTC6655和带有AD7177-2的LTC6655LN时,为了正确评估性能,需要使用整体噪声低于ADC基准电压和ADC噪声的直流源。因此,会使用理想源,也就是9V电池电源,具体如图12所示。
 
为何基准电压噪声非常重要?
图12.低噪声直流源。
 
电路性能
 
图13显示噪声谱密度,图14显示输出数据速率(ODR)和ENOB,描述AD7177-2的性能,它的VREF输入连接至LTC6655或者采用10uF NR电容的LTC6655LN或者使用SFG方法滤波的LTC6655。关于在1 kHz时噪声谱密度的比较结果,请参见表4。图13和图14都有两个重要区域。
 
表4.1 kHz时的噪声谱密度比较结果
为何基准电压噪声非常重要?
 
区域A:
 
噪声谱密度图(图13)显示,ODR为500 SPS及以上时,滤波LTC6655 (SFG)和ADC直流输入源噪声远低于ADC的噪声,因此,ADC可以最大限度的去实现其最大性能,具体如图14中的区域A所示。从ODR、ENOB和噪声谱密度图中可以看出,在区域A中,总集成噪声(rms)的增高会妨碍信号链达到25位测量分辨率。
 
区域B:
 
在这个区域中,噪声谱密度图(图13)显示,三个基准电压选项和直流源的闪烁噪声升高,整体的系统噪声则受直流源噪声主导。区域B中的闪烁噪声升高,会导致测量性能和ADC可以实现的最大性能之间的ENOB偏差增大(图14)。
 
根据ODR和ENOB图,滤波LTC6655 (SFG)的ODR在小于等于20 SPS时可以实现25位分辨率,带10 µF NR电容的LTC6655LN-5和LTC6655实现的分辨率最高不超过24.6位。
 
为何基准电压噪声非常重要?
图13.噪声谱密度。
 
为何基准电压噪声非常重要?
图14.ODR与ENOB。
 
下方的表5汇总介绍AD7177-2 ADC的性能,其中VREF输入连接至LTC6655或者带10 µF NR电容的LTC6655LN,或者连接至滤波LTC6655 (SFG)。在ADC输入连接直流源,VREF输入连接至LTC6655时,零缩放栏确定AD7177-2可以实现的最佳动态范围。在ADC输入设置为近乎满量程时,带10 μF NR电容的LTC6655LN-5的动态范围平均增大4 dB(与LTC6655相比,ODR范围为10000SPS到59.96SPS)。另一方面,滤波LTC6655 (SFG)的动态范围平均增大7 dB(与LTC6655相比,ODR范围为10000SPS到59.96SPS)。在59.96 SPS以下,动态范围区域的变化不大,由ADC输入直流源产生、占主导作用的低频率闪烁噪声是导致差异的主要原因。
 
与LTC6655/LTC6655LN相比,将10 µF电容连接至LTC6655LN的NR引脚时,在1 kHz时可以将宽带噪声降低62%,滤波LTC6655 (SFG)可以将宽带噪声降低97%。
 
表5.动态范围比较
为何基准电压噪声非常重要?
 
结论
 
精密系统如果想要实现25位或以上的分辨率,必须非常重视基准电压噪声。如图2所示,VREF噪声占系统噪声的比例与ADC满量程的使用率成正比。本文显示,在精密基准电压中添加滤波器可以衰减VREF噪声,从而降低整体的系统噪声。后接SFG滤波器的LTC6655基准电压可以将未配备滤波器的LTC6655的宽带噪声降低97%。但这会额外增加物料成本,增大PCB面积和功耗,降低几PPM的直流精度,且导致精密基准电压源输出随温度发生变化。在考虑与SFG LPF有关的取舍时,LTC6655LN采用简单设计,功耗低,只需要使用单个电容来降低宽带噪声,且无需使用外部缓冲器来驱动ADC。带10 µF NR电容的LTC6655LN与不带滤波器的LTC6655相比,其宽带噪声降低62%。因此,用户现在可以使用内置的LTC6655LN低通滤波器来让精密系统实现所需的分辨率。
 
附录
 
要下载LTspice®,请访问:analog.com/ltspice。
 
点击此处下载对图7所示电路、图11所示的SFG LPF电路,以及图12所示的低噪声直流电路的LTspice模拟。
 
参考电路
 
1Mark Reisiger。“降低放大器噪声峰化以提高SNR。” ElectronicDesign, 2012年10月。
 
2Gene F. Franklin、 J. David Powell、Abbas Emami-Naeini。 动态系统的反馈控制。 Addison-Wesley Longman Publishing Co., Inc., 1993年11月。
 
致谢
 
非常感谢作者Robert Kiely之前在Σ-Δ ADC、精密放大器和基准电压领域所付出的努力。
 
 
推荐阅读:
 
使用反射计芯片实施非接触式液位测量
使用高效率、高频率、低EMI DC/DC转换器降低对陶瓷电容的电源要求
轻松快速设计开关模式电源EMI滤波器
适用于微型电机驱动应用的快速反应、光学编码器反馈系统
充分利用数字信号处理器上的片内FIR和IIR硬件加速器
特别推荐
技术文章更多>>
技术白皮书下载更多>>
热门搜索

关闭

?

关闭