【导读】设计基于STC8G8K64U单片机的高速ADC采样板,可以为普通的电路实验提供快速波形采样的??椤8媚?橐部梢杂τ糜谌笱悄艹稻喝粜疟曜槭莶杉笛橹校魑蛲墙樯艿慕饩龇桨?,明天给出相应实验结果。
设计采集板的目标
设计基于STC8G8K64U单片机的高速ADC采样板,可以为普通的电路实验提供快速波形采样的模块。
该??橐部梢杂τ糜谌笱悄艹稻喝粜疟曜槭莶杉笛橹?,作为向同学们介绍的解决方案,明天给出相应实验结果。
设计采样板的技术指标:
1. 采样频率:10kHz;
2. 采样通道:2通道
3. 采样信号:0~5V,数据位12bit。
4. 外部数据接口:(1)UART2通过USR-WiFi接口发送到局部无线网;(2)通过串口UART1通过调试器将数据发送到调试界面;
电路板设计
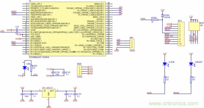
1. 原理图设计

▲ 原理图设计
对外接口定义:

2. PCB版图设计

▲ PCB板图设计

▲ 焊接之后的电路板

▲ 安装有WiFi-UART??楹蟮牡缏钒?/div>
3. 电路软件调试
「(1)单片机的硬件配置:」
由于配置STC8H8K工作在48MHz,提高单片机运行速度。

▲ 单片机硬件配置
「(2)串口波特率配置:」
1. UART1:配置波特率115200 ,这与下载器上的PL2303可以使用的波特率相匹配;
2. UART2::配置的波特率为460800,这与WiFi-UART

▲ 硬件连接调试
「(3)配置WiFI-UART:」
STEP1:使用手机,或者平板电脑,选择USR-WIFI232-T-191无线网关,登录 10.10.100.254地址。在登录界面输入用户名和密码都是「admin」。

▲ 无线登录界面
STEP2:按照下面的设置,设置WIFI-UART??榈墓ぷ鞑问?。
「STA设置:」

▲ STA设置
「AP设置:」

▲ AP设置
「网络设置:」

▲ 网络设置
「串口设置:」

▲ 串口设置
「设置后的系统信息:」

▲ 设置后的系统信息
4. 软件命令
??橥ü齍ART1(115200),UART2(460800)接收字符命令,分别输出采集的结果以及重新开始新的采集过程。具体的功能可以参见下面一段程序:

5. PYTHON获取数据程序
过PYTHON编程,可以从WiFi获取采集板的8k数据。
具体的程序可以在CSDN对应的博文中看到。
??椴馐孕阅?/div>
1. 数据传送时间
通过WiFi-UAR收到4096(8192 bytes)数据为0.489s左右。
下图是对两路正弦波采集到的数据波形:

▲ 两个通道采集的波形
推荐阅读:
特别推荐
- 强强联手!贸泽电子携手ATI,为自动化产线注入核心部件
- 瞄准精准医疗,Nordic新型芯片让可穿戴医疗设备设计更自由
- 信号切换全能手:Pickering 125系列提供了从直流到射频的完整舌簧继电器解决方案
- 射频供电新突破:Flex发布两款高效DC/DC转换器,专攻微波与通信应用
- 电源架构革新:多通道PMIC并联实现大电流输出的设计秘籍
技术文章更多>>
- 瑞典Ionautics新一代HiPIMS设备HiPSTER 25落地瑞士Swiss PVD
- CITE 2026:以科创之钥,启电子信息新局
- 迈来芯单线圈驱动芯片:二十载深耕,实现无代码开发与高能效双突破
- 工业智能化利器:树莓派的多元应用与优势
- 电容选型核心指南:特性、误区与工程实践
技术白皮书下载更多>>
- 车规与基于V2X的车辆协同主动避撞技术展望
- 数字隔离助力新能源汽车安全隔离的新挑战
- 车用连接器的安全创新应用
- Melexis Actuators Business Unit
- Position / Current Sensors - Triaxis Hall
热门搜索
TD-SCDMA功放
TD-SCDMA基带
TE
Tektronix
Thunderbolt
TI
TOREX
TTI
TVS
UPS电源
USB3.0
USB 3.0主控芯片
USB传输速度
usb存储器
USB连接器
VGA连接器
Vishay
WCDMA功放
WCDMA基带
Wi-Fi
Wi-Fi芯片
window8
WPG
XILINX
Zigbee
ZigBee Pro
安规电容
按钮开关
白色家电
?;て骷?/a>



