【导读】"若不能度量,则无法管理。"这是工业领域的一句口头禅,尤 其适合于流量测量。简单说来,对流量监测的需求越来越多, 常?;挂蟾咚俣群途鹊募嗖?。有几个领域中,工业流量 测量很重要,比如生活废弃物。随着人们越来越关注环境保护, 为使我们的世界更干净卫生、污染更少,废弃物的处置和监测 就变得非常重要。人类消耗着大量的水,随着全球人口增长, 用水量会越来越大。流量计至关重要,既能监测生活废水,也 是污水处理厂过程控制系统不可或缺的一部分。
当今有哪些工业领域使用流量计?
"若不能度量,则无法管理。"这是工业领域的一句口头禅,尤 其适合于流量测量。简单说来,对流量监测的需求越来越多, 常?;挂蟾咚俣群途鹊募嗖?。有几个领域中,工业流量 测量很重要,比如生活废弃物。随着人们越来越关注环境?;?, 为使我们的世界更干净卫生、污染更少,废弃物的处置和监测 就变得非常重要。人类消耗着大量的水,随着全球人口增长, 用水量会越来越大。流量计至关重要,既能监测生活废水,也 是污水处理厂过程控制系统不可或缺的一部分。

图1. 污水处理厂简图
流量计还被用于许多工业控制过程,包括化学/制药、食品饮 料、纸浆造纸等。此类应用常常需要在有大量固体存在的情况 下测量流量 — 大部分流量技术不能轻松胜任这一要求。
输送计量领域处理两方之间的产品转移和支付,需要高端流量 计。实例之一是通过大型管道系统输送油品。在这种应用中, 流量测量精度随时间的变化即便很微小,也可能导致某一方损 失或获得重大利益。
电磁感应技术为什么非常适合液体流量测量?
对于液体流量测量,电磁流量计技术有多种优势。它的传感器 一般是连接到管道中,其直径与管道直径一致,因而测量时不 会干扰或限制介质的流动。由于传感器不是直接浸没在液体 中,没有活动部件,因此不存在磨损问题。
电磁方法测量的是体积流量,这意味着测量对流体密度、温度、 压力和粘度等参数的变化不敏感。一旦用水标定电磁流量计, 就可以使用它来测量其他类型的导电流体,无需进一步标定。 这是其他类型流量计所不具备的一个重要优势。
电磁流量计特别适合测量固液两相介质,例如泥浆等带悬浮泥 土、固体颗粒、纤维或粘稠物的高导电率介质。它可用于测量 污水、泥浆、矿浆、纸浆、化学纤维浆及其他介质。这使得它 特别适合食品、制药等行业,利用它可测量玉米糖浆、果汁、 酒类、药物、血浆及其他许多特殊介质。
电磁流量计的工作原理是什么?
电磁流量计的工作原理基于法拉第电磁感应定律。根据法拉第 定律,当导电流体流经传感器的磁场时,一对电极之间就会产 生与体积流量成正比的电动势,其方向与流向和磁场垂直。电 动势幅度可表示为:
其中,E 为感生电势,k 为常数,B 为磁通密度,D 为测量管的内径,v 为测量管内的流体在电极截面轴向上的平均速度。

图2. 磁流量计工作原理
传感器输出范围是多少?
传感器提供差分输出。其灵敏度典型值为150 μv/(mps)至200 μv/ (mps)。由于激励电流的方向不断交替,因而传感器输出信号 幅度会加倍。对于0.5 米/秒至15 米/秒的流速测量范围,传感 器输出信号幅度在75 μv 至4-6 mV 之间。图3 显示了用恒流 源激励且有流体流经传感器时的传感器输出信号。在传感器输 出引线上捕捉到的示波器图显示,有一个电平非常低的信号位 于较大共模电压上。紫色曲线对应正电极,红色曲线对应负电 极。粉色曲线是将正负电极相减的数学计算通道。低电平信号 位于较大共模电压之中。

图3. 电磁流量传感器的输出信号
传感器测量的传统方法是什么?
传统方法大致上是模拟式 — 具有高输入阻抗和高输入共模 抑制性能的前置放大器用来应对传感器漏电流效应,然后是三 阶或四阶模拟带通滤波器和采样保持级,最后是模数转换。典 型模拟前端方法如图4 所示。传感器输出信号首先经由仪表放 大器放大。必须尽量放大目标信号,同时要避免不需要的直流 共模电压引起放大器输出饱和。这通?;峤谝患兑潜矸糯笃?的增益限制在最多10 倍。带通滤波器级进一步消除直流影响, 并再次放大信号,然后进入采样保持电路 — 正是这个差值信 号代表流速 — 随后送至模数转换器。

图4. 传统模拟前端方法
影响电磁流量计架构变化的市场趋势有哪些?
有多种行业趋势在呼唤新架构。其中之一是对数据日益增加的 需求。对于液体,监测除流量外的其他属性的能力正在变得越 来越有价值。例如,为了确定液体中可能有哪些污染物,或者 为了确定液体是否有适合特定应用的正确密度/粘度。增加这 种诊断能力有许多此类要求和好处。利用传统模拟方法是无法 轻松获取此类信息的,因为大部分传感器信息会在同步解调阶 段中丢失。
另外,制造工艺持续要求提高生产力和效率。例如在液体投注/ 灌装应用中,增加的灌装节点越来越多;制造工艺规模的扩大, 灌装速度的提高,要求更快速、更精确的流量监测。

图5. 液体投注/灌装
传统上利用机械或称重技术来确定灌装过程中要添加的正确 液体量,或生产工艺中的精确灌装量。这些方式往往非常昂贵, 而且难以扩展。为了满足这种需求,流量计(尤其是针对液体 的电磁流量计)已成为首选技术。
新的电磁流量计架构是什么样子?
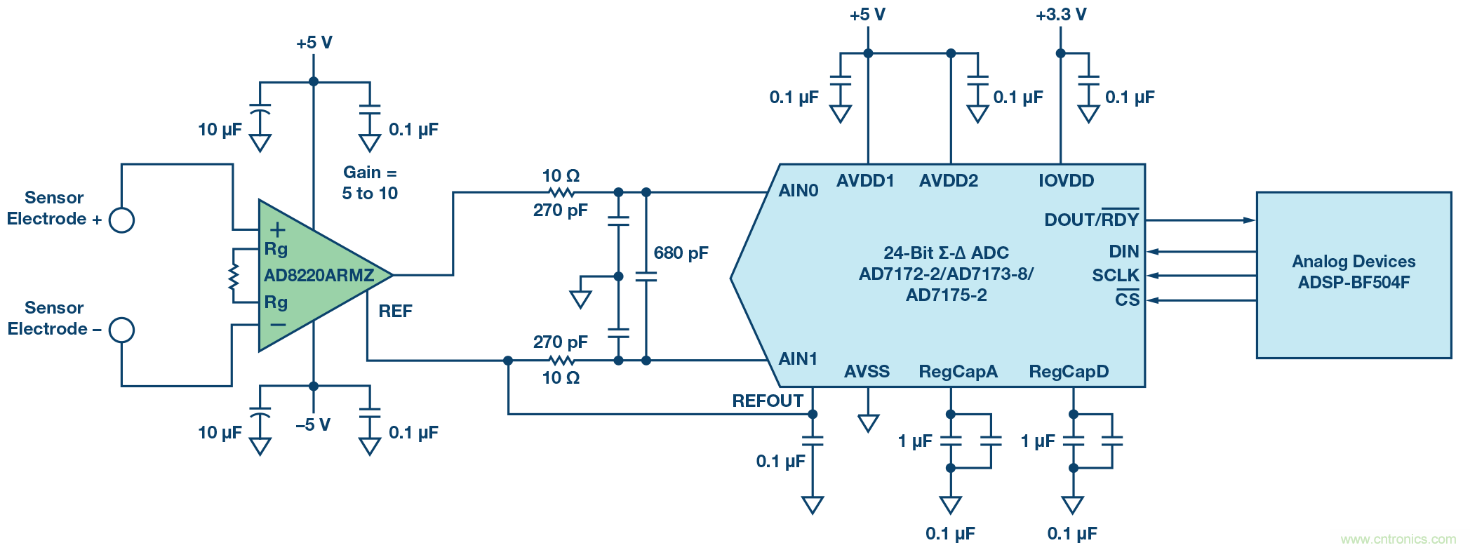
过采样方法大大简化了模拟前端设计。模拟带通滤波器和采样 保持电路不再需要。电路中的前置放大器仅有一级仪表放大器 — 在我们的例子中是AD8220 JFET 输入级轨到轨输出仪表放 大器,它可以直接连接到高速Σ-Δ 型转换器。

图6. 采用AD8220 和AD717x-x 的过采样架构模拟前端
对于模拟前端,重要的是什么,它如何影响我的设计?
放大器和ADC 是此类应用中最重要的两个???。第一级放大 器有几项关健要求。
一个要求是共模抑制比 (CMRR)。液体电解质中的离子会发生 定向运动,因此,电极与流体之间会产生电势,这就是所谓极 化。如果两个电极完全一致,电极上的电势应彼此相等。不同 金属的极化电压在数百毫伏到±2 伏之间不等。这是出现在传 感器输出端和前置放大器输入端的直流共模电压。前置放大器 是抑制此共模电压的关健。

图7. 前置放大器的共模抑制
100 dB 共模抑制比会将0.3 伏直流共模衰减到3 微伏,后者作 为直流失调出现在放大器输出端,可通过校准予以消除。理想 情况下,传感器上的共模电压保持不变,但实际上,它会随时ss 间而变化,并且会受到液体质量或温度等其他因素的影响。共 模抑制比越高,对连续后台校准的需求就会越少,流量稳定性 也越高。
表1. 共模抑制对实际流速的影响

电极的金属材料与电解质液体接触。液体电解质与电极之间的 摩擦会产生较高频率的交流共模电压。虽然幅度通常很小,但 交流共模表现为完全随机的噪声,更难抑制。这就要求前置放 大器不仅具有良好的直流共模抑制比,而且要有出色的较高频 率共模抑制比。AD8220 放大器在直流到5 千赫兹范围内具有 出色的共模抑制比。对于AD8220 B 级,直流到60 赫兹范围 的最小共模抑制比为100 dB,5 千赫兹以下为90 dB,能够很 好地将共模电压和噪声抑制到微伏水平。当共模抑制比为120 dB 时,0.1 伏峰峰值降低到0.1 微伏峰峰值。表2 显示了较差 的CMRR 对输出传感器信号的影响。

图8. AD8220 直流和交流共模抑制效应
前置放大器级的低漏电流和高输入阻抗是又一重要参数,因为 电磁流量传感器的输出阻抗可能高达GΩ。放大器的高输入阻 抗可防止传感器输出过载,避免信号幅度减小。放大器的漏电 流应足够低,这样当它流经传感器时,不会成为一个显著的误 差源。AD8220 的最大输入偏置电流为10 pA,输入阻抗为1013Ω, 因此它能支持电磁流量传感器的广泛输出特性。表2 列出了前 置放大器输入阻抗对10 GΩ 高输出阻抗传感器的影响。
表2. 放大器输入阻抗对流速的影响

最后,0.1 赫兹至10 赫兹范围的1/f 噪声设置应用的噪底。 当增益配置为10 时,AD8220 折合到输入端的电压噪声约为 0.94 μV p-p,它能分辨6 毫米/秒的瞬时流速和小于1 毫米/秒 的累计流速。
如何选择ADC,对应用而言哪些方面比较重要?
过采样方法既带来了挑战,也对ADC ??樘岢隽烁叩男阅?要求。由于没有后级模拟滤波器有源增益级,所以仅有一小部 分的ADC 输入范围获得使用。过采样和平均本身不等于性能 的显著提高,因为各传感器周期需要完全建立下来才能用于流 量计算。此外,需要从这些有限的数据点获得足够多的模数转 换样本,从而在固件处理过程中消除意外毛刺。

图9. 流量信号采样
过采样架构一般要求ADC 数据速率大于20 kSPS,越快越好。 这与实际流量测量没有明确关系。由于不存在模拟带通滤波 器,ADC 输入端会直接看到传感器原始输出。这种情况下, 传感器的上升沿未经滤波,因此ADC 在上升沿和下降沿期间 须具有足够高的分辨率,以便足够准确地捕捉这些边沿。
流量计的精度本身可通过瞬时流量测量或累计流量测量来确 定。流量计标准采用累计流量技术 — 测量长时间(比如30 或60 秒)内某一水量的平均流量。通过这种测量(而非瞬时 流量测量)可确定系统精度为±0.2%。瞬时流量适合需要实时 流速的应用场合。它对电子器件的精度要求要高得多。理论上, 为了分辨5 毫米/秒的瞬时流量,ADC 需要在一个激励周期(约 600 样本的后置FIR 滤波器)内实现20.7 位的峰峰值分辨率。 这可通过模拟前端来实现。
表3. 模拟前端和ADC 的噪声预算

*数据来自一个FIR 滤波器周期和一次瞬时流量计算。
AD7172-2 提供低输入噪声和高采样速度的完美组合,特别适 合电磁流量应用。采用2.5 V 外部基准电压源时,AD7172-2 的典型噪声低至0.47μV p-p。这意味着,最终流量结果的刷新 速率可以达到50 SPS,而不需要增加外部放大级。图10 显示 了采用AD7172-2 的过采样前端电路的噪声曲线。

图10. 采用AD8220 和AD7172-2 的过采样架构的折合到输入 端噪声测试结果
如何获得更快的响应以满足业界对更高效率的需求?
提高传感器激励频率可以提高流量测量的系统更新速率。这种 情况下,传感器输出的建立时间会缩短,因而可用于平均的样 本数会减少。使用更低噪声的ADC,可以进一步降低折合到 传感器输出端的噪声。采用同样的前端驱动器AD8220,其增 益配置为×10,可以比较更高更新速率下该模拟前端与主要竞 争产品的性能。表4 和图11 显示了与最接近的竞争产品相比, ADI 器件在更高系统更新速率下取得的优势。
表4. 不同传感器激励频率下的测量精度比较


图11. 不同传感器激励频率下的测量精度比较
仪表放大器能否直接驱动ADC,我怎样才能确定?
一般而言,这取决于仪表放大器的驱动能力和ADC 的输入结 构。许多现代精密ADC 是基于开关电容架构。片内采样保持 器呈现为上游放大器的瞬态负载,它必须能让开关电容输入建 立,以便实现精确采样。

图12. 等效模拟输入电路
下式可用来检查放大器能否驱动ADC。
其中:
BW 为放大器驱动ADC 所需的最小带宽。
MCLK 为ADC 调制器时钟频率(单位为赫兹)。
T 为短路相位时间(单位为秒)。
FS 为ADC 满量程输入范围(单位为V)。
CMV 为ADC 输入范围的共模电压(单位为V)。
Error 为ADC 采样的建立误差。
例如,AD7172-2 的调制器频率为2 兆赫兹,短路相位时间为 10 ns,满量程输入范围为5 V,共模电压为2.5 V,建立误差 为1 ppm。由此得到BW 值为8.7 兆赫兹,这就是当AD7172-2 处于无缓冲模式时,驱动放大器需要的带宽。它超过1.7 兆赫 兹— AD8220 及许多精密仪表放大器的增益带宽积能力。 AD7172-2 的两个ADC模拟输入上均集成真正的轨到轨精密单 位增益缓冲器。它设计用来在全频率范围驱动AD7172-2 输入 级,降低客户的设计复杂度和风险?;撼迤魈峁└呤淙胱杩梗?典型输入电流仅5 nA,使得高阻抗信号源可以直接连接到模拟 输入?;撼迤魅媲疉DC 内置开关电容采样网络,简化了 模拟前端电路要求,而每个缓冲器的典型功耗仅有0.87 mA。 每个模拟输入缓冲器放大器均完全斩波,就是说,这会使缓冲 器的失调误差漂移和1/f 噪声最小。
如何产生磁???
通过线圈施加恒定电流,从而在测量管道内部产生磁??;线圈 安装在管道外部附近,常常成对存在,并且互相串联。线圈通 常是数百匝铜线,因此在驱动器电路看来,其是一个较大电感。 线圈电感通常在数十到数百毫亨左右,另外还有50 Ω 到100 Ω 的直流串联电阻。在每个周期内,通过断开和闭合H 电桥上不 同的开关对,驱动器电路改变激励电流方向,因而磁场也改变 方向。为了消除噪声,交替频率一般是电力线频率的整小数倍。 驱动器电路包括一个恒流源和一个H 电桥,受微处理器控制。

图13. 磁场产生
功耗是否重要?
是的。电磁流量计的激励电流可能相当大,从针对较小直径管 道的50 毫安到针对较大直径管道的500 毫安或1 安培不等。 恒流电路若采用线性稳压电路,可能会消耗大量功耗和电路板 面积。
与线性稳压恒流电路相比,开关模式电源可节省功耗。如图所 示,ADP2441 配置为恒流源输出模式。1.2 V ADR5040 输出电 压由两个电阻分压至150 mV。此150 mV 电压施加于ADP2441 电压跟踪引脚,使得电压反馈引脚也保持在150 mV。当在反 馈引脚上使用一个0.6 Ω 电流设置电阻时,ADP2441 便会将其 输出电流调节到预设电流ISET 水平。通过调整连接到ADP2441 反馈引脚的电流设置电阻值,便可调节恒流源。


图14 (a). 利用开关电源和 iCoupler®驱动隔离H 电桥
(b). 利用线性调节电流源和光耦合器驱动隔离H 电桥
表5. 推荐开关稳压器

该驱动级设计有何其他优势?
它有显著的面积优势。电磁流量传感器驱动电路,也称为激励 电路,通常与信号调理电路(1 千伏基本隔离一般足够)相隔 离。常规电磁流量变送器普遍使用光耦合器隔离。光耦合器的 可靠性往往很差,而且尺寸相当大。ADuM7440 数字隔离器集 高速CMOS 和单片空芯变压器技术于一体,在一个16 引脚小 型QSOP 封装中提供四个独立隔离通道。

图15. 光耦合器与数字隔离器设计的面积比较
与采用光耦合器、线性稳压恒流源、通孔封装的分立场效应管 H 电桥的常规方案相比,使用数字隔离方法不仅可节省功耗,还能节约80%以上的电路面积。
表6. H 电桥驱动级使用的主要器件比较

如何计算流速?
在数字域中交流流量信号仍需要滤波和同步解调。图15 说明 算法如何在数字域中实现同步解调。数字信号处理器发出控制 信号1 和2,这是一对互补逻辑信号,用于电磁流量传感器线 圈激励。在这两个信号的控制下,流经电磁流量传感器线圈的 电流在每个周期都会反向,因而磁场方向和电极上的传感器输 出也会反向。

图16. 数字域中的同步解调和流速计算
例如在第n 个周期,当ADC 样本输入时,数字信号处理器(本 例为ADSP-BF504F)知道控制信号1 和2 的时序与逻辑。这 样,数字信号处理器便可根据线圈驱动控制信号的逻辑状态将 这些ADC 样本安排到静态随机存储器的两个数组中。也就是 说,在正半周期获得的带时间戳样本归入一组,在负半周期采 集的样本归入另一组。随后,每一组均经过FIR(有限脉冲响 应)低通滤波器。滤波器截止频率设置为30 赫兹,允许有用 信号通过,但会抑制电力线频率干扰和高频噪声成分。图17 显示了过采样前端设计中的FIR 滤波器幅频曲线和模拟同步 解调架构中的模拟带通滤波器幅频曲线。

图17 (a). 数字FIR 低通滤波器幅频曲线
(b). 模拟带通滤波器幅频曲线
然后,算法减去这两个平均值以获得一个与流速成正比的值。 此值的单位为LSB/(毫米/秒)。该值需要做进一步处理。最终 流速计算如下:

其中:
ΔFlowRate 为从正负激励阶段中减去两个平均值的结果,单位 为LSB。
VREF 为ADC 基准电压,单位为V。
N 为ADC 分辨率位数。
G 为模拟前端增益。
Sensitivity 为传感器的标称灵敏度,单位为伏特/(毫米/秒)。
KT 为变送器系数。
KS 为传感器系数。
KZ 为零点失调。
如何选择合适的处理器?
选择处理器是一个重要问题。业界越来越需要更高的处理能 力,用以支持更复杂的算法处理或增强的诊断/预测功能。另 外,提高电气和工业基础设施的能源效率已成为全球运动???户要求以更低的功耗和更实惠的价格获得更高处理能力。
电磁流量计的数字滤波器可能需要大量处理能力。32 位FIR 滤波器要消耗80 MIPS。流速计算、外设通信驱动和数据通信 分别需要40 MIPS、32 MIPS 和20 MIPS。这些相加的总和为 172 MIPS。本设计中,上述任务由最高达到400 MIPS 的数字 信号处理器ADSP-BF504F 完成。这样,已经有将近50%的处 理能力被占用,其中还不包括多层协议堆栈、HART 通信、诊 断、安全监控功能和液晶显示驱动。
表7. MIPS 消耗

片内外设也很重要。数字信号处理器有多种功能要实现,包括 SPI、UART、 I2C和脉冲输出通信。有35 个GPIO 可用于硬件 控制和逻辑输入/输出,例如控制液晶显示器、键盘输入、报 警和诊断等。SRAM 存储器存储滤波器系数、SPI 数据通信、 LCM 数据缓存、机器状态数据和内部状态标志。68 kB 片内静 态随机存取存储器 (SRAM) 满足系统要求,包括一个32 kB L1 指令SRAM/缓存和一个32 kB L1 数据SRAM/缓存。RS-485 和HART 通信也需要存储器。ADSP-BF504F 的4 MB 片内闪 存可用来存储程序数据、滤波器系数和校准参数。

图18. ADSP-BF504F 外设
未来对处理能力的需求会持续增加。未来满足这种要求, ADSP-BF70x Blackfin® 处理器系列提供高性能DSP,具有同类 一流的800 MMACS 处理能力,而功耗不足100 mW。此系列 由8 款高性价比成员构成,搭载最高1 MB 内置L2 SRAM,使 许多应用无需采用外部存储器,而第二种配置则提供可选的 DDR2/LPDDR 存储器接口。表8 列出了ADSP-BF7xx 系列的 重要特性。
表8. ADSP-BF70x Blackfin 处理器系列

ADI 公司针对电磁流量计解决方案提供何种支持?
ADI 公司开发了一款系统级参考设计,用以支持电磁流量计完 整信号链的原型开发。该系列配置灵活,可连接到任何类型的 电磁流量传感器,施加适当的激励频率和电压即可产生磁场 (由Blackfin 数字信号处理器控制),能够测量传感器输出, 以及应用后处理滤波器和算法来计算流速。ADI 公司在真实的 流量试验台环境中对设计进行标定(如图19 所示),并将标定 系数存储在非易失存储器中。支持单点或多点校准,通过多点 线性化可实现更高的性能。这样做的结果表明:该模拟前端设 计的性能可以达到领先高端流量计的要求。

图19. ADI 完整解决方案
相比传统架构,过采样架构有多方面重要优势。面积和成本均 有显著节省 — 分别达到50%和20%。由于能够节省传感器信 号并应用后处理,功耗也会降低,系统性能也得以增强。有关 ADI 参考设计的更多信息,请联系 cic@analog.com.
您是否利用该设计测量过数据?
评估结果
该参考设计进行过测试,我们把它连接到流量标定试验台上的 25 毫米直径电磁流量传感器,介质为室温下的水。激励频率设 置为6.25 赫兹,在0.5 米/秒到2 米/秒范围内,基本误差为读 数的±0.2%。测试结果数据如表9 所示。
表9. 采用DN25 传感器的数字过采样演示板的校准结果

总结
全世界有越来越多的环境法规要求监测和控制来自住宅、商业 和工业的废弃物,尤以欧洲为甚。电磁流量技术是此类应用的 首选技术。传统方法基本上是模拟方法,它有一些缺点,表现 在成本、面积、功耗、响应时间、有限的系统信息等方面。行 业趋势是转向过采样方法。这给ADC 要求带来了重大挑战, 因为更新速率会提高10 倍左右,但平均值的好处得不到利用, ADC 在高数据速率下的噪声要求需要进一步提高。另外还有 功耗挑战需要解决。液体和管道直径均有很多类型,这就需要 能够动态控制功耗,通过一种支持所有类型传感器需求的设计 来将功耗降至最低。Blackfin 数字信号处理器集低功耗和高处 理能力于一体,满足流量计应用的要求。它执行复杂的FIR 滤 波器算法来计算流速,同时具有领先的800 MMACS 处理能力, 而功耗不足100 mW。完整设计相比于之前的技术大大简化, 而且可节省成本、功耗和面积,优势众多。有关ADI 参考设 计的更多信息,请联系cic@analog.com.
参考电路
Ardizzoni, John. "高速差分ADC 驱动器设计指南." 模拟对话, 第43 卷,2009 年5 月。
Walsh, Alan. "精密SAR 模数转换器的前端放大器和RC 滤波 器设计" 模拟对话,第46 卷,2012 年12 月。
推荐阅读:





