【导读】在消费电子市场,电视、投影仪和其它多媒体设备纷纷采用高清多媒体接口(HDMI®)技术,使得HDMI成为全球公认的接口。相信不久之后,所有多媒体设备都需要配备该接口。HDMI接口在家庭娱乐中已经广为流行,近来在便携式设备和汽车信息娱乐系统中,它也日渐风行。
实现标准化多媒体接口是竞争高度激烈的消费电子市场的必然要求,上市时间对于该市场而言至关重要。除了提高市场认可度以外,采用标准接口还能大大改善投影仪、DVD播放机、高清电视以及不同制造商生产的其它设备之间的兼容性。
然而,在某些工业应用中,从模拟视频向数字视频过渡所需的时间比消费电子市场要长,许多设备尚未采用新的数字方法来发送合成音视频数据。这些设备仍然使用模拟信号作为唯一的视频传输途径,原因可能是特殊市场或应用有特定要求。例如,对于投影仪,有些客户仍然偏好使用视频图形阵列(VGA)电缆,而其它一些客户则使用音频/视频接收器(AVR)或媒体盒作为集线器,将一条HDMI电缆连接到电视,而不是一组凌乱且不美观的电缆,如图1所示。

图1. 媒体盒将模拟信号转换为HDMI
新使用者可能认为HDMI是一种相对较复杂的标准,需要经过验证的软件驱动器、互通性和兼容性测试,从而保证一种设备与其它各种设备结合使用时能够正常工作。这似乎有点难以把握,遇到新技术时常?;岱⑸庵智榭?。
然而,先进的半导体技术正在解决这些难题,模拟域和数字域均实现了改进,包括通过更高性能的??槔淳饨喜畹牟罘中藕?,以及利用更复杂的算法来减少软件开销和纠正位错误。
本文说明先进的半导体解决方案和灵巧的软件如何帮助实现HDMI。两种基本器件——HDMI-VGA (“HDMI2VGA”)和VGA-HDMI (“VGA2HDMI”)转换器——为熟悉视频应用的工程师提供一种简单的模拟视频与数字视频相互转换的方法。
虽然HDMI已成为事实上的高清视频接口,但VGA仍是笔记本电脑上最常用的接口。本文还会说明如何使这两种接口互连。
HDMI应用和视频标准简介
HDMI接口利用最小差分传输信号(TMDS)线传输包形式的视频、音频和数据。除了这些多媒体信号以外,接口还包括显示器数据通道(DDC)信号,用于交换扩展显示识别数据(EDID)和高带宽数字内容?;ば畔?HDCP)。
此外,HDMI接口还可以配备消费电子控制(CEC)、音频回授通道(ARC)和家庭以太网通道(HEC)。由于这些不是本文所述应用的重要部分,本文将不予讨论。
EDID数据包括一个128字节(VESA—视频设备标准协会)或256字节(CEA-861—消费电子协会)数据??椋糜谒得魇悠到邮掌?Rx)的视频和(可?。┮羝的芰ΑDID由视频源(播放器)利用I2C协议通过DDC线从视频接收器读取。视频源必须发送视频接收器支持的且列于EDID中的首选或最佳视频模式。EDID可能还包含关于视频接收器音频能力的信息,以及支持的音频模式列表和相应的频率。
VGA和HDMI均有DDC连接,用以支持视频源与接收器之间的通信。EDID的前128字节可以由VGA和HDMI共享。根据ADI公司HDMI兼容性测试(CT)实验室的经验,EDID的前128字节更容易出错,因为一些工程师不熟悉HDMI规范的严格要求,而且大多数文章都是侧重于EDID扩展???。
表1显示了EDID前128个字节中容易出错的部分。有关EDID前128个字节之后的CEA扩展??樯杓频南晗感畔?,请参阅CEA-861规范。
表1. EDID简介

VGA和HDMI的时序格式由上述两个标准设置组分别定义:VESA和CEA/EIA。VESA时序格式的定义参见“VESA监视时序和协同视频时序标准”;HDMI时序格式的定义参见CEA-861。VESA时序格式包括主要用于PC和笔记本电脑的标准,如VGA、XGA、SXGA等。CEA-861描述电视和增清/高清显示器所用的标准,如480p、576p、720p和1080p等。在这些时序格式中,只有640 × 480p @ 60 Hz这一种格式是强制性的,为VESA和CEA-861标准所共有。PC和电视均必须支持这种模式,因此本例使用该模式。表2比较了一般支持的视频标准。详细数据请参阅相应的规范。
表2. 最常用的VESA和CEA-861标准(p = 逐行;i = 隔行)

应用和部分要求简介
HDMI2VGA和VGA2HDMI转换器的重要要求是确保视频源发送的信号符合正确的视频标准。这是通过提供一个具有适当EDID内容的视频源来实现的。一旦收到,就可以将正确的视频标准转换为最终HDMI或VGA标准。
图2和图3中的功能框图显示了HDMI2VGA和VGA2HDMI转换的相应过程。HDMI2VGA转换器假设HDMI Rx内置EDID。

图2. 具有音频提取功能的HDMI2VGA转换器

图3. VGA2HDMI转换器
工作原理
VGA2HDMI: VGA源从接收器读取EDID内容,利用DDC线路通道获取支持的时序列表,然后视频源开始发送视频流。VGA电缆具有RGB信号和独立的水平(HSYNC)与垂直(VSYNC)同步信号。下游VGA ADC锁定HSYNC以重新产生采样时钟。VGA解码器将输入的同步信号与时钟对齐。
数据使能(DE)信号指示视频的有效区域。VGA ADC并不输出此信号,它是HDMI信号编码的强制要求。DE的逻辑高电平部分表示有效像素,或者说视频信号的可视部分。DE的逻辑低电平部分表示视频信号的消隐部分。

图4. 水平DE生成

图5. 垂直DE生成
DE信号对于产生有效HDMI流至关重要。如果没有DE信号,可以通过HDMI发送器(Tx)来补偿,它能重新生成DE信号。现代HDMI发送器可以利用若干参数设置,如HSYNC延迟、VSYNC延迟、有效宽度和有效高度等,从HSYNC和VSYNC输入产生DE信号(如图4和图5所示),确保兼容HDMI信号传输。
HSYNC延迟定义从HSYNC前沿到DE前沿的像素数。VSYNC延迟定义VSYNC和DE前沿之间的HSYNC脉冲数。有效宽度表示有效水平像素数,有效高度表示有效视频的行数。DE生成功能也可用于显示功能,例如使有效视频区域处于屏幕的中央。
显示位置调整是VGA输入的强制要求。数字化模拟输入信号的第一个和最后一个像素不得靠近任何HSYNC/VSYNC脉冲或与之重合。DE信号低电平期间(如垂直或水平消隐间隔)用于发送额外的HDMI数据和音频数据包,不得违反要求。ADC采样阶段可能会引起这种不对齐现象。屏幕可视区域中的黑条可能意味着有效区域不对齐。对于复合视频广播信号(CVBS),此现象可通过过扫描5%到10%进行校正。
VGA旨在显示整个有效区域,不落下任何区域?;娌换峁?,因此显示位置调整对于VGA转HDMI很重要。最佳情况下,黑条可以被自动识别,图像可以自动调整到最终屏幕的中央,或者根据回读信息手动调整。如果VGA ADC连接到后端定标器,有效视频将能正确地与整个可视区域重新对齐。
然而,使用定标器解决有效视频区域不对齐问题会提高设计成本及相关风险。例如,利用定标器和视频图案,有效区域内一个小白框周围的黑色区域可能会被视为无用棒而予以消除有效区域内一个小白框周围的黑色区域可能会被视为无用条而予以消除。黑色区域消除后,白框就变为纯白色背景。另一方面,半白半黑图像会产生失真。为了防止此类不当失真,必须采取某种预防机制。
HDMI Tx一旦锁定并重新产生DE信号,就会向HDMI接收器(如电视等)发送视频流。与此同时,片上音频器件,如音频编解码器等,也可以通过I2S、S/PDIF或DSD向HDMI Tx发送音频流。HDMI的优势之一是可以同时发送视频和音频。
VGA2HDMI转换板上电且源和接收器连接后,MCU应通过HDMI Tx DDC线回读HDMI接收器的EDID内容。MCU应将EDID的前128字节略微更改后复制到VGA DDC通道的EEPROM,因为VGA DDC通道一般不支持用于HDMI的CEA扩展。表3列出了需要的更改。
表3. VGA2HDMI转换器需要的更改列表

HDMI2VGA: HDMI2VGA转换器首先必须向HDMI源提供适当的EDID内容,然后才能接收所需的640 × 480p信号,或者视频源/显示器支持的其它常见标准。HDMI Rx一般将EDID内容存储在内部,处理热插拔检测线(表示显示器已连接),接收、解码并解读输入的视频和音频流。
由于HDMI流将音频、视频和数据合并在一起,因此HDMI Rx也必须支持回读辅助信息,如颜色空间、视频标准和音频模式等。多数HDMI接收器会自适应接收流,自动将任何颜色空间(YCbCr 4:4:4、YCbCr 4:2:2、RGB 4:4:4)转换为视频DAC要求的RGB 4:4:4颜色空间。自动颜色空间转换(CSC)确保将正确的颜色空间发送至后端器件。
输入HDMI流经过处理并解码为所需的标准后,便通过像素总线输出到视频DAC和音频编解码器。视频DAC通常具有RGB像素总线和时钟输入,但无同步信号。HSYNC和VSYNC信号可通过缓冲器输出到VGA输出,最终输出到监视器或其它显示器。
HDMI音频流可以承载许多不同标准,例如:L-PCM、DSD、DST、DTS、高比特率音频、AC3和其它压缩位流。多数HDMI接收器在提取音频标准方面没有问题,但进一步处理可能有问题。根据后端器件不同,可能优先使用简单标准,而不是复杂标准,以便能将其轻松转换为扬声器用模拟输出。HDMI规范确保所有器件至少支持32 kHz、44.1 kHz和48 kHz LPCM。
因此,必须产生EDID信号,这个信号既与提取音频的HDMI2VGA转换器的音频能力相匹配,又与VGA显示器的原始能力匹配的显示器的原始信号相匹配EDID。这可以通过一个经由DDC线从VGA显示器检索EDID内容的简单算法来实现?;囟潦萦馕龊脱橹?,确保监视器允许的频率不高于HDMI Rx或视频DAC支持的频率(参见表4)。EDID镜像可以利用一个列出音频能力的额外CEA??榻欣┱?,以反映HDMI2VGA转换器仅支持线性PCM标准的音频。包含所有??榈脑け窫DID数据因此可以向HDMI源提供。向热插拔检测线(HDMI线缆的一部分)发送脉冲后,HDMI源应从转换器重新读取EDID。
可以利用一个简单的微控制器或CPU来控制整个电路,读取VGA EDID并对HDMI Rx和音频DAC/编解码器进行编程。一般不需要控制视频DAC,因为它没有I2C或SPI等控制端口。
表4. HDMI2VGA转换器需要的更改列表

内容?;た悸?/div>
典型模拟VGA不提供内容?;?,因此独立转换器不应允许解密内容?;な?,否则最终用户将能访问原始字数据。另一方面,如果该电路是较大器件的组成部分,只要它不允许用户访问未加密的视频流,就可以使用它。
电路示例
示例VGA转HDMI板使用高性能8位显示器接口AD9983A,它支持最高UXGA时序和RGB/YPbPr输入,以及高性能165 MHz HDMI发送器ADV7513, 它支持24位TTL输入、3D视频和可变输入格式。利用这些器件可以快速方便地构建一个VGA2HDMI转换器。ADV7513还有一个内置DE生成???,因而无需外部FPGA来产生丢失的DE信号。ADV7513也有一个嵌入式EDID处理??椋梢宰远親DMI Rx回读EDID信息,或者手动强制回读。
同样,构建一个HDMI2VGA转换器也不是非常复杂。利用低功耗165 MHz HDMI接收器ADV7611和三通道、8位、330 MHz视频DACADV7125,可以构建一个高度集成的视频路径。Rx包括内置的EDID、用于处理热插拔置位的电路、可以输出RGB 4:4:4的自动CSC(与接收的颜色空间无关),以及一个支持亮度/对比度调整和同步信号重新对齐的器件处理???。低功耗音频编解码器SSM2604可以解码立体声I2S流,并通过DAC以任意音量输出。该音频编解码器的时钟源可以从ADV7611 MCLK线获得,不需要外部晶振,配置只需要执行几次写操作。
一个简单的MCU,例如内置振荡器的精密模拟微控制器ADuC7020就能控制整个系统,包括EDID处理、颜色增强和一个带按钮、滚动条、旋钮的简单用户接口。
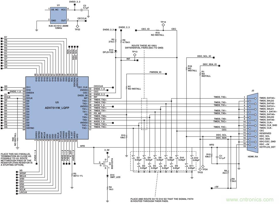
图6和图7分别显示VGA2HDMI转换器的重要部件——视频数字化仪(AD9983A)和HDMI Tx (ADV7513)的示例原理图。不包括MCU电路。

图6. AD9983A原理图

图7. ADV7513原理图
结束语
ADI公司的音频、视频和微控制器器件可以实现高集成的HDMI2VGA或VGA2HDMI转换器,转换器从USB连接器获取的少量电源供电。
两种转换器均表明:利用ADI器件,可以轻松实现采用HDMI技术的应用。对于应在HDMI中继器配置中工作的设备,HDMI系统复杂度会提高,因为这要求处理HDCP协议和整个HDMI树。两种转换器均不使用HDMI中继器配置。
视频接收器(显示器)、视频发生器(源)和视频转换器等应用要求软件堆栈相对较小,因此可以快速轻松地实现。有关更多信息和原理图,请参阅ADI公司的EngineerZone网页。
欢迎您在中文技术论坛上的模拟对话社区对HDMI-VGA转换发表评论。
参考电路
A DTV Profile for Uncompressed High Speed Digital Interfaces (CEA-861-E).
显示器监视时序(DMT)、协同视频时序(CVT)和增强扩展显示识别数据(E-EDID)标准可从VESA获得。
推荐阅读:


