【导读】本文以PLC应用为例,说明多功能、低成本的高度集成ADAS3022如何通过更换模拟前端(AFE)级,降低复杂性、解决多通道数据采集系统设计中遇到的诸多难题。这种高性能器件具有多个输入范围,非常适合高精度工业、仪器、电力线和医疗数据采集卡应用,可以降低成本和加快产品面市,同时占用空间很小,易于使用,在1 MSPS速率下提供真正的16位精度。
可编程逻辑控制器(PLC)是很多工业自动化和过程控制系统的核心,可监控和控制复杂的系统变量?;赑LC的系统采用多个传感器和执行器,可测量和控制模拟过程变量,例如压力、温度和流量。PLC广泛应用于众多不同应用,例如工厂、炼油厂、医疗设备和航空航天系统,它们需要很高的精度,还要保持稳定的长时间工作。此外,激烈的市场竞争形势要求必须降低成本和缩短设计时间。因此,工业设备和关键基础设施的设计人员在满足客户对精度、噪声、漂移、速度和安全的严格要求方面遇到了严峻的挑战。本文以PLC应用为例,说明多功能、低成本的高度集成ADAS3022如何通过更换模拟前端(AFE)级,降低复杂性、解决多通道数据采集系统设计中遇到的诸多难题。这种高性能器件具有多个输入范围,非常适合高精度工业、仪器、电力线和医疗数据采集卡应用,可以降低成本和加快产品面市,同时占用空间很小,易于使用,在1 MSPS速率下提供真正的16位精度。
PLC应用示例
图1显示在工业自动化和过程控制系统中使用PLC的简化信号链。PLC通常包括模拟和数字输入/输出(I/O)???、中央处理器(CPU)和电源管理电路。
在工业应用中,模拟输入??榭苫袢『图嗫囟窳踊肪持械脑冻檀衅餍藕牛绱嬖诩宋露群褪?、振动、爆炸化学物品的环境。典型信号包括具有5 V、10 V、±5 V和±10 V满量程范围的单端电压或差分电压,或者0 mA至20 mA、4 mA至20 mA、±20 mA范围的环路电流。当遇到具有严重电磁干扰(EMI)的长电缆时,通常使用电流环路,因为它们本身具有良好的抗扰度。
模拟输出??橥ǔ?刂浦葱衅鳎缂痰缙?、电磁阀和阀门等,以形成完整自动化控制系统。它们通常提供具有5 V、10 V、±5 V和±10 V满量程范围的输出电压,以及4 mA至20 mA的环路电流输出。
典型模拟I/O??榘?个、4个、8个或16个通道。为满足严格行业标准,这些模块需要提供过压、过流和EMI浪涌保护。大多数PLC包括ADC和CPU之间、CPU和DAC之间的数字隔离。高端PLC可能还有国际电工委员会(IEC)标准规定的通道间隔离。很多I/O模块可以对每通道的对单端或差分输入范围、带宽和吞吐率单独进行软件编程。
在现代PLC中,CPU自动执行多个控制任务,利用实时信息访问进行智能决策。CPU可能包含高级软件和算法以及Web连接,用于差错校验诊断和故障检测。常用通信接口包括RS-232、RS-485、工业以太网、SPI和UART。

图1. 典型PLC信号链。
分立式数据采集系统方案
工业设计人员可以使用分立式高性能组件,为PLC或类似数据采集系统构建模拟???,如图2所示。主要设计考虑因素包括输入信号配置、整体系统速度、精度和精确性。此处所示的信号链采用 ADG1208/ADG1209 低泄漏多路复用器、 AD8251快速建立可编程增益仪表放大器(PGIA)、 AD8475高速漏斗放大器、AD7982差分输入18位 PulSAR®ADC和 ADR4550超低噪声基准电压源。这种解决方案提供四个不同增益范围,但在±10 V的最大输入信号的情况下,设计人员必然会担心多路复用器的切换和建立时间,以及其他模拟信号调理问题。此外,在1 MSPS速率下实现真正的16位性能可能是一个严峻挑战,即便在使用这些高性能器件时也是如此。
AD7982具有满量程阶跃的290 ns瞬态响应性能。因此,要在1 MSPS速率下进行转换的同时保证指定性能,PGIA和漏斗放大器必须在710 ns时间内建立。但是,AD8251针对10 V阶跃达到16位转换精度(0.001%)的建立时间为785ns,因此该信号链的保证最大吞吐率将小于1 MSPS。

图2. 使用分立式元件的模拟输入信号链。
集成式解决方案简化数据采集系统设计
16位1 MSPS ADAS3022数据采集系统IC采用专有高压工业工艺技术iCMOS®制造,集成8通道、低泄漏多路复用器;高阻抗PGIA (具有高共模抑制);高精度低漂移4.096 V基准电压源和缓冲器;16位逐次逼近型ADC。如图3所示。

图3. ADAS3022功能框图。
这个完整传感器数据采集解决方案占用的电路板空间仅为分立方案的三分之一,有助于工程师简化设计,同时减小高级工业数据采集系统的尺寸,缩短产品面市时间,节省成本。它使得我们无需对输入信号进行缓冲、电平转换、放大、衰减或其他调理,也消除了我们对共模抑制、噪声和建立时间的担忧,还解决了与设计高精度16位1 MSPS数据采集系统相关的诸多难题。它可在1 MSPS速率下(典型 SNR为91 dB)提供同类最佳的16位精度(典型INL为±0.6 LSB)、低失调电压、低温度漂移和优化噪声性能,如图4所示。该器件的额定温度范围为–40°C至+85°C工业温度范围。

图4. ADAS3022的INL和FFT性能。
PGIA具有很大的共模输入范围、真正的高阻抗输入(>500 MΩ)和宽动态范围,这使得它能够处理4 mA至20 mA的环路电流,精确测量小传感器信号,抑制交流电力线、电机和其他来源的干扰(90 dB的最小CMR)。
辅助差分输入通道可处理±4.096 V输入信号。它旁路多路复用器和PGIA级,允许与16位SAR ADC直接接口。片内温度传感器可以监控本地温度。
这种高集成度可以节省电路板空间,降低整体部件成本,使得ADAS3022非常适合空间受限的应用,例如自动测试设备、电力线监控、工业自动化、过程控制、病人监护以及其他工业和仪表系统,它们都采用±10 V的工业信号电平工作。

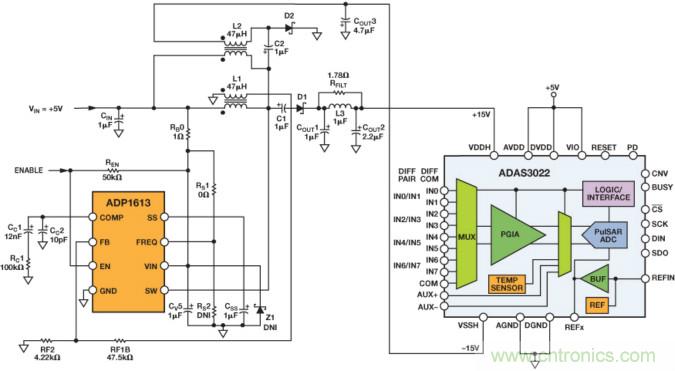
图5. 采用集成PGA的完整5 V、单电源、8通道数据采集解决方案。
图5显示完整的8通道数据采集系统(DAS)。ADAS3022采用±15 V和+5 V模拟和数字电源,以及1.8V至5V逻辑I/O电源。高效率、低纹波DC-DC升压转换器 ADP1613使得DAS能够采用5 V单电源工作。ADP1613使用ADIsimPower™ 设计工具配置为单端初级原边电感(SEPIC)拓扑,提供多路复用器和PGIA所需的±15 V双极性电源,而不会影响性能。
表1对ADAS3022和分立信号链的噪声性能进行了比较,并利用每个元件的输入信号幅度、增益、等效噪声带宽(ENBW)和折合到输入端的(RTI)噪声,计算整个信号链的总噪声。
表1. ADAS3022和分立信号链的噪声性能

AD8475和AD7982(图2)之间的单极点低通滤波器(LPF)可以衰减来自AD7982的开关电容输入的反冲,限制高频噪声量。LPF的–3 dB带宽(f–3dB) 为6.1 MHz(R = 20 Ω,C = 1.3 nF),在1 MSPS速率下进行转换时,可快速建立输入信号。LPF的ENBW计算方法为:
ENBW = π/2 × f–3dB = 9.6 MHz.
请注意,此计算方法忽略了来自基准电压源和LPF的噪声,因为它不会对主要由PGIA决定的总噪声产生很大影响。
以使用±5 V输入范围为例。在此情况下,AD8251的增益设置为2。漏斗放大器设置的固定增益为0.4,适用于所有四种输入范围。因此AD7982要处理0.5V至4.5V的差分信号(4 V p-p)。ADG1208的RTI噪声从Johnson/Nyquist噪声公式得出:en2 = 4KBTRON,
其中 KB = 1.38 × 10 23 J/K, T = 300K, 和 RON = 270 Ω.
AD8251的RTI噪声由数据手册中增益为2时的27 nV/√Hz噪声密度得出。同样,AD8475的RTI噪声也由10 nV/√Hz噪声密度得出,使用的增益为0.8 (2 × 0.4)。在这些计算中,ENBW = 9.6 MHz。AD7982的RTI噪声则根据数据手册中增益为0.8时的95.5 dB SNR计算得到。整个信号链的总RTI噪声根据分立元件的RTI噪声的方和根(rss)计算。89.5 dB的总SNR可通过公式SNR = 20 log(VINrms/RTITotal)计算。
虽然分立信号链的理论噪声估计值(SNR)和整体性能与ADAS3022相当,特别是在低增益(G = 1和G = 2)和低吞吐率(远低于1 MSPS)条件下,但它并非理想解决方案。与分立式解决方案相比,ADAS3022可以节省大约50%的成本和大约67%的电路板空间,它还可以接收其他三个输入范围(±0.64 V、±20.48 V、±24.576 V),这是分立式解决方案无法提供的。
结论
下一代工业PLC??樾枰呔取⒖煽吭诵泻凸δ芰榛钚?,所有这些特性都必须通过外形小巧的低成本产品提供。ADAS3022具有业界领先的集成度和性能,支持广泛的电压和电流输入,以便处理工业自动化和过程控制的各种传感器信号。ADAS3022是PLC模拟输入??楹推渌莶杉ǖ睦硐胫。沟霉ひ抵圃焐棠芄蝗盟堑南低尘哂杏胫诓煌奶匦?,同时满足更加严苛的用户要求。
我们邀请您在EngineerZone上的模拟对话社区 发表评论。
参考电路
Kessler, Matthew. Synchronous Inverse SEPIC Topology Provides High Efficiency for Noninverting Buck/Boost Voltage Converters, Analog Dialogue, Vol. 44, No. 2, 2010.
Slattery, Colm, Derrick Hartmann, and Li Ke. PLC Evaluation Board Simplifies Design of Industrial Process Control Systems, Analog Dialogue, Vol. 43, No. 2, 2009.
Circuit Note CN0201. Complete 5 V, Single-Supply, 8-Channel Multiplexed Data Acquisition System with PGIA for Industrial Signal Levels.
MT-048 Tutorial. Op Amp Noise Relationships; 1/f Noise, RMS Noise, and Equivalent Noise Bandwidth.
推荐阅读:





