【导读】随着社会进步,城市化发展越来越快速,人类对消防安全的重视程度越来越高。而烟感报警设备作为消防安全体系中重要的一部分,被越来越多的人接受和使用。现有的烟感方案如电离传感器,光电传感器构成的产品,可以很好的测量烟雾。一般电离传感器方案,会比较快的对传统烟雾进行报警,这取决于烟腔迷宫的设计。而光电传感器,可以更早的对阴燃物体产生的烟雾进行报警,从而提前预防火灾的发生。但这两种方式,对烧焦的汉堡或水蒸气干扰情况的辨识度较差,容易发生误报,需要很有经验的软件人员将其与真实的烟雾区分出来。
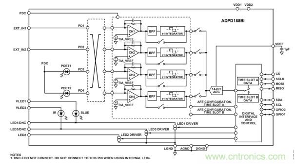
技术型授权分销商Excelpoint世健公司向我们推荐了ADI公司一款可以解决此问题的新产品——ADPD188BI。该产品主要针对与北美市场UL217 Rev8 的标准需求而设计。经过系统测试,ADPD188BI方案完全可以符合 UL217 的标准需求。该产品采用双光电管的设计,芯片集成红外光加上蓝光的 LED,通过不同波长的发射光,可以通过比率的方式,来间接判断被测物质的尺寸,以达到区分真实烟雾和干扰源的目的。

对此,ADI代理商——Excelpoint世健公司的工程师Abel Bian在实验室进行了一系列测试。下图展示了一些测试结果,工程师采用欧标的测试烟箱,对气溶胶烟雾进行检测。
图一、图三和图五是 ADPD188BI 评估板显示的采样值和蓝光与红外光的 PTR(接收光与发射光功率的比值) 比值。图中SlotA 表示蓝光的 PTR值,SlotB 表示红外光的 PTR 值, 这样做的目的是可以最大程度的减小噪声干扰对结果的影响。

图一与图二显示遮蔽率为 0 时,ADPD188BI 的初始值??梢钥吹狡淅豆夂秃焱夤馄骄?PTR 值约为 11.53。比值约为 0.970。

图三与图四显示遮蔽率为 0.2 时,ADPD188BI 的初始值??梢钥吹狡淅豆夂秃焱夤馄骄?PTR 值约为 11.73。比值约为 0.983。

图五与图六显示遮蔽率为 0.4 时,ADPD188BI 的初始值。可以看到其蓝光和红外光平均 PTR 值约为 12.13。比值约为 1.005。
“我们可以通过平滑滤波来对所看到的 PTR 值进行处理,来进行烟雾报警判断,这与之前的方式如出一辙。”Abel表示,“第二,我们也可以通过 PTR 的比值上升的斜率,和对应标准中的遮光比(如12%/foot)这两个参数,判断所测量的物质是否属于真实燃烧带来的烟雾。”
之后,Abel又做了一个实验,但由于实验条件有限,他只是使用简易的加湿器来模拟水雾的情况。通过这个实验可以看到,此时 PTR 的比率是十分重要的参数,可以帮助判断真实烟雾的发生。

【PTRA/PTRB 显示了所有采样输出 PTR 比率的变化趋势,这表明了在不同遮光比下,PTR 比率也是会发生微小的变化(PRTA表示蓝光、PTRB表示红外光)】

【红外光和蓝光的 PTR 输出值,表明了烟雾浓度的变化程度,可以看到 PRTA 对烟雾浓度的变化相对 PRTB 的更加敏感?!?/div>
以上是Abel针对气溶胶测试的实验结果??梢钥闯?,在精度上,可以实现非常精细的采集,而且多出来的 PTR 比率信息,可以让软件人员得到更多的判断依据。在更低遮光比下,提前判断出真实的火焰发生。
最后,为了展现该产品对于不同烟源所展现的输出变化,他又测试了高温水汽和人吸烟的烟雾输入。具体结果如下透视图:

上图前半部分的突起,是用电水壶烧开后所产生的高温蒸汽输出。剔除掉结露的结果后的图形,可以看到,在遇到高温水汽的时候,两种光的 PTR 的值会瞬间上升,超过 35nW/mW。
经过一段时间的吹风冷却和水汽清理,后半段可以看到抽烟所产生的输出变化,当然这个距离传感器较近,输出的值是烟雾遮蔽率较高的结果,最大可以到 25nW/mW 左右。

【PTRA/PTRB 的结果,高温水汽与人体呼出的烟雾】
上图可以很好地展现PTR 比率对判断物质的重要性。前半段可以看出,高温水汽的PTR 比率瞬间上升,比值也接近 1.8 左右。后半段的 PTR 比值上升相对缓慢,而且比值在 1.55 左右。
实验结论
比率信息不可以单独作为区分真实烟雾和干扰烟雾,软件人员可通过 PTR 值的上升速度和最终比值,做相对稳定的实验统计,并以此来作为判断烟雾类型的依据,从而最大程度的减小误报率。
此产品设计的应用意义
针对以上测试结果,大家可以很容易地将该产品置于环境较为复杂的区域来预防和监控火灾的发生,比如:
-浴室,可以降低水雾对产品的误报干扰。
-厨房,可以降低厨房油烟对产品的误报干扰。
-仓库,可以降低粉尘对产品的误报干扰。
通过传感器双管的拓扑架构,实现增加对环境状态的判断的依据,降低算法上的难度,实现更加可靠的报警。
推荐阅读:




