【导读】二极管的电流与电压特性可以使用ADALM2000模块和以下连接来测量。蓝色方框表示ADALM2000板的连接位置。在面包板搭建电路,波形发生器的输出W1连接到电阻的一端。2+示波器输入也连接到此处。电阻的另一端连接到二极管的一端,如图1所示。2-示波器输入和1+示波器输入连接到电阻的第二端。二极管的另一端和1-示波器输入连接到地。
目标
本次实验的目的是研究二极管(PN结)的电流与电压特性。
子分类:
● 2a. 半波整流器
● 2b. 全波整流器
● 2c. 桥式整流器
● 2d. 限幅器/箝位电路
● 2e. 交流耦合和直流恢复
● 2f. 可变衰减器
● 2g. 绝对值电路
● 2h. 电压倍增器电路
材料
● ADALM2000主动学习???/div>
● 面包板
● 一个电阻(1 kΩ或1 kΩ至5 kΩ的范围的电阻值)
● 一个小信号二极管(1N914或类似元件))
指导
二极管的电流与电压特性可以使用ADALM2000??楹鸵韵铝永床饬?。蓝色方框表示ADALM2000板的连接位置。在面包板搭建电路,波形发生器的输出W1连接到电阻的一端。2+示波器输入也连接到此处。电阻的另一端连接到二极管的一端,如图1所示。2-示波器输入和1+示波器输入连接到电阻的第二端。二极管的另一端和1-示波器输入连接到地。

图1. 二极管I/V曲线的连接图
硬件设置
波形发生器配置为100 Hz三角波,幅度为6 V,偏移为0 V。示波器通道2的差分输入(2+、2-)用于测量电阻(和二极管)中的电流。示波器通道1的单端输入(1+)用于测量二极管两端的电压(1-输入可以接地)。示波器通道1设置为每格500 mV,通道2也设置为每格500 mV。流过二极管 ID 的电流是通道2测得的电压除以电阻值(本例中为1kΩ)的结果。使用XY显示模式在x轴上绘制二极管两端的电压(示波器通道1),在y轴上绘制二极管中的电流(示波器通道2)。

图2.电流与电压,线性坐标系.
步骤

图3.电流与电压(线性坐标系使用Scopy绘图)

图4. 电流与电压(线性坐标系使用Excel绘图)
将捕获的数据加载到Excel等电子表格程序中,计算二极管电流 ID。绘制电流与二极管两端电压的曲线。二极管电压和电流的关系是对数式的。如果在对数坐标系上绘制,结果应为直线,如图5所示。

图5. 电流与电压,对数坐标系
问题
给定二极管两端的电压 ID ,二极管电流 VD的数学表达式是什么?
二极管特性的进一步探讨
测量多个1N914二极管在固定 VD时的二极管特性 ID, ADALP2000模拟器件套件中应该有四个二极管,您可以请求与实验室伙伴交 换,获得更多样品。计算测量结果的平均值和变异系数(CV,定义为标准偏差除以平均值的百分比)。讨论您观测到的变化量,这常常是半导体工程师所说的工艺偏差的测量指标。
用发光二极管(LED)替换1N914二极管。ADALP2000模拟器件套件中应当有红光、黄光、绿光和红外LED。给定二极管两端的电压 ID时,LED的二极管电流 VD 的数学表达式是否与1N914相似?它们在什么方面相似,在什么方面不同?红光、黄光和绿光LED是否以相同的正向电压开启?
2a. 半波整流器
目标
本次实验的目的是研究二极管作为半波整流器的用途。
材料
● 一个电阻(4.7 kΩ或其他类似值)
● 一个小信号二极管(1N914或类似元件)
指导
设置面包板,波形发生器输出W1连接到二极管的一端。二极管的另一端连接到负载电阻的一端,如图6所示。负载电阻的另一端接地。示波器通道2的单端输入(2+)也连接到电阻的未接地端(2-输入可以接地)。

图6. 半波二极管整流器的连接图
硬件设置
波形发生器配置为100 Hz正弦波,幅度为6 V,偏移为0 V。示波器通道2 (2+)用于测量负载电阻RL两端的电压。两个示波器通道均应设置为每格500 mV。

图7.半波二极管整流器面包板电路
步骤
使用Scopy工具中的示波器功能绘制这两个波形。

图8. 半波整流波形
问题
为什么整流输出的峰值小于交流输入的峰值?小多少?在输入波形的什么位置整流波形变为正(零点以外的位置)?如果二极管的方向反转会发生什么?将二极管的方向反转并重复实验。
进一步探索
用发光二极管代替1N914二极管。您可能需要将AWG1幅度增加到10 V,以适应LED的更高正向压降。
1. 整流输出波形与之前使用1N914二极管的结果相比如何?正偏压降提高多少?
2. 用三种不同的波形做实验,波形发生器保持设置为100 Hz,注意LED的亮度。讨论您观察到的波形和亮度,并将这些观察结果与您测得的每个波形的有效直流值联系起来。
3. 降低波形发生器频率,将频率设置为0.2 Hz(每五秒一个周期)。当波形发生器频率为1 Hz或更低时,讨论每种波形(共三种)所对应的LED光强度。
4. 闪烁的LED在什么频率停止闪烁,开始持续发光?
2b. 全波整流器
目标
本次实验的目的是研究两个二极管作为全波整流器的用途。
材料
● 一个电阻(4.7 kΩ或其他类似值)
● 两个小信号二极管(1N914或类似元件)
指导
设置面包板,W1连接到第一个二极管D1的一端,W2连接到第二个二极管D2的一端。两个二极管应朝向相同方向。每个二极管的另一端连接到负载电阻的一端,如图9所示。电阻的另一端接地。示波器通道2的单端输入(2+)连接到电阻和两个二极管的接合点。

图9.全波二极管整流器的连接图
硬件设置
第一路波形发生器W1应配置为100 Hz正弦波,幅度为6 V,偏移为0 V。第二路波形发生器W2也应配置为100 Hz正弦波,幅度为6 V,偏移为0 V,但相位设置为180°。示波器通道2的单端输入(2+)用于测量负载电阻两端的电压。两个示波器通道均应设置为每格500 mV。

图10. 全波二极管整流器面包板电路
步骤
使用Scopy工具提供的示波器绘制这两个波形。如果交流输入的0°和180°相位设置无误,那么第二个二极管可以填补输入缺失的半波,产生全波整流信号,如图11所示。同样,二极管的正向电压是很明显的,并且输出波形在过零处不会出现尖点,原因是二极管的导通电压非零。

图11. 全波整流波形
问题
如果二极管的方向反转会发生什么?将两个二极管的方向均反转并重复实验。
如果一个二极管的方向与另一个二极管的方向相反会发生什么?将一个二极管的方向反转并重复实验。
如何从单个信号源产生0°和180°相位(例如变压器)?
进一步探索
用红光和绿光LED替换D1和D2。将波形发生器的幅度增加到10 V(以适应LED的更高的导通电压)。将频率降至5 Hz或更低。这两个LED是否同时开启?
1. 整流输出波形与之前使用1N914二极管的结果相比如何?正偏压降提高多少?
2. 用三种不同的波形做实验,波形发生器设置为100 Hz,注意LED的亮度。讨论您观察到的波形和亮度,并将这些观察结果与您测得的每个波形的有效直流值联系起来。
3. 降低波形发生器频率,将频率设置为0.2 Hz(每五秒一个周期)。当波形发生器频率为1 Hz或更低时,讨论每种波形(共三种)所对应的LED光强度。
4. 闪烁的LED在什么频率停止闪烁,开始持续发光?
2c.桥式整流器
目标
本次实验的目的是研究四个二极管作为桥式整流器的用途。
材料
● 一个电阻(4.7 kΩ或其他类似值)
● 四个小信号二极管(1N914或类似元件)
指导
四个二极管可以按桥式配置排列,以便从单一交流相位提供全波整流,如图12所示。但是,可以看到交流输入端和负载端只能有一个连接在参考地上。

图12. 二极管桥式整流器的连接图
硬件设置
T波形发生器应配置为100 Hz正弦波,幅度为6 V,偏移为0 V。示波器通道2(2+、2-)用于测量负载电阻RL两端的电压。两个示 波器通道均应设置为每格500 mV。

图13.二极管桥式整流器面包板电路
步骤
使用Scopy工具提供的示波器绘制这两个波形。该电路的缺点是,现在有两个二极管压降与负载串联,使得整流输出的峰值比交流输入小1.2V,而不是之前电路中的0.6 V。

图14. 全波桥式整流器波形
问题
您将如何重新配置此电路以使负载电阻的一端接地,而不是像图8显示的那样——交流源的一端接地?
进一步探索
用红光和绿光LED替换所有四个二极管D1、D2、D3和D4。将波形发生器的幅度增加到10 V(以适应LED的更高导通电压)。将 频率降至5 Hz或更低。是否有两个LED同时开启?如果有,是哪两个?
1. 整流输出波形与之前使用1N914二极管的结果相比如何?正偏压降提高多少?
用三种不同的波形做实验,波形发生器设置为100Hz,注意LED的亮度。讨论您观察到的波形和亮度,并将这些观察结果与您测得的每个 2. 波形的有效直流值联系起来。
3. 降低波形发生器频率,将频率设置为0.2Hz(每五秒一个周期)。当波形发生器频率为1Hz或更低时,讨论每种波形(共三种)所对应的LED光强度。
4. 闪烁的LED在什么频率停止闪烁,开始持续发光?
2d. 限幅器/箝位电路
目标
本次实验的目的是研究二极管作为限幅或箝位电路的用途。
M材料
● 一个10 kΩ电阻(或其他类似值)
● 两个小信号二极管(1N914或类似元件)
指导
设置面包板,波形发生器输出(W1)连接到10 kΩ电阻的一端,如图15所示。一个二极管(D1)连接在10 kΩ电阻的另一端与第二路 函数发生器的输出之间。第二个二极管D2连接在地和D1的顶部之间,如图所示。示波器通道2 (2+)连接到电阻和两个二极管的公共连接处。

图15. 二极管箝位的连接图
硬件设置
第一路波形发生器应配置为100 Hz正弦波,幅度为6 V,偏移为0 V。第二路波形发生器应配置0 V幅度,起始偏移为0 V。稍后将 改变第二路波形发生器的偏移,观察其对输出信号的影响。示波器通道2 (2+)用于测量箝位/限幅电压,应设置为每格500 mV。

图16. 二极管箝位面包板电路
步骤
将第二路波形发生器w2的直流偏移值设置为零,观察示波器通道2 (2+)上显示的电压的最小值和最大值。在-2 V和+2 V之间调 整第二路波形发生器w2的直流偏移,观察示波器上显示的最小和最大电压。反转两个二极管D1和D2的方向。重复调节直流偏移,观察示波器上显示的最小和最大电压。两组测量结果相比如何?

图17. 二极管箝位波形
问题
如果两个二极管D1和D2均连接到第二路信号发生器输出,电压限值会发生什么变化?
2e. 交流耦合和直流恢复
目标
本次实验的目的是研究交流耦合以及二极管作为直流恢复电路的用途。许多信号包含直流分量。这种直流分量常常要被移除,在之后的信号路径中可能会恢复为不同的直流电平。
材料
● 一个1.0μF电容(或其他类似值)
● 一个小信号二极管(1N914或类似元件)
指导
设置面包板,W1连接到1.0μF电容的一端,如图18所示。二极管(D1)连接在1.0μF电容的另一端和第二路波形发生器W2的输出之间。示波器通道2的单端输入(2+)连接到电容和二极管的公共连接处。

图18.直流恢复电路的连接图
硬件设置
第一个波形发生器配置为1 kHz正弦波,幅度为2 V,起始偏移为0 V。稍后将改变偏移量,观察其对输出的影响。第二个波形发生器幅度配置为0 V,起始偏移为0 V。稍后将改变偏移量,观察其对输出的影响。示波器通道2 (2+)用于测量电压,应设置为每格500 mV。

图19. 直流恢复面包板电路
步骤
使用Scopy工具提供的示波器绘制这两个波形。

图20. 直流恢复波形
用10 kΩ电阻替换电路中的二极管D1。使用示波器上的测量选项卡,当波形发生器通道1的偏移在-1 V和+1 V之间变化时,读取并记录通道2 (2+)的正负峰值和平均值。现在将波形发生器通道 1设置为方波,幅度值同样为2 V。同之前一样,当方波的占空比在10%和90%之间变化时,读取并记录正负峰值和平均值。现在移除10 kΩ电阻,将二极管D1放回原位。重复刚才使用电阻进行的相同测量,调整直流偏移和占空比。测量结果相比如何?反转二极管D1的方向,再次重复这些测量。测量结果与前两次相比如何?
问题
当D1的方向反转时发生了什么?对于第二路波形发生器(W2)的输出,设置不同直流值有何影响?
2f. 可变衰减器
目标
本次实验的目标是使用二极管构建、表征和分析小信号可变衰减器。
材料
● 一个2.2 kΩ电阻
● 一个4.7 kΩ电阻
● 一个10 kΩ电阻
● 一个5 kΩ可变电阻、电位计
● 两个0.1μF电容
● 一个小信号二极管(1N914或类似元件)
指导
设置面包板,第一个波形发生器连接到0.1μF电容的一端,如图21所示。电阻R1连接在C1的第二端与D1、R2、C2的接合点之间。D1的另一端接地。电阻R2的第二端连接到电位计R3的滑动端。R3的两端分别连接到地和Vp (5V)。示波器通道2 (2+)连接到电容C2和负载电阻R4的公共连接处。

图21.可变衰减器的连接图
硬件设置
波形发生器W1配置为10 kHz正弦波,幅度为200 mV(或更小),偏移设置为0 V。示波器通道1+设置为每格100 mV,R4处连接的 示波器通道2+设置为每格100 mV。设置测量选项卡以显示通道1峰峰值和通道2峰峰值。

图22.可变衰减器面包板电路
步骤
使用Scopy工具提供的示波器绘制这两个波形。

图23.可变衰减器波形
TC1(和C2)的作用是阻止直流分量进入输入和输出电路,使得二极管的工作点不受影响。衰减器使用了如下原理:二极管的小信号电阻 ID是二极管中流过的直流电流ID的函数。参见公式1。
其中:
n为二极管面积(尺寸)比例系数
VT 为热电压
ID 为二极管电流
k 为玻尔兹曼常数
q为电子电荷
T为绝对温度
在电路中,R1和D1的电阻之间设置了一个分压器。通过改变R2中的电流来改变D1中的电流。当D1中的电流很小时, rD 很大,输出端看到的输入信号比例很大。随着D1中的电流增加,其电阻减小,输出端看到的输入部分减少。
问题
在不造成输出信号失真的情况下,您可以使用的最大输入信号电平是多少?什么电路参数决定输入信号的上限?
2g. 绝对值电路
目标
本次实验的目的是研究绝对值电路。整流器或绝对值电路常常用作检波器,以将交流信号的幅度转换为更容易测量的直流值。对于此类电路,交流信号首先进行高通滤波以去除任何直流成分,然后进行整流,可能还会进行低通滤波。正如我们在用二极管构建的简单整流电路中所看到的那样,该电路对幅度小于二极管压降(硅二极管为0.6 V)的信号反应不佳。因此,它不适合用于要测量小幅度信号的设计。对于需要高精度的设计,运算放大器可与二极管配合使用来构建精密整流器。
材料
● 一个双通道运算放大器(ADTL082或类似产品)
● 五个10 kΩ电阻
● 两个小信号二极管(1N914或类似元件)
● 两个4.7μF解耦电容
指导
通过增加两个二极管,可将反相运算放大器电路改造为理想、(线性精密)半波整流器,如图24所示。对于输入的负半部分,二极管D1反偏,二极管D2正偏,电路作为常规反相器工作,增益为-1。对于输入的正半部分,二极管D1正偏,使放大器周围的反馈闭合。二极管D2反偏,断开输出与放大器的连接。通过10 kΩ电阻,输出将处于虚地电位(负输入端)。

图24. 精密半波整流器的连接图

图25.精密半波整流器面包板电路
步骤
如图26所示,整流输出的峰值现在等于输入的峰值。当输入过零时,也会出现急剧转变。实验者可以研究电路中不同点的波形,解释为什么这个电路比简单的二极管半波整流器更好。

图26. 精密半波整流器波形
指导
图27所示的电路是一个绝对值电路,常常称其为精密全波整流器。它应当像一个由理想二极管构建的全波整流电路那样工作(正向导通时,二极管两端的电压等于0 V)。电路中实际使用的二极管会有大约0.6 V的正向电压。

图27.绝对值电路的连接图

图28. 绝对值面包板电路
步骤
对于此实验练习,您应当:
a. 研究电路并弄懂其工作原理。有一个非常基本的概念应该有助于理解此电路的工作原理。给定一个配置为负反馈的运算放大器,反相和同相输入端会试图达到相同的电压电平,这常常被称为虚短路。
b. 计划一些测试方案,看看这个电路是否确实是绝对值电路。执行这些测试,完整记录所有测试和结果。
c. 设置输入信号为1 kHz的6 V正弦波。仔细测量并记录电路中所有节点的电压。

图29. 绝对值波形
问题
通过完整记录所有测试和结果来汇报您的实验
2h. 电压倍增器电路
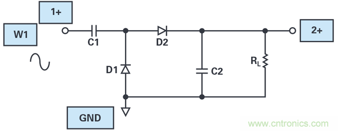
在负载电流相对较小且所需直流电压高于系统电源可提供电压的情况下,电压倍增器非常有用。

图30.电压倍增器电路的连接图。
此电路的工作原理不像之前研究过的二极管整流电路那么简单。为了理解这个电路,我们需要在W1提供的交流输入的连续半周期期间观察它。我们将从假设使用理想器件开始,C1 = C2。
1. 在第一个负半周期中,D1正偏,将C1的右端保持在比地低一个二极管压降的电平。因此,C1将充电到几乎等于交流输入峰值电压 (vPEAK)的电压,其左端相对于地为负。
2. 在接下来的正半周期中,D1反偏,不会传导电流。C1上的电压将增加到交流输入电压上,因此D2的左端会出现约2 VPEAK 的电压。由于C2根本没有充电,所以这将使D2正偏,并允许C1右端的电压施加到C2的顶部。当C1放电时,C2充电,直到两个电容不再能使D2正偏。对于第一个正半周期,C2上的电压等于 VPEAK, C1完全放电,因此D2左端的所有电压都来自交流输入。
3. 在下一个负半周期,C1通过D1再次充电至 VPEAK。如果没有负载来给C2放电,其输出将保持在 +VPEAK。
4. 如果没有负载来给C2放电,其输出将保持在 +VPEAK,而D2左端电压再次为 +2 VPEAK。同样,C1将其部分电荷转移到C2,但这次是在C2充电到 +1.5 VPEAK电压时停止。
5. 此操作一个周期一个周期地持续进行,C1在每个负半周期完全充电至 VPEAK K,然后将C2充电至其起始电压和 +2 VPEAK之间的中间电压。C2永远不会充电到 +2 VPEAK, 但会非常接近。
对于非理想元件,当正偏时,每个二极管上有很小(0.6 V)的电压降。这会降低倍增器的最大空载输出电压。此电路上的任何负载(例如RL)总是从C2汲取电流,从而会在一定程度上给该电容放电。在每个正半周期,C1将对C2充电,从其在中间半周期开始时的电压一直充电到 +2 VPEAK。输出上的纹波将更大,平均直流值将更低。
请注意,该电路的输出电流容量仅为普通整流电路的电流容量的一半。从电压倍增器获得的任何额外负载电流都会导致C2以更快速度放电,从而降低输出电压。永远不可能从电压倍增器中获得比输入更多的功率。
如果C1大于C2,C2的充电和再充电速度可以更快。例如,如果C1 =10μF且C2 =1μF,那么在每个正半周期,C1将把更多电荷转 移到C2,C2上电压的提升速度将比C1上电压的下降速度快得多。当然,这也意味着输出电流容量更加有限,因为C2将迅速放电和充电。

图31. 电压倍增器面包板电路
步骤
使用Scopy工具提供的示波器绘制这两个波形。

图32.电压倍增器波形
问题
图30中的电路产生正向直流输出电压。如何重新配置以产生负输出电压?构建电压逆变器并重复实验/仿真。
您可以在 学子专区博客上上找到问题答案。
推荐阅读:



